Vítejte na Elektro Bastlírn?
Nuke - Elektro Bastlirna
  Vytvořit účet Hlavní · Fórum · DDump · Profil · Zprávy · Hledat na fóru · Příspěvky na provoz EB

Vlákno na téma KORONAVIRUS - nutná registrace


Nuke - Elektro Bastlirna: Diskuzní fórum

 FAQFAQ   HledatHledat   Uživatelské skupinyUživatelské skupiny   ProfilProfil   Soukromé zprávySoukromé zprávy   PřihlášeníPřihlášení 

Kotúčové MGF- Konštrukcia B135 a zaujimavosti z kot. MGF
Jdi na stránku Předchozí  1, 2, 3, 4 ... 13, 14, 15  Další
 
Přidat nové téma   Zaslat odpověď       Obsah fóra Diskuzní fórum Elektro Bastlírny -> Audiotechnika
Zobrazit předchozí téma :: Zobrazit následující téma  
Autor Zpráva
AdamVarga



Založen: Nov 04, 2018
Příspěvky: 473

PříspěvekZaslal: čt září 15 2022, 22:40    Předmět: Citovat

Ešte menší dodatok k B115..je to katastrofálne hlučný magič. Nielen motor ale aj pásková dráha. Pri použití pásiek s matným zadným povlakom je to hrôza. Prekvapivo sa to neprenáša do zvuku, ale je to počuť a je to hrozné.
On ten motor by bolo dobré vymeniť za niečo čo je tichšie. Až teraz si to vlastne s revoxom viem porovnať že hlučnost v prevádzke je neúnosná. Pri revoxe zaspím počúvam z neho hudbu bárz aj o 3 ráno a je úplne tichučký až na piskot tacha capstanu čo je skoro zanedbateľné len mierne rušivé. Kdežto pri B115 sa nedá zaspať ten motor je hrozný. Z 8mich kusov B115 čo mám so vybral najtichší a je ti lepšie ako uplne bežná 115tka ale je to furt katastrofa. Už rozmýšlam za čo to zameniť na mojom hlavnom stroji. Je možné že to bude BLDC motor s jednoduchým jednočipovým driverom.

A čo sa týka páskovej dráhy, ano dosiahli až prekvapivo presné vedenie pásky ale to množstvo článkov o ktoré sa obtiera páska je tak velké že pásky s matným povlakom sú generátorom bieleho šumu. Klasické pásky sú fajn a myslím že napriek tomu všetkému budem B115 používať ako primárny nahrávací stroj aj v teréne pri zvučení keďže tam na tom nezáleží skôr ma trápi dobrý záznam ktorý moja 115tka zaručene spraví. A revox pravdepodobne na doma. Dokiaľ sa nedostanem k A700vke tak si myslím že budem moju 77dmičku drať až sa jej niečo nestane a keď zoženiem A700vku tak toto predám.
Návrat nahoru
Zobrazit informace o autorovi Odeslat soukromou zprávu
TheLastUnicorn



Založen: Jan 17, 2018
Příspěvky: 523
Bydliště: Trenčín

PříspěvekZaslal: pá září 16 2022, 13:37    Předmět: Citovat

B73 a 113 sa hlučnosťou ešte dali prekusnúť. Ale tie novšie s výkonnejšími motormi sú po stránke hlučnosti katastrofa. Čo sa páskovej dráhy týka - bohužiaľ, tam na to trenie trpí celá rada B7. Niekoľkokrát som opakoval, že problémom tesláckych 3-hlavákov nie je elektroakustická časť. Zvukovo sú OK. B73 síce nechodí tak vysoko a má slabší celkový odstup, ale zas nevyrába na stredných kmitočtoch ten lavór, ako B11x. Problémom č.1 je pohon a č.2 je pásková dráha. Ak celú elektroniku B115 vrátane hláv prehádžem do mechaniky...dajme tomu GX-620, bude z toho slušný stroj. No neustále problémy s brzdami a privíjacou spojkou človeka natoľko otrávia, že časom zabudne na nutkanie používať tieto strojčeky na iné, než dekoráciu a občasné prehratie nejakej pásky. Moju B73 musím otvoriť minimálne raz ročne, aby som ju mechanicky udržal v 100% stave (ak ju pravidelnejšie používam). Naproti tomu GX-620 otvorím raz za 5 rokov, vyfúknem prach, popozerám, rekalibrujem a frčí ďalej. A nepochybujem, že takto prežije nielen mňa, ale aj ďalšiu generáciu. K pohonu by si mal asi podobné výhrady, ako k A77/B77 (keďže to Akai asi okopčil z Revoxu), ale časom prídeš na to, že je to fakt geniálne jednoduché, funkčné a za normálnych okolností nesmrteľné.
A treba si uvedomiť tiež jednu vec: na tie pásky už nemáme prakticky čo nahrávať. Na to, aby som si nahrával hi-res digitálne audio na kotúče a pozeral sa, ako pekne sa to točí a svietia budíky...toš na to je ten záznamový materiál sakra drahý. Primárne kotúčaky používam na prehrávanie pásov nahraných v 70-tych a 80-tych rokoch, kde sú už neopakovateľné programy a skladby, ktoré sa na digitále možno ani neobjavili. Holt, často na pásoch typu PE41, Scotch 220 a Basf DP25 s rozsahom končiacim prinajlepšom niekde na 12,5 kHz. Takže nejaká extra mašina s rozsahom do 30k mi je beztak k ničomu.
Btw., Ballfinger tiež vyrába pekné stroje...čo myslíš, koľko ich ročne asi tak predá?
Návrat nahoru
Zobrazit informace o autorovi Odeslat soukromou zprávu
AdamVarga



Založen: Nov 04, 2018
Příspěvky: 473

PříspěvekZaslal: pá září 16 2022, 15:33    Předmět: Citovat

S tou astronomickou cenovkou ballfinger nepredá ani jeden. Už mimochodom ani nevyrába a počul som že je to celkom chudobne vybavemý magič (použité zdanlivo nesprávne dimenzované mechanické a elektronické prvky) avšak nikdy som sa s ním nestretol.

Pripravuje sa nejaký vraj štúdiový ballfinger ale tak nič moc pod kapotou. Stále to nemá v sebe nič natož nejaký dolby procesor.
Návrat nahoru
Zobrazit informace o autorovi Odeslat soukromou zprávu
TheLastUnicorn



Založen: Jan 17, 2018
Příspěvky: 523
Bydliště: Trenčín

PříspěvekZaslal: pá září 16 2022, 20:13    Předmět: Citovat

Pane, ja si Ballfinger zastávať nejdem, ale až raz niečo skúsiš vyrobiť vo viac, než jednom kuse a skúsiš to predávať byť len na domácom trhu, tak veľmi rýchlo prídeš na jednoduchú matematiku.
Aby si nebol v strate, tak na výrobné náklady pridaj 100% a k tomu DPH.
Ja viem, že sa tu teraz cítiš najmúdrejším a celý svet to robil a robí podľa Teba na p... Ale momentálne si vyšiel zo školy, o skutočnej produkcii byť len malosériovej vieš úplné h...o, nikdy si evidentne nepostavil nič, čo by sa dalo predávať a teda trochu pokory by Ti neuškodilo. Ono sa na to všetko budeš o takých 15 rokov pozerať úplne inak a za svoje príspevky sa budeš hanbiť.
Že entuziazmus a slušné základy odbornosti Ti nechýbajú, to samozrejme nepopieram a môžem povedať, že vzhľadom k Tvojmu veku klobúk dolu.
To je z mojej strany k tomuto vláknu všetko.
Návrat nahoru
Zobrazit informace o autorovi Odeslat soukromou zprávu
AdamVarga



Založen: Nov 04, 2018
Příspěvky: 473

PříspěvekZaslal: pá září 16 2022, 20:58    Předmět: Citovat

Fajn. Vyzerá že teda môžem to kompletne zabaliť. Tak asi si vyrobím len jeden kus pre seba a hotovo ak možno aj to. Velice ma nebaví počúvať "nerob to" a "to sa nedá" a podobné veci. Ale vyzerá to tak že akákoľvek snaha robiť hocičo na slovensku/česku je okamžite zakopaná je jedno že čím. Preto som aj prestal vyrábať zosilňovače pretože mi bolo povedané že načo keď číňan vyrába 100W stavebnicu. Touto logikou ma to už maximálne nebaví.
Návrat nahoru
Zobrazit informace o autorovi Odeslat soukromou zprávu
AdamVarga



Založen: Nov 04, 2018
Příspěvky: 473

PříspěvekZaslal: čt říjen 06 2022, 18:33    Předmět: Citovat

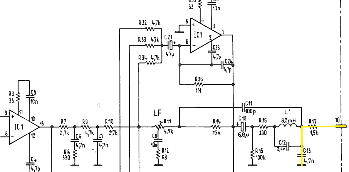
Snímací zosilňovač pre trojrýchlostný MGF 9 19 38

Graf ukazuje frekvenčnú charakteristiku.
Červvená 9,53cm/s (3180us-90us)
modrá 19,05cm/s (70us)
zelená 38.1cm/s (35us)

Ekvalizácia je v súlade štandardu pre rýchlosť 9 s IEC2/NAB, pre rýchlosti 19,38 so štandardom DIN Studio/IEC1/CCIR



SZ_9_19_38.png
 Komentář:
 Velikost:  22.71 kB
 Zobrazeno:  155 krát

SZ_9_19_38.png



SZ_9_19_38_SCHEMA.png
 Komentář:
 Velikost:  41.33 kB
 Zobrazeno:  218 krát

SZ_9_19_38_SCHEMA.png


Návrat nahoru
Zobrazit informace o autorovi Odeslat soukromou zprávu
AdamVarga



Založen: Nov 04, 2018
Příspěvky: 473

PříspěvekZaslal: ne prosinec 04 2022, 6:20    Předmět: Citovat

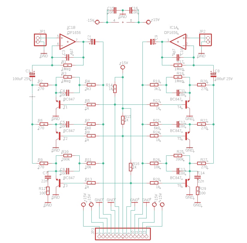
Tak prešiel nejaký čas a konečne som sa zasa mal čas tomuto venovať. Predzes zo schémy som postavil a vyskúšal a nepochybne funguje a to celkom výborne.
Vopred sem napíšem že finálny predzes nebude mať práve prehistorickú TL071 ale moderný celkom skvelý budget dual operák OPA1656.

Pokusný predzes som ale osadil s TL071, to čom mal po ruke keďže OPA1656 má zrejme len Mouser alebo teda ako to budem ja kupovať: priamo od TI

Toto je prakticky 1:1 kópia predzosilňovača z Revoxa A700. Napriek tomu že ten kotúčak nieje zrovna naj obľúbenejší práve z tej zvukovej stránky, tak ako som doloval po nete tak každý nadáva na to isté a to je šum. Tie operáky z konca 70tich rokov napriek tomu že boli špeciálne určite nebudú lepšie ako moderné OPA1656.

Trebalo tu akurát brať ohľad na maximálny vstupný prúd do vstupov operáku. Našlo sa pár špekulantov čo tie originálne operáky v A700vke menili za NE5532 čo sa ukázalo ako problém keďže hlavy sú priamo pripojené na vstup operáka DC Väzbou, a keďže nieje možné oba napájacie zdroje zapnúť naraz tak určitý moment potečie snímacou hlavou 0.2uA až 0.8uA čo je dosť na jej magnetizáciu, čo sa aj v realite dialo. To sa s OPA1656 nestane. (Input bias current 10pA-20pAmax)

Takže k tomu čo som zistil. Ten predzes aj s TL071 je dobrý, fakt dobrý. Všimol som si len zopár zaujimavostí.

Obvod som skúšal na dvoch MGF a to teda Revox A77 a B115. Prekvapivo obe snímacie hlavy majú +/- rovnakú citlivosť teda output, revoxácka hlava asi o niečo máličko silnejší výstup. To nebolo ale to najzaujimavejšie, práve čo ma zarazilo že ako hrozne šumí B115 oproti A77 napriek identickému snímaciemu zesu.

Parametre testu:
Páska BASF DP26 LH
Odmazaná na Revox A77

Túto pásku- práve odmazanú som prehral na A77 s tým mojim snímacím predzesom, a na B115 tiež s tým mojim snímacím predzesom, a nedokážem si predstaviť prečo hlava B115 tak drasticky šumí oproti A77. Teda nijak inak ako že by to malo niečo spoločné s páskovou dráhou samotnou. Ten rozdiel v šume je asi solidných 5 až 7dB a to na mojej B115 sú prakticky nové hlavy.

Nijaké fyzikálne limity hláv by tu asi nemali hrať rolu, a ani elektrické. Zosilnenie bolo rovnaké pre oba testy, hlasitosť bola tiež prakticky rovnaká ktorú tie hlavy produkovali, takže nechápem. A som si istý že to nepochádza z elektroniky pretože ten šum nieje počuť až do momentu ako sa páska hýbe.

Predpokladám že ten šum práve pochádza z páskovej dráhy a toho že sa o tú pásku derie dosť vodiacich prvkov aj samotné hlavy a sú dosť blízko k sebe. Nehovoriac že vďaka konštrukcií dráhy je prítlak na snímaciu hlavu značne väčší ako ostatné vďaka odporu dráhy. V kontraste s A77 na tej páskovej dráhe nieje skoro nič.

Detaily na ktoré som úplne zabudol, Revox A77 nahráva NAB na 19tku a teda nesedí horná časová konštanta ani dolná ktorá tam nemá čo hľadať , to som ale doladil ekvalizérom na PC takže až tak extra ma to netrápilo, čo celkom prekvapilo je že časové konštanty B115 sú tiež celkom mimo čo sa týka prenosnosti záznamu.. a ano toto som mohol zistiť už aj z grafov v servisnom manuáli ale akosi som to v tom čase neriešil.

9.53cm/s rýchlosť je presne ako má byť podľa CCIR čiže dolná 3180us a horná 100us. Toto sedelo dokonale. Ale 19tka trocha nasrala že to nieje ani NAB ani CCIR pretože to má dolnú konštantu 3180us a hornú 70us. Horná sedí na CCIR ale dolná tam nemá čo hľadať. Tak to potom pridávalo basy až do neviem kam na tom snímacom zosilňovači to bolo hrozne počuť. Takže bohužiaľ za žiadnych okolností nieje možné prenášať záznam z B115 na revoxy alebo opačne aj keby je to CCIR varianta. Ono to vlastne celkom dáva zmysel zo strany konštruktérov, pretože sa takto snažili potalčiť brum ktorý z môjho predzesu čo má zisk 77dB pri 15Hz takmer nemožné zbaviť sa. Na finálnom kotúčaku ak ho vôbec vyrobím tak tienie okolo snímacej hlavy bude musieť byť EXTRÉMNE, alebo to proste obmedziť. To je ale ešte o kus dalej.

Snímací zes bol ale dobrý, napriek tomu že pokusný posluch bol len mono a z TL071 zo šuflíka.

Ďalšia vec ktorá je dosť vidieteľná na hlavách B115 je práve tá kopcovitosť pod 200Hz. Možno by to šlo vykompenzovať nejakými RC do "dokonalosti".

Ešte také malé PS: keď som pripájal hlavy k snímacím zesom tak samozrejme dostali každá svoje paralelné kondenzátory ako si ich originálna schéma pýtala (Pre revoxa 100pF paralelne s 82k rezistorom zapojené paralelne k hlave a pre B115 1k8 sériovo s hlavou, 100k paralelne k hlave spolu s 47pF paralelne k hlave.)



photo_2022-12-04_05-35-39.jpg
 Komentář:
 Velikost:  185.26 kB
 Zobrazeno:  141 krát

photo_2022-12-04_05-35-39.jpg



photo_2022-12-04_05-35-31.jpg
 Komentář:
 Velikost:  157.93 kB
 Zobrazeno:  140 krát

photo_2022-12-04_05-35-31.jpg



photo_2022-12-04_05-34-59.jpg
 Komentář:
Charakteristika B115 19,05cm/s

Podotýkam -10dB je v realite 0dB. Bol som lenivý nastaviť stupnicu
 Velikost:  72.72 kB
 Zobrazeno:  131 krát

photo_2022-12-04_05-34-59.jpg



photo_2022-12-04_05-51-19.jpg
 Komentář:
Plošák, ešte som sa rozhodol že pridám trimre na nastavenie hornej konštanty do dokonalosti..akosi som zabudol že SMD MLCC majú toleranciu prevažne 10%+/- aj keď teda viem že velice zriedkavo nastane situácia blížiaca sa krajným extrémom takže sa to troch
 Velikost:  117.61 kB
 Zobrazeno:  112 krát

photo_2022-12-04_05-51-19.jpg



photo_2022-12-04_05-51-18.jpg
 Komentář:
Schéma, tiež teda pribudnú trimre na doladenie časových konštánt a ešte som sa rozhodol že teda pridám aj 4tú rýchlosť posuvu takže tam budú
9,53cm/s: 3180us-90us (NAB/IEC2)
19,05cm/s: 70us (IEC1/CCIR)
38,1cm/s: 35us (IEC1/CCIR)
76cm/s: 17.5us (IEC2/
 Velikost:  75.45 kB
 Zobrazeno:  122 krát

photo_2022-12-04_05-51-18.jpg


Návrat nahoru
Zobrazit informace o autorovi Odeslat soukromou zprávu
Kremik



Založen: Mar 30, 2012
Příspěvky: 3654
Bydliště: Havířov

PříspěvekZaslal: ne prosinec 04 2022, 8:14    Předmět: Citovat

Tyhle experimenty jsem nedělal, ale pokud bych měl dvě hlavy, z nichž jedna by z pásku snímala šum a druhá ne, tu druhou bych považoval za "hluchou". Jestli to ovšem nebude rozdílnými RC mezi hlavou a zesilovačem.
Určitě bych teda skusil, jak snímají záznam v intenzitě srovnatelné se šumem. Jestli to bude podobné, nebo ta hluchá v určitém spektru přehraje míň.

Kdysi jsem narazil na hlavu, jejíž jeden systém byl podstatně horší než druhý. Nepřišel jsem na to proč. Sjetá moc nebyla, špinavá také ne, ať jsem dělal co dělal, jeden systém byl prostě divný. Víc už nevím, je to dlouho. Nebylo to nic našeho, nějaký cizokrajný stroj, beztak po plyšáku dotáhnutý z Německa...
Návrat nahoru
Zobrazit informace o autorovi Odeslat soukromou zprávu Odeslat e-mail
Hill
Administrátor


Založen: Sep 10, 2004
Příspěvky: 21010
Bydliště: Jičín, Český ráj

PříspěvekZaslal: ne prosinec 04 2022, 9:34    Předmět: Citovat

AdamVarga napsal(a):
...Ďalšia vec ktorá je dosť vidieteľná na hlavách B115 je práve tá kopcovitosť pod 200Hz. Možno by to šlo vykompenzovať nejakými RC do "dokonalosti".

Ešte také malé PS: keď som pripájal hlavy k snímacím zesom tak samozrejme dostali každá svoje paralelné kondenzátory ako si ich originálna schéma pýtala (Pre revoxa 100pF paralelne s 82k rezistorom zapojené paralelne k hlave a pre B115 1k8 sériovo s hlavou, 100k paralelne k hlave spolu s 47pF paralelne k hlave.)

První věc: tu "kopcovitost" asi nijak významně nepotlačíš. Zkoušel jsem to jak s ANP935, tak s ANH210, ale ta ANP935 nebyla nijak výrazně horší, i když pásek byl přitlačovaný polštářkem a s s čelem hlavy v delším kontaktu, než s čelem v B115. Do rychlosti 19 cm/s to ale není tak kritické, při vyšší jsem to neměřil. Je ale logické, že s dvojnásobkem rychlosti se stejné zvlnění projeví o oktávu výše.
Horší je, že maxima a minima toho zvlnění nezůstává na stejných kmitočtech, nejméně "se stěhují" u tužších pásků, LP je už docela stabilní.
Pásky DP jsem přehrál třikrát, čtyřikrát, a pokaždé to bylo jinde, klidně i o 25 %. A ještě ty kmitočty závisely na tom, jestli měřím Agfu, BASF, nebo Scotch. To abys kalibroval na každý pásek jinak.

K tomu malému PS: v B115 slouží kondenzátor 47 pF především jako Base stopper, do rezonance s hlavou moc nemluví (to by musel rezonovat nad 40 kHz), protože je ta rezonance silně zatlumená vstupním odporem zesilovače, odporem M1 a odporem 1k8 v sérii s hlavou, který ale jen vylepšuje šumové přizpůsobení.
Ale můžeš využít i rezonance s hlavou, když k ní připojíš paralelně sériový RC článek 120 pF + 27 k (ostatní zapojení vstupu snímacího zesilovače zůstane beze změny), a příslušně upravíš snímací korekce, tím opět o trochu zmenšíš šum. Ale to vyhoví do devatenáctky rychlosti, pro rychlosti vyšší to postrádá smysl.

Chtěl jsem dodat: nepozastavuj se nad časovými konstantami, které ti vyšly, nebo jsi je naměřil, u továrních přístrojů: ne, že by výrobci odmítali respektovat některou normu, ale museli zohlednit i vlastnosti snímací hlavy pro etalonový pásek z důvodu přenositelnosti záznamů. Většinou vyšla výsledná snímací charakteristika rovná při mírně odlišné horní časové konstantě korekce. Nic zvláštního.
Návrat nahoru
Zobrazit informace o autorovi Odeslat soukromou zprávu
AdamVarga



Založen: Nov 04, 2018
Příspěvky: 473

PříspěvekZaslal: ne prosinec 04 2022, 17:16    Předmět: Citovat

Hill napsal(a):
AdamVarga napsal(a):
...Ďalšia vec ktorá je dosť vidieteľná na hlavách B115 je práve tá kopcovitosť pod 200Hz. Možno by to šlo vykompenzovať nejakými RC do "dokonalosti".

Ešte také malé PS: keď som pripájal hlavy k snímacím zesom tak samozrejme dostali každá svoje paralelné kondenzátory ako si ich originálna schéma pýtala (Pre revoxa 100pF paralelne s 82k rezistorom zapojené paralelne k hlave a pre B115 1k8 sériovo s hlavou, 100k paralelne k hlave spolu s 47pF paralelne k hlave.)

První věc: tu "kopcovitost" asi nijak významně nepotlačíš. Zkoušel jsem to jak s ANP935, tak s ANH210, ale ta ANP935 nebyla nijak výrazně horší, i když pásek byl přitlačovaný polštářkem a s s čelem hlavy v delším kontaktu, než s čelem v B115. Do rychlosti 19 cm/s to ale není tak kritické, při vyšší jsem to neměřil. Je ale logické, že s dvojnásobkem rychlosti se stejné zvlnění projeví o oktávu výše.
Horší je, že maxima a minima toho zvlnění nezůstává na stejných kmitočtech, nejméně "se stěhují" u tužších pásků, LP je už docela stabilní.
Pásky DP jsem přehrál třikrát, čtyřikrát, a pokaždé to bylo jinde, klidně i o 25 %. A ještě ty kmitočty závisely na tom, jestli měřím Agfu, BASF, nebo Scotch. To abys kalibroval na každý pásek jinak.


To je škoda zároveň velice zaujímavé. Neviem si predstaviť prečo by sa LP a DP pásky chovali inak. Ja čo som zistil že na páskach DP je jedno akých sa tie kopce vyskitujú skoro na identických miestach (+/- 2%). Amplituda ale závisela na tom ako dobrá bola daná páska...frekvenčne to bolo ale vždy tam kde malo. Inak na iných páskach ma to ani nenapadlo skúšať. Pomeriam keď bude čas a možnosť. Rozhodne nevylučujem moju vlastnú blbosť pri "meraní"..

Hill napsal(a):
K tomu malému PS: v B115 slouží kondenzátor 47 pF především jako Base stopper, do rezonance s hlavou moc nemluví (to by musel rezonovat nad 40 kHz), protože je ta rezonance silně zatlumená vstupním odporem zesilovače, odporem M1 a odporem 1k8 v sérii s hlavou, který ale jen vylepšuje šumové přizpůsobení.
Ale můžeš využít i rezonance s hlavou, když k ní připojíš paralelně sériový RC článek 120 pF + 27 k (ostatní zapojení vstupu snímacího zesilovače zůstane beze změny), a příslušně upravíš snímací korekce, tím opět o trochu zmenšíš šum. Ale to vyhoví do devatenáctky rychlosti, pro rychlosti vyšší to postrádá smysl.

Takže k hlave 100k rezistor paralelne a ešte RC článok paralelne k hlave tiež ak som dobre pochopil? Rozmýšlam že celkovo tieto paralelné rezonančné obvody by som najradšej vynechal úplne. Moderné operáky tak moc nešumia aby sa tomu nedalo pridvihnúť na aktívnych korekciách.

Hill napsal(a):
Chtěl jsem dodat: nepozastavuj se nad časovými konstantami, které ti vyšly, nebo jsi je naměřil, u továrních přístrojů: ne, že by výrobci odmítali respektovat některou normu, ale museli zohlednit i vlastnosti snímací hlavy pro etalonový pásek z důvodu přenositelnosti záznamů. Většinou vyšla výsledná snímací charakteristika rovná při mírně odlišné horní časové konstantě korekce. Nic zvláštního.


To je všetko pekné ale moc to neospravedlňuje že aj snímací zes aj záznamový zes majú práve 3180us konštantu takže sa to tvári ako NAB ale horná je CCIR 70us. Zaujimavo divné. Prekvapivo Revox A700 mali pokiaľ teda rezistory a kondenzátory majú 0% toleranciu tak presne také časové konštanty ako majú mať podľa CCIR alebo NAB. Možno mali až tak dobré hlavy že nebolo potreba riešiť nejaké špekulácie?

Stále ma zaujíma prečo tie ANH hlavy tak hrozne šumia oproti hláv v A77. Nedáva mi to moc zmysel, teda absolutne.
Návrat nahoru
Zobrazit informace o autorovi Odeslat soukromou zprávu
Kremik



Založen: Mar 30, 2012
Příspěvky: 3654
Bydliště: Havířov

PříspěvekZaslal: ne prosinec 04 2022, 18:05    Předmět: Citovat

Měl jsi u obou hlav stejně nastavenou kolmost? Obvykle když mažeš pásek, zároveň na něj nahráváš i nějaký šum. Je to velký rozdíl oproti smazání pásku na stroji, jež má vyřazenou záznamovou hlavu. Měl jsem tak upravenou jednu SP210 a ten rozdíl mě opravdu překvapil. Některé i úplně nové kazety po tomto smazání byly tišší než po zakoupení. Tak jestli ta ANH210 jen správně nesnímala zaznamenaný šum.
Návrat nahoru
Zobrazit informace o autorovi Odeslat soukromou zprávu Odeslat e-mail
konosuke



Založen: Dec 18, 2006
Příspěvky: 9790
Bydliště: Český Těšín tam v pohraničí

PříspěvekZaslal: ne prosinec 04 2022, 18:11    Předmět: Citovat

Vizuálně dobrý mago, podobný Philips N4420 a že hlučnost mechaniky?
To ano, jednomotorák, převody.
Jo přišel na trh tak 10 let pozdě dříve malá senzace, cena takmer lidová...
(nesrovnávejte s ReVoX, Fabia není Porsche)

_________________
Co se může pokazit to se taky pokazí. Co se nemůže pokazit to se pokazí taky. (Murphy)
Návrat nahoru
Zobrazit informace o autorovi Odeslat soukromou zprávu
Hill
Administrátor


Založen: Sep 10, 2004
Příspěvky: 21010
Bydliště: Jičín, Český ráj

PříspěvekZaslal: ne prosinec 04 2022, 19:19    Předmět: Citovat

Ono je to s těmi časovými konstantami složitější:
- pro rychlost 9,52 cm/s byly normy IEC, DIN, NAB, CCIR i ČSN36 8420 v dolní i horní časové konstantě stejné, tedy 3180 µs a 90 µs, a to jak pro rozmnožované programy, tak pro magnetofony pro širokou potřebu.
V zemích východního bloku byla platná ještě do 70. let dolní časová konstanta 1590 µs (Tesla ji používala až do řady B90; B73 už má ve snímací cestě dolní časovou konstantu trochu nižší, kolem 1900 µs, aby se charakteristiky vešly do tolerančního pole při přehrávání pásků nahraných na magnetofonech Tesla i na magnetofonech se záznamem podle DIN; záznamové korekce ale dál používají 1590 µs; až řada B113 a výše má snímací korekci podle DIN, záznamová má tu časovou konstantu kompromisní, asi 2,3 ms).

- pro rychlost 19,05 cm/s se používají v Evropě dvě charakteristiky:
-- pro profesionální výměnu pořadů se v hloubkách nekoriguje (τ=∞), horní čas.konstanta 70 µs
-- pro rozmnožované programy a všeobecné použití je dolní časová konstanta 3,18 ms, horní čas. konstanta 50 µs.
(Tesla v modelu B43 používá ještě dolní časovou konstantu 1590 µs i pro devatenáctku)

- pro rychlost 38,1 cm/s se hloubky nekorigují, horní časová konstanta 35 µs podle IEC, DIN, CCIR (jen podle NAB je 50 µs). Tato rychlost je určená k profesionálnímu využití, s touto rychlostí rozmnožovanými programy a všeobecným použitím v magnetofonech pro širokou potřebu se nepočítá.

K tomu podotýkám, že ta situace s korekcí hloubek není tak kritická, jak by se podle čísel jevilo. Ony jsou totiž v zapojeních také nějaké vazební kapacity, které způsobují pokles zisku v hloubkách, takže zdůraznění o 3 dB na 50 Hz při záznamu je spíše hypotetická hodnota (o zvlnění charakteristiky opásáním, které se mění i podle toho, jak který pásek "lepí" na čelo hlavy, a jak se ta délka úseku mění s tahy v tónové dráze, teď neuvažuji). Podle původní normy CCIR, kterou kolem roku 1957 převzala Tesla do podnikové normy (a později byla převzatá i do původní ČSN, kterou tuším v roce 1976 nahradila nová ČSN36 8420, novelizovaná v roce 1994 změnou IEC94-7:1994/A1, ale ta se zabývá jen pásky v kazetách), už je teoretické zdůraznění záznamu skoro 5 dB, v praxi to opět omezují vazební členy.
Čili ten 1 dB rozdílu na 63 Hz těžko uslyšíš, rušivě by se mohl projevit až při vícenásobném přepisu.


Naposledy upravil Hill dne ne prosinec 04 2022, 22:14, celkově upraveno 1 krát.
Návrat nahoru
Zobrazit informace o autorovi Odeslat soukromou zprávu
AdamVarga



Založen: Nov 04, 2018
Příspěvky: 473

PříspěvekZaslal: ne prosinec 04 2022, 21:27    Předmět: Citovat

Kremik napsal(a):
Měl jsi u obou hlav stejně nastavenou kolmost? Obvykle když mažeš pásek, zároveň na něj nahráváš i nějaký šum. Je to velký rozdíl oproti smazání pásku na stroji, jež má vyřazenou záznamovou hlavu. Měl jsem tak upravenou jednu SP210 a ten rozdíl mě opravdu překvapil. Některé i úplně nové kazety po tomto smazání byly tišší než po zakoupení. Tak jestli ta ANH210 jen správně nesnímala zaznamenaný šum.


Kolmost na hlavách Revoxa A77 bola nastavená dokonale, na B115tke len tak ako to šlo vzhľadom na to že nemá už žiaden vodiaci prvok za snímacou hlavou iba kladku ktorá to dosť vychiluje.

Elektronika v revoxe A77 nieje vôbec ideálna ale nešumí natoľko aby to bol tak drastický problém, a to v B115 tiež vylučujem takúto vec keďže tam privádzam linkový vstup a obchádzam predzes B115tky a tlačím priamo do záznamových zesov.

Konosuke napsal(a):
Vizuálně dobrý mago, podobný Philips N4420 a že hlučnost mechaniky?
To ano, jednomotorák, převody.
Jo přišel na trh tak 10 let pozdě dříve malá senzace, cena takmer lidová...
(nesrovnávejte s ReVoX, Fabia není Porsche)


Dosť ma mrzí že sme sa stále nedostali vyššie na úrovni od takýchto komentárov. Tá A77 tiež nieje nič moc v mnoha ohľadoch čo sme tu už aj prešli. A aj keď porovnávame porsche s fábiou chcem vedieť PREČO je to rozdieľ, nie len to že je jedno je porsche a druhé fábia. Prečo je podvozok porsche lepší? No lebo má inú takúto a takúto konštrukciu. Odpoveď na túto otázku nieje "lebo to nieje fábia". Tesla je zlá lebo to nieje Revox. Z toho som sa veľa dozvedel.

Odpoveď pre Hilla:
Je zaujimavé že sa používali dve charakteristiky. SKôr by som očakával že horná ostane ale dolná sa mení (čo vyzerá byt presne prípad B115 že horná je skutočne 70us. Dokonca aj v simulátore sa zhodnú tie krivky.

zoznam tých noriem je celkom fajn opísaných na tejto stránke len je to "English" čo by niekomu asi problém mohlo robiť
https://www.iasa-web.org/tc04/magnetic-tapes-replay-equalisation

Vybral som teda štúdiové okrem tej 9cm/s rýchlosti, tam je to jedno, tú aj tak budem používať tak že, asi vôbec Very Happy
Návrat nahoru
Zobrazit informace o autorovi Odeslat soukromou zprávu
AdamVarga



Založen: Nov 04, 2018
Příspěvky: 473

PříspěvekZaslal: so leden 21 2023, 16:29    Předmět: Citovat

No tak som zasa nejakú dobu tu neotravoval Very Happy Musím prispieť, ešte niesom mrtvý a nevzdal som to.

Na začiatok musím povedať že návrh snímacieho zosilňovača ako je vidieť na obrázkoch je už teraz "obsolete"

Zistil som totiž že spínacie tranzistory vnášajú dosť drastické skreslenie do obvodu (až 5%) pri takto velkom zosilnení vzniká neúnosne vysoké harmonické skreslenie. Budú tam jazýčkové relátka. Nedá sa to nijak elektronicky vyriešiť len ak by som to riešil na viac stupňov (minimálne 2) čo nieje nutné. Jazýčkové relátka budú fajn.

Na čo by som sa teraz chcel zamerať je záznamová časť.

Najprv teda sa hrám a rozmýšlam s B115, známy problém prenikanie predmagnetizačného prúdu do záznamového zosilňovača. Tak mám v pláne spraviť tomu "bias stop" podobne ako na B73 akurát namiesto laditelnej cievky tam bude ladiaci kondenzátor(tie sa ešte dnes naštastie vyrábajú) a dám to do série s tým 2kOhm rezistorom na výstupe záznamového zesu. To by malo zamedziť prenikanie predmagnetizačného prúdu do záznamového zesu, to by mohlo uumožniť rozumnejšie nastavenie predmagnetizačného prúdu a nielen hladať a dúfať triafať najplochšiu frekvenčnú charakteristiku (ale už sa môžem riadiť datasheetom pásiek)

Čo som ďalej skúmal je že ako sú skonštruované záznamové cesty magnetofónov STUDER A80 A800 A820 A810, a všetky univerzálne majú mazací a predmagnetizačný oscilátor. Mazací beží na 70kHz približne a predmagnetizačný 210kHz. A spôsob akým ten predmagnetizačný prúd privádzajú na hlavu je skrz transformátor ktorý je zapojený do série s hlavou teda medzi hlavou a záznamovým zosilňovačom. Tento spôsob sa mi páči akurát si to žiada dosť nízku výstupnú impedanciu záznamového zosilňovačaa neviem ako by som vyriešil linearizáciu záznamového prúdu v hlave mimo nejakých korekcií už pred výstupom.

V revoxu A700 sa jedná o identický princíp zavedenia predmagnetizácie akurát tam beží aj mazací aj záznamový prúd na rovnakej frekvencií. Výhoda takéhoto zavedenia predmagnetizácie je teda to že nieje potreba odlaďovať žiadnej zádrže predmagnetizácie.. Je tam nejaká absurdne malá kapacita na výstupe záznamového zosilňovača ktorá zachytí všetok predmagnetizačného prúdu. Ale neviem nakoľko dobre toto funguje. Furt by som chcel hlavu priamo krmiť z operáku (aj keď teda nie z integráču ale z diskrétneho na väčší rozkmit napätia a tiež rýchlosť) ale toto zatiaľ vyzerá ako spôsob na hranie sa dokiaľ to nevyriešim presne podľa mojich predstáv,,alebo ako zbytočný upgrade pre B115 Very Happy .

Uvidíme ako to dopadne. Zatial sa pohrám s B115 dám do nej zádrž na predmagnetizačný prúd a potom sa ďalej budem hrať. (Výmena záznamových a snímacích zesov a budem skúšať naďalej)



Predmagnetizácia Revox A700.png
 Komentář:
 Velikost:  181.51 kB
 Zobrazeno:  119 krát

Predmagnetizácia Revox A700.png



Bez názvu.png
 Komentář:
 Velikost:  84.63 kB
 Zobrazeno:  119 krát

Bez názvu.png


Návrat nahoru
Zobrazit informace o autorovi Odeslat soukromou zprávu
Zobrazit příspěvky z předchozích:   
Přidat nové téma   Zaslat odpověď       Obsah fóra Diskuzní fórum Elektro Bastlírny -> Audiotechnika Časy uváděny v GMT + 1 hodina
Jdi na stránku Předchozí  1, 2, 3, 4 ... 13, 14, 15  Další
Strana 3 z 15

 
Přejdi na:  
Nemůžete odesílat nové téma do tohoto fóra.
Nemůžete odpovídat na témata v tomto fóru.
Nemůžete upravovat své příspěvky v tomto fóru.
Nemůžete mazat své příspěvky v tomto fóru.
Nemůžete hlasovat v tomto fóru.
Nemůžete připojovat soubory k příspěvkům
Můžete stahovat a prohlížet přiložené soubory

Powered by phpBB © 2001, 2005 phpBB Group
Forums ©
Nuke - Elektro Bastlirna

Informace na portálu Elektro bastlírny jsou prezentovány za účelem vzdělání čtenářů a rozšíření zájmu o elektroniku. Autoři článků na serveru neberou žádnou zodpovědnost za škody vzniklé těmito zapojeními. Rovněž neberou žádnou odpovědnost za případnou újmu na zdraví vzniklou úrazem elektrickým proudem. Autoři a správci těchto stránek nepřejímají záruku za správnost zveřejněných materiálů. Předkládané informace a zapojení jsou zveřejněny bez ohledu na případné patenty třetích osob. Nároky na odškodnění na základě změn, chyb nebo vynechání jsou zásadně vyloučeny. Všechny registrované nebo jiné obchodní známky zde použité jsou majetkem jejich vlastníků. Uvedením nejsou zpochybněna z toho vyplývající vlastnická práva. Použití konstrukcí v rozporu se zákonem je přísně zakázáno. Vzhledem k tomu, že původ předkládaných materiálů nelze žádným způsobem dohledat, nelze je použít pro komerční účely! Tento nekomerční server nemá z uvedených zapojení či konstrukcí žádný zisk. Nezodpovídáme za pravost předkládaných materiálů třetími osobami a jejich původ. V případě, že zjistíte porušení autorského práva či jiné nesrovnalosti, kontaktujte administrátory na diskuzním fóru EB.


PHP-Nuke Copyright © 2005 by Francisco Burzi. This is free software, and you may redistribute it under the GPL. PHP-Nuke comes with absolutely no warranty, for details, see the license.
Čas potřebný ke zpracování stránky 0.21 sekund