Vítejte na Elektro Bastlírn?
Nuke - Elektro Bastlirna
  Vytvořit účet Hlavní · Fórum · DDump · Profil · Zprávy · Hledat na fóru · Příspěvky na provoz EB

Vlákno na téma KORONAVIRUS - nutná registrace


Nuke - Elektro Bastlirna: Diskuzní fórum

 FAQFAQ   HledatHledat   Uživatelské skupinyUživatelské skupiny   ProfilProfil   Soukromé zprávySoukromé zprávy   PřihlášeníPřihlášení 

SONY Trinitron KV21LS30K

 
Přidat nové téma   Zaslat odpověď       Obsah fóra Diskuzní fórum Elektro Bastlírny -> Servis televizorů, monitorů a projektorů - PROFI sekce
Zobrazit předchozí téma :: Zobrazit následující téma  
Autor Zpráva
hajeklubos



Založen: May 01, 2008
Příspěvky: 878
Bydliště: Praha 5

PříspěvekZaslal: po září 26 2022, 13:02    Předmět: SONY Trinitron KV21LS30K Citovat

Zdravím bastlírnu.
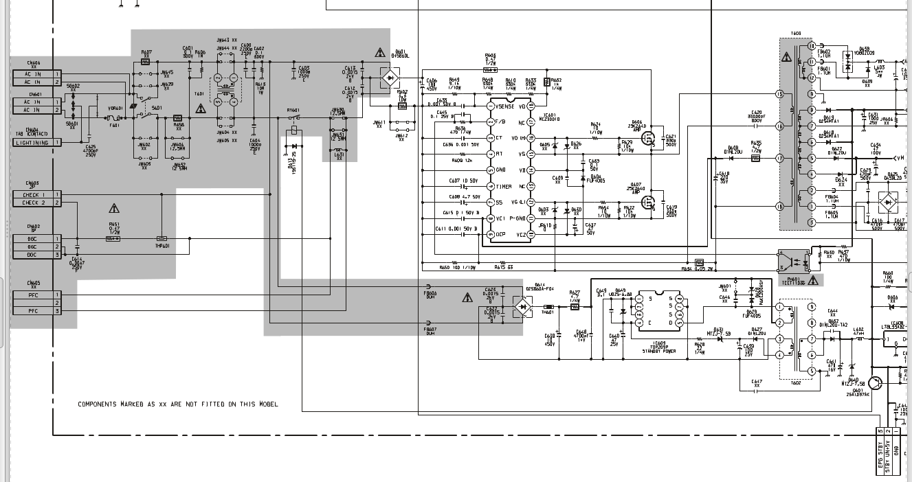
SONY Trinitron KV21LS30K (je to flaška, obrazovka jede jako z praku) nestartuje hlavní impulzní zdroj. Naběhne to na 10tý atd při pokusu startu „piškotem“. Je slyšet jak relé sepne a odpadá. Když to naběhne jede OK. Schema jsem našel, tedy doufám, ještě jsem do toho nevletěl, tak se ptám jestli někdo neřešil stejný problém. Každá zkušenost kam jít první se hodí. Pokud vidím dobře, startuje to relé RY601. Až to otevřu, zkontroluju pomocný zdroj a přítomnost U na cívce RY601 a začnu kontrolou kondíků. Zatím nevím co honí kontakty relé 56D1proti drcu od impulzáku. Tam by na R také mohl být problém. Ani by nevadilo zapínat to bez piškotu (Dálkové ovládání) rovnou do zdi. Stejně to funguje jenom jako monitor se vstupem SCART. To je další problém, když to zahodím, musím zahodit DVD. Dík za nástřel. Přikládám kus schematu, snad to je čitelné?
Luboš



SonyKV21LS30zdroj.png
 Komentář:
 Velikost:  148.55 kB
 Zobrazeno:  334 krát

SonyKV21LS30zdroj.png


Návrat nahoru
Zobrazit informace o autorovi Odeslat soukromou zprávu
JirkaZ



Založen: Feb 26, 2021
Příspěvky: 3730

PříspěvekZaslal: po září 26 2022, 13:33    Předmět: Citovat

Začal bych tou kontrolou elektrolytů (ale i dalších C a R).

Elyty především na ESR, kapacita je druhotná (co má dobré ESR, málokdy ztratilo kapacitu).

Bez základního měření tohoto typu je zbytečné spekulovat.
Návrat nahoru
Zobrazit informace o autorovi Odeslat soukromou zprávu
Ivan_01



Založen: Sep 15, 2018
Příspěvky: 1404
Bydliště: BB SK

PříspěvekZaslal: po září 26 2022, 14:06    Předmět: Citovat

v poznámkach mám, že skontrolovať v akom stave sú tie tri 330k odpory v schéme priamo nad riadiacim IO
Návrat nahoru
Zobrazit informace o autorovi Odeslat soukromou zprávu
ZdenekHQ
Administrátor


Založen: Jul 21, 2006
Příspěvky: 25741
Bydliště: skoro Brno

PříspěvekZaslal: po září 26 2022, 15:16    Předmět: Citovat

Ty přerušený vysokoohmový odpory jsou klasická závada obecně, ale málokdo si na to vzpomene, když pořád mění ty stejný elyty. Zrovna před týdnem jsem řešil podobnou závadu u malýho zdroje...
_________________
Pro moje oslovení klidně použijte jméno Zdeněk
Správně navržené zapojení je jako recept na dobré jídlo.
Můžete vynechat půlku ingrediencí, nebo přidat jiné,
ale jste si jistí, že vám to bude chutnat[?
]
Návrat nahoru
Zobrazit informace o autorovi Odeslat soukromou zprávu Zobrazit autorovy WWW stránky
Jozo1234



Založen: Sep 28, 2021
Příspěvky: 73

PříspěvekZaslal: st září 28 2022, 15:51    Předmět: Citovat

Najprv vymeň MCZ3001 potom laboruj ďalej (v ničom inom to nebude). Nápoveda - ohrej ho troška teplofukom - TV bude nabiehať okamžite.
Návrat nahoru
Zobrazit informace o autorovi Odeslat soukromou zprávu
hajeklubos



Založen: May 01, 2008
Příspěvky: 878
Bydliště: Praha 5

PříspěvekZaslal: ne říjen 02 2022, 9:10    Předmět: Citovat

Dík všem za nasměrování. Nejhorší je opravovat svojí vlastní elektroniku.
Podám zprávu.
Luboš
Návrat nahoru
Zobrazit informace o autorovi Odeslat soukromou zprávu
hajeklubos



Založen: May 01, 2008
Příspěvky: 878
Bydliště: Praha 5

PříspěvekZaslal: ne říjen 30 2022, 18:02    Předmět: Citovat

Tak podávám tu zprávu. Pomocný impulzák je OK. Zkontroloval jsem 3x M33 (hlavní impulzák)jsou OK. Jeden R jsem pro jistotu vytáhnul a vše pokusně nahradil 3xM33- závada trvá. Kontrola všech kondíků hlavního impuláku na - C a ESR – vše OK. Proklemoval jsem pokusně kontakt startovacího relé, tak, že na můstku je po zapojení do zdi trvale AC. Zdroj se pokouší startovat ale nenaběhne vůbec. Po vrácení do stavu pro start „piškotem“ nabíhá zdroj na 5x až 15tý pokus. Potom to běží celý den. Na pinu 1 je cca 3V (měřeno proti minusu C606 za chodu) Na pin18 ve stavu nekmitá je cca 300V, při naběhnutí asi 100Vdc. Také jsem se pokoušel blokovat podle internetu pin4 kondíkem 22n – nenabíhá vůbec. Vše nasvědčuje tomu co píše Jožo, MCZ3001 je v ...Podle internetu se závady točí hlavě okolo toho brouka. Že já blbec zahodil před půl rokem obdobné šásko, tam určitě byl. Tak, že těžký smutek.
Tak to zatím půjde takhle ,vrážet do toho peníze nemá moc cenu, škoda Trinitronu.
Dík za pomocLuboš
Návrat nahoru
Zobrazit informace o autorovi Odeslat soukromou zprávu
jano2



Založen: Dec 28, 2006
Příspěvky: 1777
Bydliště: Orava,sever

PříspěvekZaslal: ne říjen 30 2022, 20:36    Předmět: Citovat

Pozdravujem, nejaké chasis týchto TV tu mam, ak by bol záujem,,,
Návrat nahoru
Zobrazit informace o autorovi Odeslat soukromou zprávu Odeslat e-mail
hajeklubos



Založen: May 01, 2008
Příspěvky: 878
Bydliště: Praha 5

PříspěvekZaslal: po říjen 31 2022, 16:57    Předmět: Citovat

Pro Jano2.
Máš SZ
dík Luboš
Návrat nahoru
Zobrazit informace o autorovi Odeslat soukromou zprávu
Zobrazit příspěvky z předchozích:   
Přidat nové téma   Zaslat odpověď       Obsah fóra Diskuzní fórum Elektro Bastlírny -> Servis televizorů, monitorů a projektorů - PROFI sekce Časy uváděny v GMT + 1 hodina
Strana 1 z 1

 
Přejdi na:  
Nemůžete odesílat nové téma do tohoto fóra.
Nemůžete odpovídat na témata v tomto fóru.
Nemůžete upravovat své příspěvky v tomto fóru.
Nemůžete mazat své příspěvky v tomto fóru.
Nemůžete hlasovat v tomto fóru.
Nemůžete připojovat soubory k příspěvkům
Můžete stahovat a prohlížet přiložené soubory

Powered by phpBB © 2001, 2005 phpBB Group
Forums ©
Nuke - Elektro Bastlirna

Informace na portálu Elektro bastlírny jsou prezentovány za účelem vzdělání čtenářů a rozšíření zájmu o elektroniku. Autoři článků na serveru neberou žádnou zodpovědnost za škody vzniklé těmito zapojeními. Rovněž neberou žádnou odpovědnost za případnou újmu na zdraví vzniklou úrazem elektrickým proudem. Autoři a správci těchto stránek nepřejímají záruku za správnost zveřejněných materiálů. Předkládané informace a zapojení jsou zveřejněny bez ohledu na případné patenty třetích osob. Nároky na odškodnění na základě změn, chyb nebo vynechání jsou zásadně vyloučeny. Všechny registrované nebo jiné obchodní známky zde použité jsou majetkem jejich vlastníků. Uvedením nejsou zpochybněna z toho vyplývající vlastnická práva. Použití konstrukcí v rozporu se zákonem je přísně zakázáno. Vzhledem k tomu, že původ předkládaných materiálů nelze žádným způsobem dohledat, nelze je použít pro komerční účely! Tento nekomerční server nemá z uvedených zapojení či konstrukcí žádný zisk. Nezodpovídáme za pravost předkládaných materiálů třetími osobami a jejich původ. V případě, že zjistíte porušení autorského práva či jiné nesrovnalosti, kontaktujte administrátory na diskuzním fóru EB.


PHP-Nuke Copyright © 2005 by Francisco Burzi. This is free software, and you may redistribute it under the GPL. PHP-Nuke comes with absolutely no warranty, for details, see the license.
Čas potřebný ke zpracování stránky 0.14 sekund