Vítejte na Elektro Bastlírn?
Nuke - Elektro Bastlirna
  Vytvořit účet Hlavní · Fórum · DDump · Profil · Zprávy · Hledat na fóru · Příspěvky na provoz EB

Vlákno na téma KORONAVIRUS - nutná registrace


Nuke - Elektro Bastlirna: Diskuzní fórum

 FAQFAQ   HledatHledat   Uživatelské skupinyUživatelské skupiny   ProfilProfil   Soukromé zprávySoukromé zprávy   PřihlášeníPřihlášení 

Siemens LOGO teplota na Hz

 
Přidat nové téma   Zaslat odpověď       Obsah fóra Diskuzní fórum Elektro Bastlírny -> Měření, regulace a automatizace
Zobrazit předchozí téma :: Zobrazit následující téma  
Autor Zpráva
miror



Založen: Sep 14, 2006
Příspěvky: 324

PříspěvekZaslal: čt květen 19 2022, 20:07    Předmět: Siemens LOGO teplota na Hz Citovat

Zdravím , riešim taky problém chcem previesť rozsah napätia (teplota)cca.7V-10V na Hz. Použil som asynchrónny pulzný generátor len problém je v tom že výstupná frekvencia je nelineárna .Rozsah na pulznom generátore mam od 10ms po 100ms s krokom po 10 a strieda 1:1 Potreboval by som aby výstupna frekvencia bola od 1hz do 10Hz pripadne viac. ale lineárne. Teraz je to 5, 5.5, 6.2, 7.1, 8.3, 10, 12.5, 16.6, 25, 50 Viete niekto poradit ako to zapojit teda aký blok použit aby to bolo lineárne? Ak to nie je zrozumiteľné môžem priložiť aj zapojenie. Zatiaľ aspoň foto.


1.jpg
 Komentář:
 Velikost:  249.76 kB
 Zobrazeno:  223 krát

1.jpg


Návrat nahoru
Zobrazit informace o autorovi Odeslat soukromou zprávu
Jindra2



Založen: Aug 09, 2005
Příspěvky: 786

PříspěvekZaslal: pá květen 20 2022, 9:04    Předmět: Citovat

Koukni na Cmos 4046.
Jindra
Návrat nahoru
Zobrazit informace o autorovi Odeslat soukromou zprávu
patrikvarga



Založen: Apr 24, 2007
Příspěvky: 1278

PříspěvekZaslal: pá květen 20 2022, 10:03    Předmět: Citovat

LM331
Návrat nahoru
Zobrazit informace o autorovi Odeslat soukromou zprávu
Antares



Založen: Sep 01, 2011
Příspěvky: 46

PříspěvekZaslal: pá květen 20 2022, 15:15    Předmět: Citovat

Na takový úkol jsem používal spolehlivý (ikdyž trochu dražší) AD654JN. Zdraví Antares
Návrat nahoru
Zobrazit informace o autorovi Odeslat soukromou zprávu
bdn



Založen: Jan 16, 2020
Příspěvky: 564

PříspěvekZaslal: pá květen 20 2022, 17:07    Předmět: Citovat

Problém v tvém programu je, že lineárně se vstupem x(volty) 7V..10V, opět lineátně měníš hodnotu TH a TL, y(milisekundy)...
Protože frekvence je 1/ perioda, tak toto udělá namísto přímky nelineární tvar...


Naposledy upravil bdn dne ne květen 22 2022, 19:08, celkově upraveno 1 krát.
Návrat nahoru
Zobrazit informace o autorovi Odeslat soukromou zprávu
miror



Založen: Sep 14, 2006
Příspěvky: 324

PříspěvekZaslal: pá květen 20 2022, 20:36    Předmět: Citovat

Skúsim to podľa tej tabulky uvidím ako to pojde ,dam vediet

Jaj ja som to zle pochopil Mám z tebe bolení hlavy ,ty mi v tej tabuľke ukazuješ tu nelineárnost . Vedel by si poradit ako to upravit aby to bolo lineárne?
Návrat nahoru
Zobrazit informace o autorovi Odeslat soukromou zprávu
bdn



Založen: Jan 16, 2020
Příspěvky: 564

PříspěvekZaslal: ne květen 22 2022, 8:02    Předmět: Citovat

Koukám, že ani na fóru pro Logo nenašli řešení. URL: https://support.industry.siemens.com/forum/ww/en/posts/temperature-to-hz/281866/?page=0&pageSize=10
Návrat nahoru
Zobrazit informace o autorovi Odeslat soukromou zprávu
Hill
Administrátor


Založen: Sep 10, 2004
Příspěvky: 20980
Bydliště: Jičín, Český ráj

PříspěvekZaslal: ne květen 22 2022, 9:41    Předmět: Citovat

A co použít převodník U/f se NE555? Jestli bys netrval na střídě 1:1, jde to docela jednoduše.
S rostoucím řídicím napětím frekvence klesá, ale ani to by nemusel být problém, při stabilizovaném napájení 12 V a rozsahu řídicích napětí 7-10 V to má přesnost i linearitu velmi slušnou a vhodné odpory Ra i Rb a kapacitu si vylaboruj sám pro požadovaný rozsah přeladění.
Záleží samozřejmě na požadovaném rozsahu frekvence, jak moc lineární část vybereš.
Taky můžeš výstupem z NE555 hradlovat signál známého kmitočtu do čítače a nechat LOGO počítat periody toho známého kmitočtu. Čím vyšší ten kmitočet bude, tím vyšší rozlišení.



prevodnik_U-f.png
 Komentář:
 Velikost:  10.2 kB
 Zobrazeno:  148 krát

prevodnik_U-f.png


Návrat nahoru
Zobrazit informace o autorovi Odeslat soukromou zprávu
bdn



Založen: Jan 16, 2020
Příspěvky: 564

PříspěvekZaslal: ne květen 22 2022, 19:07    Předmět: Citovat

Ještě mě napadlo, co můžeš zkusit je náhrada nelineární křivky po částech lineární funkcí.
To znamená, že pokud x<(setpoint1) potom y=a1*x+b1,
pokud je x<(setpoint2) potom y=a2*x+b2
...
LOGO má bloky analog komparátor a matematic expression.
Samozřejmě a1,a2... b1,b2 jsou konstanty, které nějak musíš určit předem výpočtem. Výstup je zatížený nějakou chybou...

V příloze obrázek z jiného projektu, kde se "lineární" x, převádělo na "exponenciální" y.



priklad_po_castech_spojita.jpg
 Komentář:
 Velikost:  20 kB
 Zobrazeno:  136 krát

priklad_po_castech_spojita.jpg


Návrat nahoru
Zobrazit informace o autorovi Odeslat soukromou zprávu
miror



Založen: Sep 14, 2006
Příspěvky: 324

PříspěvekZaslal: po květen 23 2022, 8:34    Předmět: Citovat

Na linearnosť v rozsahu 1-50Hz môžem zabudnúť,ako pisal Scorp v siemens fóre s LOGOM to nejde. Pretože nech nastavím čo kolvek tak od frekvencie 8Hz sa frekvencia zvyšuje po 2 Hz a od 16Hz po cca.9 Hz teda 10 ,12 ,14,16, 25,33,50Hz. Nič medzi tym sa nedá nadstaviť .Ale do 10 Hz teda do 8Hz by to mohlo isť, musím sa s tým ešte pohrať.
Návrat nahoru
Zobrazit informace o autorovi Odeslat soukromou zprávu
Hill
Administrátor


Založen: Sep 10, 2004
Příspěvky: 20980
Bydliště: Jičín, Český ráj

PříspěvekZaslal: po květen 23 2022, 9:53    Předmět: Citovat

A nemůžeš tím vstupem jen po dobu 1 s počítat impulsy, řekněme v rozsahu 10 - 100?
Jedním výstupem z LOGA uvolnit reset 555ky zapojené jako monostabil a změřit dobu kyvu.
A tu můžeš změřit třeba podle počtu period pevného kmitočtu, které za tu dobu kyvu prošly hradlem. Pokud by ti stačila přesnost kolem 2 %, tak to spraví druhá 555ka zapojená jako astabilní multivibrátor.
Návrat nahoru
Zobrazit informace o autorovi Odeslat soukromou zprávu
termit256



Založen: Dec 06, 2007
Příspěvky: 10335

PříspěvekZaslal: po květen 23 2022, 10:57    Předmět: Citovat

Kdyz uz tam bude davat 555, nebylo by jednodussi tam dat rovnou treba attiny a pak si vystup nastavi jaky bude chtit bez nejakeho velkeho laborovani? Klidne treba uart a bude klid.
Návrat nahoru
Zobrazit informace o autorovi Odeslat soukromou zprávu
miror



Založen: Sep 14, 2006
Příspěvky: 324

PříspěvekZaslal: po květen 23 2022, 19:38    Předmět: Citovat

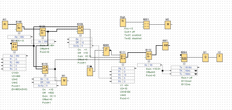
Tak myslím že mám riešenie, nie je to úplne ideálne dalo by sa to možno aj ľahšie (menej blokov) ale mam ich dosť volných tak neriešim. Ide to od 7 do 10V /1-7Hz po 0,5V na 1Hz . Ešte to musím reálne otestovat, ale v simulátore to ide v pohode. Možno to rozšírim na 1-10Hz ,ale asi aj nie lebo krok 0,5V na 1Hz sa mi zda byť dostatočný.


7-10V na 1-7Hz.jpg
 Komentář:
 Velikost:  291.02 kB
 Zobrazeno:  191 krát

7-10V na 1-7Hz.jpg


Návrat nahoru
Zobrazit informace o autorovi Odeslat soukromou zprávu
Cust



Založen: Jan 17, 2007
Příspěvky: 7149
Bydliště: Milotice u Kyjova

PříspěvekZaslal: pá červen 24 2022, 7:49    Předmět: Citovat

synchronní převodník...


IFO.png
 Komentář:
Nedávno jsem to řešil takto... Ale je to na vyšší frekvenci.
 Velikost:  39.6 kB
 Zobrazeno:  152 krát

IFO.png


Návrat nahoru
Zobrazit informace o autorovi Odeslat soukromou zprávu Odeslat e-mail
Zobrazit příspěvky z předchozích:   
Přidat nové téma   Zaslat odpověď       Obsah fóra Diskuzní fórum Elektro Bastlírny -> Měření, regulace a automatizace Časy uváděny v GMT + 1 hodina
Strana 1 z 1

 
Přejdi na:  
Nemůžete odesílat nové téma do tohoto fóra.
Nemůžete odpovídat na témata v tomto fóru.
Nemůžete upravovat své příspěvky v tomto fóru.
Nemůžete mazat své příspěvky v tomto fóru.
Nemůžete hlasovat v tomto fóru.
Nemůžete připojovat soubory k příspěvkům
Můžete stahovat a prohlížet přiložené soubory

Powered by phpBB © 2001, 2005 phpBB Group
Forums ©
Nuke - Elektro Bastlirna

Informace na portálu Elektro bastlírny jsou prezentovány za účelem vzdělání čtenářů a rozšíření zájmu o elektroniku. Autoři článků na serveru neberou žádnou zodpovědnost za škody vzniklé těmito zapojeními. Rovněž neberou žádnou odpovědnost za případnou újmu na zdraví vzniklou úrazem elektrickým proudem. Autoři a správci těchto stránek nepřejímají záruku za správnost zveřejněných materiálů. Předkládané informace a zapojení jsou zveřejněny bez ohledu na případné patenty třetích osob. Nároky na odškodnění na základě změn, chyb nebo vynechání jsou zásadně vyloučeny. Všechny registrované nebo jiné obchodní známky zde použité jsou majetkem jejich vlastníků. Uvedením nejsou zpochybněna z toho vyplývající vlastnická práva. Použití konstrukcí v rozporu se zákonem je přísně zakázáno. Vzhledem k tomu, že původ předkládaných materiálů nelze žádným způsobem dohledat, nelze je použít pro komerční účely! Tento nekomerční server nemá z uvedených zapojení či konstrukcí žádný zisk. Nezodpovídáme za pravost předkládaných materiálů třetími osobami a jejich původ. V případě, že zjistíte porušení autorského práva či jiné nesrovnalosti, kontaktujte administrátory na diskuzním fóru EB.


PHP-Nuke Copyright © 2005 by Francisco Burzi. This is free software, and you may redistribute it under the GPL. PHP-Nuke comes with absolutely no warranty, for details, see the license.
Čas potřebný ke zpracování stránky 0.28 sekund