Vítejte na Elektro Bastlírn?
Nuke - Elektro Bastlirna
  Vytvořit účet
Hlavní · Fórum · DDump · Profil · Zprávy · Hledat na fóru


Nuke - Elektro Bastlirna: Diskuzní fórum

 FAQFAQ   HledatHledat   Uživatelské skupinyUživatelské skupiny   ProfilProfil   Soukromé zprávySoukromé zprávy   PřihlášeníPřihlášení 

Magnetofon Tesla B115
Jdi na stránku Předchozí  1, 2, 3 ... 35, 36, 37 ... 53, 54, 55  Další
 
Přidat nové téma   Zaslat odpověď       Obsah fóra Diskuzní fórum Elektro Bastlírny -> Audiotechnika
Zobrazit předchozí téma :: Zobrazit následující téma  
Autor Zpráva
AdamVarga



Založen: Nov 04, 2018
Příspěvky: 476

PříspěvekZaslal: pá květen 13 2022, 15:04    Předmět: Citovat

Hill napsal(a):
Hlavy se štěrbinou 2,5 µm a méně potřebují naprosto přesné nastavení kolmosti a zajištění dlouhodobé mechanické stability takového nastavení. Tedy i velmi robustní nosník hlav a přesné vedení pásku vyžadující především kvalitní povrch přítlačné kladky a nulovou chybu kolmosti osy tónového hřídele. Odchylka o 0°03' od kolmosti záznamu u půlstopé snímací hlavy totiž už úplně setře rozdíl proti hlavám se šířkou štěrbiny 3 µm. A taky do značné míry smaže rozdíly mezi různými pásky stejné tloušťky.
Čtvrtstopá hlava na tu přesnost kolmosti tak choulostivá není, ale zase je snadné o tu kolmost přijít kvůli sfázování levého a pravého kanálu. Má-li se dodržet na mikrometr přesně rozestup mezi štěrbinami systémů záznamové hlavy od systémů hlavy snímací, obvykle se musí oželet nějaká ta minuta kolmosti jedné nebo obou stop.
Jde to samozřejmě i opačně, například některé modely TEAC a Nakamichi mají ve snímací cestě fázovací články ke korekci fázového rozdílu způsobeného rozptylem štěrbin. U nich se nastavovala vždy kolmost na maximum šumu v jednom kanále, pak v druhém, pak se kolmost hlavy nastavila mezi tato maxima a zajistila. Až nakonec se podle fázoměru nebo osciloskopu nastavil fázový posuv tak, aby na nízkých, středních i vysokých kmitočtech byl nulový.
Přesto si myslím,že mechanika B11x, sebepřesněji seřízená, už takovou péči nemůže ocenit. Jestli vyjímečně ano, dlouho jí to nevydrží.


Tušil som že to bude približne tak isto ako ste opísali. Na B115 neozaj neočakávam že by bolo vôbec možné niečo presne na ňom nastaviť z mechanickej stránky. Teda jedine akurát kolmosť záznamovej hlavy pretože tá je opásaná dvoma vodiacimi kolíkmi. To sa ale o snímacej hlave nedá povedať.. chcello by to pridať ešte jeden vodiaci prvok za snímaciu hlavu.

Môj nápad na nejakú takú vlastnú páskovú dráhu je vlastne dosahnuť úplne dokonalú presnosť nastavení. Okopírovať uchytenie hláv z B115 a spraviť páskovú dráhu s valivými vodiacimi prvkami (kladky so zápichom presne širokým ako páska a kladka by bola na dvoch guličkových ložiskách ktoré by boli axiálne napružené pružinou pre odstránenie axiálnej vôle a výška kladiek by sa dala nastaviť jednou skrutkou. Ale myslím že to pôjde aj jednoduchšie minimalizovať body kde sa páska dotýka vodiacich prvkov atd...no bude to chcieť si k tomu sadnúť na jednu noc vo Fusione.

TheLastUnicorn napsal(a):
Ja by som s tým kmitočtovým rozsahom za 20kHz veľmi netrápil. Či to pre -3dB urobí 22 alebo 26kHz je v podstate jedno. Keby som Ti ukázal vyžarovacie charakteristiky aj veľmi dobrých výškových reproduktorov, tak by Ti bolo jasné prečo. Ona tá DIN 45500 v zásade vedela, prečo bazírovala na tom hornom kmitočte 12,5kHz. Netvrdím, že sa v hudbe vyššie kmitočty nevyskytujú, ale ich finálny objem už nie je pre celkové posúdenie zvuku zďaleka taký dôležitý. To najpodstatnejšie sa v hudbe deje nižšie. Rozsah pod 16k znamená určitú stratu brilancie, ale to je tak všetko. Ak však dokážeš nahrávať a reprodukovať od 30Hz po 18kHz v tolerancii +-1dB, tak viac naozaj reálne nepotrebuješ, pretože v bežnej bytovej miestnosti to využiť nedokážeš.

Obzvlášť ako uživateľ čo používa ARS844 ako daily driver Very Happy

Z B115 raketoplán neurobím ale B135tku by som chcel tak trocha dotiahnuť do hrany možností. Samozrejme tak aby som mal ekvalizáciu pásky podla štandardov IEC. So spolužiakom zo strednej mám také menšie štúdio a chceme sa hrať aj s mastrovaním na pásky. Tak by som z toho chcel vyťažiť aspoň viac než čo ponúka B115 Very Happy.

TheLastUnicorn napsal(a):
Prepínanie predmagnetizácie (prípadne aj mierne " prihnutie" záznamových korekcií ako to robí AKAI) na aspoň 3 typy pásov (napr. pre Emgeton LN/LH, Agfa PE36/46, Basf DPR/LPR prípadne Maxell UD/XLI) je rozhodne užitočná vec...prípadne aj s dodatočnou jemnou reguláciou na paneli (ako mávajú kazetové mašiny) a ak by som dnes staval mgf, určite by som to v ňom mal. Ale toto sa dá urobiť aj na pôvodnom oscilátore. Smile


Som trocha sklamaný že kotúčové magneťáky neumožňovali túto flexibilitu ktorú má mnoho rozumných kazeťákov. Potencák vpredu na záznamový prúd a predmagnetizáciu je niečo čo by som už moc krát ocenil keby som to mal na svojej B115. Viem že by tomu šlo dopomoci aj na originálnom oscilátore ale neviem jak to spraviť tak aby ten oscilátor nebol tak strašne citlivý na zmenu mono/stereo.

Maxell XLI pásky možno nikdy v živote ani neuvidím Very Happy Skôr budem frčať na RTM SM900 a LPR90
Návrat nahoru
Zobrazit informace o autorovi Odeslat soukromou zprávu
TheLastUnicorn



Založen: Jan 17, 2018
Příspěvky: 545
Bydliště: Trenčín

PříspěvekZaslal: pá květen 13 2022, 15:44    Předmět: Citovat

Bedne: Teslácke reprosústavy väčšinou nie sú žiadna sláva, ale zrovna ARS844 patria k tomu počúvateľnému. Výšky samozrejme pokulhávajú, v osi končia niekde na 16kHz, okolo 10kHz je značná výkonová diera a celkovo sú dosť smerové...ale stále hrajú príjemnejšie, ako napr. ARS1034 alebo 1054 s protivným ARZ4604, usyčaným ARV3604 a blatovým ARN6604 resp 8604.

Daj si tam niekde ešte jednu mazaciu hlavu ako náhradnú záťaž. Laughing Stabilizáciu zo stereo na mono nemám dokonalú ani ja ani na B115, ani na B73 (keďže v nej používam oscilátor prebratý z B11x), ale ani ma to nejako netrápi. Ak potrebujem záznam mono, tak spravidla nemám až také nároky na kvalitu, ako keď idem stereo. Takže v prvom rade riešim, ako to chodí v stereu. Ten oscilátor v B11x celkovo nie je úplne ideálny...
Toto funguje lepšie, len to chce ten trafáčik.



Snímka.PNG
 Komentář:
 Velikost:  221.98 kB
 Zobrazeno:  88 krát

Snímka.PNG


Návrat nahoru
Zobrazit informace o autorovi Odeslat soukromou zprávu
AdamVarga



Založen: Nov 04, 2018
Příspěvky: 476

PříspěvekZaslal: pá květen 13 2022, 16:49    Předmět: Citovat

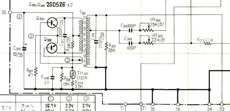
toto je oscilátor z jedného časopisu ktorý sa mi celkom zapáčil...respektive zahraničného časopisu. Sú tam pokiny na vinutia takže by to nemalo byť problém zložiť na ETD19 tke alebo nejakom RM feritovom jadre a pridať ešte jedno vinutie na spätnú väzbu a regulovať to cez TL431 namiesto zenerky podľa napätie z väzby...a malo by to byť aj celkom stabilné.. Možno sa to pokúsim zložiť vo falstade a potom v LTspice.


photo_2022-05-13_17-44-45.jpg
 Komentář:
 Velikost:  39.46 kB
 Zobrazeno:  74 krát

photo_2022-05-13_17-44-45.jpg


Návrat nahoru
Zobrazit informace o autorovi Odeslat soukromou zprávu
Hill
Administrátor


Založen: Sep 10, 2004
Příspěvky: 21215
Bydliště: Jičín, Český ráj

PříspěvekZaslal: so květen 14 2022, 8:33    Předmět: Citovat

AdamVarga napsal(a):
Ten jav poklesu som tiež monitoroval osciloskopom. Tak som došiel k tomu istému záveru ako ste opísali. Ten nepodstaný pokles je ale dosť podstatný ked si to tak vezmeme reálne...

Jen malinká poznámka k oscilátoru: osciloskopem jsi měřil kmitočet a napětí na hlavě, nebo proud hlavou (potažmo napětí na pinu 5 desky O, potažmo na R7 na desce)?
I když, přiznávám, používal jsem na mono náhradní impedanci za mazací hlavu - indukčností dorovnal frekvenci a trimrem napětí. U toho mě pro změnu sralo, že jsem mezi čtyřmi stejnými mazacími hlavami našel jediný kus, který vystačil s jedním náhradním RL obvodem, jinak jsem musel motat cívky dvě, každou protiu vlastnímu systému hlavy.
Při nastavení náhradního obvodu pro mono na jednu stopu, aby se předmagnetizační kmitočet ani napětí na mazací hlavě nelišily od stereofonního režimu, najednou na druhé stopě se stejným náhradním obvodem stouplo napětí na hlavě i o více, než 2 dB. Že tedy stoupl i předmagnetizační proud, je zřejmé. Změna frekvence stačila na to, aby zádrž předmagnetizačního kmitočtu pustila na výstup záznamového zesilovače dost na to, aby se jeden indikátor "odlepil" trvale z klidu. Jistě, šlo o indikátor, tedy vada pouze kosmetická...

A ještě dvě připomínky:
- on ten oscilátor v B115 není zase tak špatný, i výkon zjevně stačí, když se s ním tak plýtvá: na výstupech záznamové cesty nejsou odlaďovače předmagnetizačního kmitočtu, tedy část výkonu oscilátoru se vytápí na trimrech linearizačního odporu R1 a R2 na základní desce.
- mazací výkon se nedá libovolně zvyšovat. Kdysi jsem zkoušel variaci na B46 a zvyšoval mazací výkon do hlavy ANP956. Záznam se sice smazal dokonaleji, ale překryly ho podivné pazvuky, které tam předtím nebyly. Odstup a úrovně si už nepamatuju, ale bylo to dost rušivé, přesto, že část těch pazvuků zase odmazala kombinovaná hlava předmagnetizací.
Odstup přes pásek šel do háje. A dost hluboko.
Mazací hlava v B115 (na ní jsem zvýšený proud ještě nezkoušel) má dvojitou štěrbinu - co nechá první štěrbina, druhá dočistí. A to při nezvýšeném mazacím proudu. Asi, jako by se použily dvě mazací hlavy za sebou, ale každá se jmenovitým proudem, nebo i o něco nižším.
Návrat nahoru
Zobrazit informace o autorovi Odeslat soukromou zprávu
AdamVarga



Založen: Nov 04, 2018
Příspěvky: 476

PříspěvekZaslal: so květen 14 2022, 9:19    Předmět: Citovat

Meral som napätie osciloskopom a pomocou frekvencie a známej presnej kapacitu som vypočítal indukčnosť hlavy pri tej danej frekvencie a zistil som teda prúd. Akurát už neviem kolko mA to bolo presne...možno som to opisoval v niektorom staršom príspevku v tejto téme.

VF zádrže by som chcel urobiť akurát problém je variabilné cievky nemám a ani nebudem nikdy vedieť vyrobiť a variabilné kondenzátory v dosť velkom rozsahu sú objednatelné iba z číny. B135 určite dostane zádrže na predmagnetizáciu, alebo bude priamo krmiť z operáku hlavy...

Síce mazacia hlava v B115 je jedna z tých lepších od tesly, a na DP25 26 je to super, ale v momente ako na to dám niečo ako RTM LPR35 alebo LPR90 či SM911 900 tak tá hlava proste nestačí. Musím 3x prejsť pásku pred mazacou hlavou aby predošlí záznam zanikol do úplného ticha. Prirovnal by som to na odstup -55dB a horšie. Značne je to hlasnejšie ako šum po prvom mazaní. Tá mazacia hlava je nič moc teda. Skúsim ešte ako sa bude správať B730 pokial dobre viem to nemá tie dualne mazacie hlavy a uvidím ako sa to bude správať na tom. Ale mám pocit že to bude značne horšié.

Do hlavy tlačím dosť výkonu aby sa ohriala celkom slušne. (28-30C) a už som ajtak na dost vysokom napätí takže sa bojím ešte viac pridať (približne 100Vrms pri 157kHz na stereo)
Ak som dobre meral tak indukčnosť by mala byt okolo 1.28mH pre teda jeden systém záznamovej cesty.

To teda znamená že pri 157kHz 105Vrms do oboch systémov 642uH ide uplne zhruba približne 165mArms čo je teda 82.5mArms na jeden mazací systém.. a nestačí to. Preto mám práve pocit že znížením frekvencie môžem pridať na mazacok prúde a než by som narazil na stratové a napäťové limity cievok v hlave...lebo pravda je že ja by som rád išiel aj dalej až kým by hlava nehriala 50C ale mám strach že už len o troška vyššie s napätím a odpálim samotné cievky hlavy.. a z toho nebuden nadšený.. lepšie bude zohnať nejakú lepšiu mazaciu hlavu od nortronics..dúfam že mi odpíšu ma nail.
Návrat nahoru
Zobrazit informace o autorovi Odeslat soukromou zprávu
Hill
Administrátor


Založen: Sep 10, 2004
Příspěvky: 21215
Bydliště: Jičín, Český ráj

PříspěvekZaslal: so květen 14 2022, 16:34    Předmět: Citovat

To je zajímavé, v B101 maže "obyčejná" ANP939 i pásek LGR30P naprosto uspokojivě a napoprvé.
Jestli to nebude opásáním...

EDIT: výpočet mazacího proudu z napětí a frekvence neodpovídá u hlav skutečnosti, protože indukčnost měříš kmitočtem někde kolem 1 kHz, jestli k tomu nemáš nějaký lepší můstek, abys to změřil aspoň na těch 85 kHz. Mimoto nějakých 15 % tolerance mazacího proudu, kterou u B115 můžeš naměřit na pinu 5 modulu O, nehraje roli: jestli tam naměříš 55 mV a víc, udělá to v odmazání sotva 1 dB rozdíl.
Ale podstatná je stabilita předmagnetizačního proudu. Ten by se hodilo měřit přímo v sérii se záznamovou hlavou, protože sice v uvažovném rozsahu kmitočtů 90 - 110 kHz nemá frekvence příliš významný vliv na velikost předmagnetizačního proudu, ale ve vztahu k napětí na mazací hlavě ano.
Kdyby byl mezi mono a stereo skok předmagnetizačního proudu o víc, než 1,5 dB, je pořád rezerva na to, jak oželet přesnost mazacího kmitočtu a přidáním nebo ubráním kapacity C1 na desce O doladit oscilátor v režimu stereo tak, aby se s přepínáním A/B/stereo předmagnetizační proud neměnil o více, než těch 1,5 dB.


Naposledy upravil Hill dne ne květen 15 2022, 9:30, celkově upraveno 1 krát.
Návrat nahoru
Zobrazit informace o autorovi Odeslat soukromou zprávu
TheLastUnicorn



Založen: Jan 17, 2018
Příspěvky: 545
Bydliště: Trenčín

PříspěvekZaslal: so květen 14 2022, 18:28    Předmět: Citovat

Potvrzuji Hill-ovi slova. Nikdy jsem u žádnýho tesláckýho magnetofonu neměl problémy s mazáním jakýhokoli pásku na bázi Fe2O3. Jediný, co nesmazaly byl Maxell EE.
Návrat nahoru
Zobrazit informace o autorovi Odeslat soukromou zprávu
AdamVarga



Založen: Nov 04, 2018
Příspěvky: 476

PříspěvekZaslal: so květen 14 2022, 19:31    Předmět: Citovat

Tak potom neviem čím je problém. Opásanie tej hlavy je celkom dobré skôr mám pocit že tá hlava má značne väčší rádiu a chcelo by to mastaviť brzdu silnejšie pre zvýšenie prítlaku g/cm2 čela hlavy. Ale to podom bude vybrusovat ostatné hlavy...

Ešte by som teoreticky mohol skúsiť zarovnat tú hlavu s 400-800-1500 5000 brúsnym papierom na mokro.

LPR35 LPR90 SM911 SM900 SM468 sú úplne iná zver pásiek. Pri kalibrácií na túto pásku si to vyžaduje viac predmagnetizácie a hadam o polovicu menej záznamového prúdu. Zaujimavo nemaže poctivo pri 19cm/s ale pri 9cm/s maze poctivejšie. Možno sa tie StudioMaster pásky a LPR35 LPR90 blížia tomu maxelu EE..
Návrat nahoru
Zobrazit informace o autorovi Odeslat soukromou zprávu
TheLastUnicorn



Založen: Jan 17, 2018
Příspěvky: 545
Bydliště: Trenčín

PříspěvekZaslal: ne květen 15 2022, 8:48    Předmět: Citovat

Maxell EE (alebo aj XLII) je pás na báze CrO2, takže úplne niečo iné ako LPR35 (DPR26), ktorý patrí medzi špičkové domestikované LH pásy na báze Fe2O3. Rovnako ako Maxell UD alebo Agfa PE39 (49). Všetko sú to už pásy s retentivitou vyššou ako 120mT. Ale koercitivita sa stále pohybuje niekde medzi 25,5 až 27,5 kA/m, čo je hodnota len o málo vyššia, ako majú klasické LN pásy DP26 alebo PE46. Navyššiu koercitivitu má asi Agfa PE39/49 a Maxell UD/XLI, ktoré lezú cez 27kA/m. Všetko sú to hodnoty, kedy by pri správnom nastavení nemal byť problém so zmazaním starého záznamu hlavou ANP939 resp. ANH220.
Pri tej 19cm/s počuješ v nahrávke starý nedokonale zmazaný záznam? Nie je to náhodou to, že počuješ záznam z protibežných stôp?
Návrat nahoru
Zobrazit informace o autorovi Odeslat soukromou zprávu
AdamVarga



Založen: Nov 04, 2018
Příspěvky: 476

PříspěvekZaslal: ne květen 15 2022, 11:45    Předmět: Citovat

Počujem práve ten istý záznam ktorý je nedokonale zmazaný. Až na druhý prechod cez hlavu je záznam nepočutelne zmazaný. Musím ale upozorniť že než začneme lovit kde je chyba tak ako som opisoval v niektorom predošlom príspevku že ja som upravil oscilátor aby tlačil do mazacích hláv 155kHz @102Vrms. Tak či sú straty jadra tak vysoké, alebo niekde robím chybu...je sice pravda že neskúšal som či je prítlakom pásky. Ja mám brzdy velmi konzervativne nastavené pre minimálny prítlak aby som zbytočne neodbrusoval hlavy.

Špecifiká pásiek podla datasheetov RTM:
LPR35
Korecivita: 25,5kA/m
Retentivita: 127mT

SM911
Koercivita: 25,5kA/m
Retentivita: 145mT

S oboma je problém zmazať záznam na prvú jazdu. Evidentne retentivita aj prostej LPR35 je vyššia ako ste očakávali. Toto už totiž nieje historická LPR35 ale novovýroba. Zrejme vykonali pár zmien pre zlepšenie jej vlastností?

LPR90 (páska ktorú by som chcel primárne používať)
Koercivita: 29,5kA/m
Retentivita: 15 800 µm.G (Tak toto vôbec neviem preložiť do mT..takto je to v datasheete)

SM900(ďalšia páska ktorú by som chcel primárne využívať)
Koercivita: 29,5kA
Retentivita 154mT

SM468 je na tom asi najzložitejšie s koercivitou až 30kA/m a retentivitou 140mT..čo pre archivačnú pásku sú skvelé vlastnosti. Ale to už by tesla mala problém Very Happy Musel by som pred páskovou dráhou mať magnet na celostopé mazanie Very Happy
Návrat nahoru
Zobrazit informace o autorovi Odeslat soukromou zprávu
Hill
Administrátor


Založen: Sep 10, 2004
Příspěvky: 21215
Bydliště: Jičín, Český ráj

PříspěvekZaslal: ne květen 15 2022, 11:52    Předmět: Citovat

Zkus tu frekvenci snížit na původních 100 kHz, vždyť pětinásobek maximálního zaznamenávaného kmitočtu musí úplně stačit. A uvidíš, jestli ty ztráty v jádru skutečně tak snižují účinnost.
Jestli s tím ale hodláš mazat FeCr pásky, pak do té hlavy musíš nacpat výkon alespoň 3x větší, než na Fe₂O₃. A obávám se, že v B115 na to není mazací hlava dimenzovaná.
Návrat nahoru
Zobrazit informace o autorovi Odeslat soukromou zprávu
AdamVarga



Založen: Nov 04, 2018
Příspěvky: 476

PříspěvekZaslal: ne květen 15 2022, 11:55    Předmět: Citovat

Ešte raz:
tou zaujimavosťou je teda práve to že každú jednú pásku čo mám..všetky ktoré existovali od emgetonu (aj LP35LHD s ktorou absolutne nieje žiaden problém na mazanie) BASF DP26 26LH 26 Ferro LH, Maxell LN UD, Scotch 212 220 a ani s jednou nebol problém... problémy nastali až keď som začal nahrávať na LPR35 (novovýrobu RTMácku) a keď idem mazať a znova nahrávať som si tak všimol že akosi ten záznam tam furt je len velice ticho..ale bol tam.
Návrat nahoru
Zobrazit informace o autorovi Odeslat soukromou zprávu
AdamVarga



Založen: Nov 04, 2018
Příspěvky: 476

PříspěvekZaslal: ne květen 15 2022, 11:57    Předmět: Citovat

Hill napsal(a):
Zkus tu frekvenci snížit na původních 100 kHz, vždyť pětinásobek maximálního zaznamenávaného kmitočtu musí úplně stačit. A uvidíš, jestli ty ztráty v jádru skutečně tak snižují účinnost.
Jestli s tím ale hodláš mazat FeCr pásky, pak do té hlavy musíš nacpat výkon alespoň 3x větší, než na Fe₂O₃. A obávám se, že v B115 na to není mazací hlava dimenzovaná.


No s tým plne súhlasím že to mazacia hlava B115 nezmákne. Vyhrabem jednu pôvodnú oscilátorovú kartu. Nahrám na 0dB 1kHz a uvidíme čo ostane zo záznamu
Návrat nahoru
Zobrazit informace o autorovi Odeslat soukromou zprávu
TheLastUnicorn



Založen: Jan 17, 2018
Příspěvky: 545
Bydliště: Trenčín

PříspěvekZaslal: ne květen 15 2022, 12:21    Předmět: Citovat

LPR35 mám niekoľko kusov od RMGI, čo by malo byť to isté, ako RTM. Dokopy vlastním asi 200ks pásov od DP25LN a PE41, cez Ampex a Quantegy 456 až po LPR35 a XLI35. Aktuálne mám doma 4 magneťáky. B115, upravenú B73 (používa oscilátor B11x), GX-255 a GX-620.
RMGI LPR35 je reálne totožná s poslednými BASF (EMTEC) LPR35 LH. Veď je to v podstate rovnaká linka a technológia. Po RMGI to prebrala RTM. Veľmi podobne sa chová aj XLI35-90.
Ani u jednoho pásu nemám s odmazaním pôvodnej nahrávky problém. Avšak používam pôvodné frekvencie oscilátorov. Ďalšia vec je, že pri 19cm/s je potrebné už aj veľmi presné výškové nastavenie hláv. Tieto problémy sú jedným z dôvodov, prečo sa napr. rýchlosť 38,1cm/s v štvrťstopej technike takmer nevyužívala a 19-ka je reálne najyvššia, ktorá ešte dáva zmysel.
Btw., UD25LN sa už s poslednými XLI35 nedá porovnávať.
Návrat nahoru
Zobrazit informace o autorovi Odeslat soukromou zprávu
haness



Založen: May 13, 2021
Příspěvky: 13

PříspěvekZaslal: po květen 16 2022, 17:44    Předmět: Citovat

to TLU: můžeš prosím vysvětlit Tvoji větu:

Ďalšia vec je, že pri 19cm/s je potrebné už aj veľmi presné výškové nastavenie hláv.

Nějak mi chybí souvislosti - jaký je rozdíl oproti rychlosti 9,5? Jde mi o jádro pudla, nikoli o rýpání. Díky za odpověď. Haness
Návrat nahoru
Zobrazit informace o autorovi Odeslat soukromou zprávu
Zobrazit příspěvky z předchozích:   
Přidat nové téma   Zaslat odpověď       Obsah fóra Diskuzní fórum Elektro Bastlírny -> Audiotechnika Časy uváděny v GMT + 1 hodina
Jdi na stránku Předchozí  1, 2, 3 ... 35, 36, 37 ... 53, 54, 55  Další
Strana 36 z 55

 
Přejdi na:  
Nemůžete odesílat nové téma do tohoto fóra.
Nemůžete odpovídat na témata v tomto fóru.
Nemůžete upravovat své příspěvky v tomto fóru.
Nemůžete mazat své příspěvky v tomto fóru.
Nemůžete hlasovat v tomto fóru.
Nemůžete připojovat soubory k příspěvkům
Můžete stahovat a prohlížet přiložené soubory

Powered by phpBB © 2001, 2005 phpBB Group
Forums ©
Nuke - Elektro Bastlirna

Informace na portálu Elektro bastlírny jsou prezentovány za účelem vzdělání čtenářů a rozšíření zájmu o elektroniku. Autoři článků na serveru neberou žádnou zodpovědnost za škody vzniklé těmito zapojeními. Rovněž neberou žádnou odpovědnost za případnou újmu na zdraví vzniklou úrazem elektrickým proudem. Autoři a správci těchto stránek nepřejímají záruku za správnost zveřejněných materiálů. Předkládané informace a zapojení jsou zveřejněny bez ohledu na případné patenty třetích osob. Nároky na odškodnění na základě změn, chyb nebo vynechání jsou zásadně vyloučeny. Všechny registrované nebo jiné obchodní známky zde použité jsou majetkem jejich vlastníků. Uvedením nejsou zpochybněna z toho vyplývající vlastnická práva. Použití konstrukcí v rozporu se zákonem je přísně zakázáno. Vzhledem k tomu, že původ předkládaných materiálů nelze žádným způsobem dohledat, nelze je použít pro komerční účely! Tento nekomerční server nemá z uvedených zapojení či konstrukcí žádný zisk. Nezodpovídáme za pravost předkládaných materiálů třetími osobami a jejich původ. V případě, že zjistíte porušení autorského práva či jiné nesrovnalosti, kontaktujte administrátory na diskuzním fóru EB.


PHP-Nuke Copyright © 2005 by Francisco Burzi. This is free software, and you may redistribute it under the GPL. PHP-Nuke comes with absolutely no warranty, for details, see the license.
Čas potřebný ke zpracování stránky 0.27 sekund