Vítejte na Elektro Bastlírn?
Nuke - Elektro Bastlirna
  Vytvořit účet Hlavní · Fórum · DDump · Profil · Zprávy · Hledat na fóru · Příspěvky na provoz EB

Vlákno na téma KORONAVIRUS - nutná registrace


Nuke - Elektro Bastlirna: Diskuzní fórum

 FAQFAQ   HledatHledat   Uživatelské skupinyUživatelské skupiny   ProfilProfil   Soukromé zprávySoukromé zprávy   PřihlášeníPřihlášení 

casovac 4541
Jdi na stránku 1, 2, 3  Další
 
Přidat nové téma   Zaslat odpověď       Obsah fóra Diskuzní fórum Elektro Bastlírny -> Řešení problémů s různými konstrukcemi
Zobrazit předchozí téma :: Zobrazit následující téma  
Autor Zpráva
oscilos



Založen: Nov 04, 2007
Příspěvky: 370

PříspěvekZaslal: ne duben 03 2022, 13:51    Předmět: casovac 4541 Citovat

ahoj, řeším tu už 2 týdny jeden problémek. týká se zapojené 4541 s kombinací se zapínání tlačítkem. obvod funguje dobře ale nedokážu si poradit s jednou věcí. víceméně se jedná o obvodové řešení které jsem poskládal z inspirace různých zapojení. jako zapínací obvod jsem nejprve použil 2 hradla 4011 a potom zkusil použít 555 obě zapojeni fungovaly. jediná věc která se mě nepodařila je nějak skloubit komunikaci 4541 a 555 když totiž obvod dočasuje tak se nepřeklopí 555 do výchozího nastavení a nejprve musím zmáčknout tlačítko aby 555 překlopila a potom při druhém stisku se obvod zapne. využití vstupu reset jsem zkoušel několik variant ale nehnul jsem se z místa... XOR hradlo zapojené z výstupu 4551 a výstupu 555 do jeho vstupu a jeho výstup zapojeny přes tranzistor do resetu 555 by se jevilo jako dobrý nápad nicméně vždy dojde k nějakému malému impulzu který projde do resetovacího vstupu tak zapojení nefunguje... nenasel by se někdo kdo by mi s tím trošku pomohl ?
chtěl bych docílit toho aby se nemačkalo tlačítko 2x po tom co 4541 dočasuje. když během časování obvod vypnu zmáčknutím tlačítka logicky vše funguje.555 donutí přes výstup 7 překlopit tu 4541. Jinak by se tim musel použít invertor který též fungoval dobře u zapínání s hradly to jinak nešlo a u 555 je potřebný obvod v ní Smile



untitled.pdf
 Komentář:

Stáhnout
 Soubor:  untitled.pdf
 Velikost:  30.55 kB
 Staženo:  794 krát

Návrat nahoru
Zobrazit informace o autorovi Odeslat soukromou zprávu
Cowley



Založen: Feb 04, 2005
Příspěvky: 3569

PříspěvekZaslal: ne duben 03 2022, 15:47    Předmět: Citovat

555 je zapojena jako bistabilní, tak se nediv.

Má zavedenu zpětnou vazbu z OUT (PIN 3) zpátky na tlačítko.

A musí tam být 555? Nebylo by lepší použít 4013 v zapojení FLIP/FLOP. Po dočasování by se 4541 podílela také na jeho RESETU stejně jako případný druhý stisk tlačítka.

Tady má dvě sólo tlačítka START/STOP na dva vstupy, které by se mohly tím FLIP/FLOP řídit.
Návrat nahoru
Zobrazit informace o autorovi Odeslat soukromou zprávu
oscilos



Založen: Nov 04, 2007
Příspěvky: 370

PříspěvekZaslal: ne duben 03 2022, 21:05    Předmět: Citovat

čemu bych se měl divit? 555 jde bez problemu resetovat při přivedení 0 do vstupu č.4 reset. je napájen přes odpor R4 pokud mu vnutím na tvrdo 0 překlopí... takže jsem si říkal jestli by někdo neměl nějaký nápad jak toho docílit při vypnutí té 4541.
ano odkaz který posíláš jsem už prostudoval dávno zapojení to je vcelku jasné a inspirativní.
pokud myslíš zapojení D klopného obvodu ovládaného tlačítkem tak to je totálně nepoužitelná věc. zde se to už několikrát řešilo a sám jsem si to i vyzkoušel. a na vebu je i nejaká stránka kde se konstruktér o tom zminujě též. klopný obvod D ovládaný tlačítkem asi díky zákmitům absolutně nepracuje správně! jedině mu vnutit signál který bude mít ostré hrany toho by se dalo asi docílit pomocí schmittova klopného obvodu...
Pokud by měl někdo nějaký nápad s Tou 4013 rad uvítám
Návrat nahoru
Zobrazit informace o autorovi Odeslat soukromou zprávu
Cowley



Založen: Feb 04, 2005
Příspěvky: 3569

PříspěvekZaslal: ne duben 03 2022, 21:18    Předmět: Citovat

Aby se po stisku generoval jeden impuls bez zakmitu lze u 4013 ošetřit jednoduchým RC obvodem. Tím se de facto určí, za jakou dobu je možné stisknout tlačítko podruhé pro vypnutí.
Návrat nahoru
Zobrazit informace o autorovi Odeslat soukromou zprávu
oscilos



Založen: Nov 04, 2007
Příspěvky: 370

PříspěvekZaslal: ne duben 03 2022, 21:46    Předmět: Citovat

a mas v praxi overeno ze to funguje?
Návrat nahoru
Zobrazit informace o autorovi Odeslat soukromou zprávu
Cowley



Založen: Feb 04, 2005
Příspěvky: 3569

PříspěvekZaslal: ne duben 03 2022, 21:50    Předmět: Citovat

Mám.
Na videu je ukázáno, když tam kondenzátor nemá, po stisku tlačítka mu výstup občas díky zákmitu přeskočí TAM a ZPÁTKY.
Pak jej tam zapojí a každý stisk je jedinečný.
Návrat nahoru
Zobrazit informace o autorovi Odeslat soukromou zprávu
oscilos



Založen: Nov 04, 2007
Příspěvky: 370

PříspěvekZaslal: ne duben 03 2022, 22:27    Předmět: Citovat

zajimave. skoda ze tam nemá nikde schema
Návrat nahoru
Zobrazit informace o autorovi Odeslat soukromou zprávu
lubos1961



Založen: Jul 20, 2010
Příspěvky: 446
Bydliště: Nový Jičín

PříspěvekZaslal: ne duben 03 2022, 22:41    Předmět: Citovat

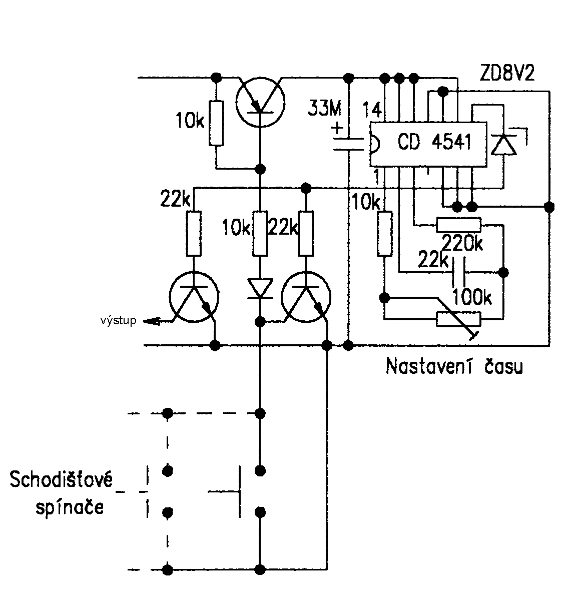
Já jsem měl zapínání 4541 v konstrukci v schodišťového časovače řešené takto a žádný problém s tím nikdy nebyl i když dráty vedly celým barákem.


asovač 4541.png
 Komentář:
 Velikost:  15.19 kB
 Zobrazeno:  138 krát

asovač 4541.png


Návrat nahoru
Zobrazit informace o autorovi Odeslat soukromou zprávu
Neniu



Založen: May 01, 2015
Příspěvky: 1174
Bydliště: Doupě kdesi v severních horách :-)

PříspěvekZaslal: po duben 04 2022, 6:31    Předmět: Citovat

Já jen přemýšlím nad tím, proč tam vlastně je ta 555? Asi si takto po ránu ležím na vedení. Nestačilo by tlačítko zapojit místo T2? Podobně, jako to má zapojené lubos1961? Pak by mohl zmizet i T5 a součástky okolo něj.

Ačkoli už asi vím, ty chceš mít možnost zařízení tlačítkem i vypnout. Ale i tak si myslím, že by talčítko mělo být místo T2 a to vypínání udělat nějakou vazbou na reset té 4541.

Pokud však nechceš měnit zapojení tohoto šelmostroje, tak zkus na výstup 4541 pověsit ještě jeden tranzistor a ten zapojit paralelně s tlačítkem. Po dočasování by překlopil 555 jako kdybys jej překlopil ručně. Pochopitelně k tomu dalšímu tranzistoru potřebuješ další součástky.

Mimochodem, nechceš zkusit nahradit bipolární tranzistory těmi unipolárními? Třeba takto? Sníží se ti trochu spotřeba, zmenší úbytek na T1, můžeš vypustit další součástky...

_________________
Jsem na cestě k šípku.
Návrat nahoru
Zobrazit informace o autorovi Odeslat soukromou zprávu
oscilos



Založen: Nov 04, 2007
Příspěvky: 370

PříspěvekZaslal: po duben 04 2022, 11:19    Předmět: Citovat

lubos1961 napsal(a):
Já jsem měl zapínání 4541 v konstrukci v schodišťového časovače řešené takto a žádný problém s tím nikdy nebyl i když dráty vedly celým barákem.


ahoj, ono to je to vlastně podobné té tvojí konstrukci jen je tam přidaná ta 555 pro vypnutí a zapnutí. ono to vlastně chodí dobře ale jen chci docílit aby sem nemusel při zapnutí mačkat tlačítko 2x když ta 4541 dočasuje.
Návrat nahoru
Zobrazit informace o autorovi Odeslat soukromou zprávu
oscilos



Založen: Nov 04, 2007
Příspěvky: 370

PříspěvekZaslal: po duben 04 2022, 11:49    Předmět: Citovat

jak to mysliš dat paralelně k tlačitku tranzistor?
Ted si nejsem jisty jak myslíš ze by mělo byt tlačítko místo T2? jak by se potom ovládalo vypnutí a zapnutí?
ano ta 555 je tam kvůli vypnutí a zapnutí předním jsem tam měl 3 hradla z 4011 a také to fungovalo, jenže problém byl pořád v tom mačkání tlačítka 2x

Ano bylo by to asi vhodné, jenže nemohu přijít na to jakou vazbou ovládat tu 4541... nenapadá tě něco?
uni tranzistory ted neřeším to třeba potom...
Návrat nahoru
Zobrazit informace o autorovi Odeslat soukromou zprávu
oscilos



Založen: Nov 04, 2007
Příspěvky: 370

PříspěvekZaslal: po duben 04 2022, 12:20    Předmět: Citovat

puvodni schema. ktere jsem si navrhnul v zapojeni chybí propojení z vystupu 4541 na T3 a T4...

Naposledy upravil oscilos dne st září 03 2025, 15:11, celkově upraveno 1 krát.
Návrat nahoru
Zobrazit informace o autorovi Odeslat soukromou zprávu
lubos1961



Založen: Jul 20, 2010
Příspěvky: 446
Bydliště: Nový Jičín

PříspěvekZaslal: po duben 04 2022, 15:59    Předmět: Citovat

A jak přesně potřebuješ aby to fungovalo? Potřebuješ jedním tlačítkem to zapnout a kdykoli v průběhu načítání to zase tím samým tlačítkem zase vypnout před dočtením časovače, nebo jenom to vždy po dokončení časování znovu startovat, nebo v průběhu načítání resetovat čas na výchozí hodnotu, musí to být jedno tlačítko? atd....těch možností je celá řada. Jinak si myslím že to máš zbytečně překomplikované.
Návrat nahoru
Zobrazit informace o autorovi Odeslat soukromou zprávu
oscilos



Založen: Nov 04, 2007
Příspěvky: 370

PříspěvekZaslal: po duben 04 2022, 16:19    Předmět: Citovat

1. chci aby při připojení na napájení nebo pří výpadku napájení aby se obvod sám nezapnul (což obvod dělá zřejmě jeho vlastnost), řeší to skupina tranzistorů T1-T5. aby se tomu zamezilo
2. chci to zapínat tlačítkem - více tlačítky z nekolika míst
3. stejným tlačítkem - více tlačítky z několika míst to i vypnout kdykoliv v průběhu

jediná vada na kráse je ze 555 zůstane překlopená a musím ji stiskem vypnout(překlopit) a pak znovu zapnout.
toť vše Smile

a) cowley mě vnuknl nápad dát tam Klopný obvod D místo té 555
b) nebo jak píše neniu udělat vazbu na reset té 4541 jenže mě nenapadá jak
c) nebo donutit 555 aby překlopila jak píše neniu pomocí tranzistoru (lámu si tu hlavu uz nad tim hodinu a nic)
Návrat nahoru
Zobrazit informace o autorovi Odeslat soukromou zprávu
lubos1961



Založen: Jul 20, 2010
Příspěvky: 446
Bydliště: Nový Jičín

PříspěvekZaslal: út duben 05 2022, 19:44    Předmět: Citovat

Toto je odzkoušené zapojení. Při připojení napájení se nic neděje, po stlačení tlačítka sepne relé a je odpočítavaný čas. Po dovršení času se vypne relé a obvod opět přejde do vypnutého stavu. Ten je nyní připraven pro nový start. Pokud je obvod v sepnutém stavu a je odpočítavaný čas sepnutí relé, lze kdykoli v tomto čase opětovným stlačením tlačítka okamžitě ukončit časování a vypnutí relé. Po opětovném stlačení tlačítka zase začíná nové odpočítávání času sepnutí relé.


asový spínač.png
 Komentář:
 Velikost:  9.91 kB
 Zobrazeno:  163 krát

asový spínač.png


Návrat nahoru
Zobrazit informace o autorovi Odeslat soukromou zprávu
Zobrazit příspěvky z předchozích:   
Přidat nové téma   Zaslat odpověď       Obsah fóra Diskuzní fórum Elektro Bastlírny -> Řešení problémů s různými konstrukcemi Časy uváděny v GMT + 1 hodina
Jdi na stránku 1, 2, 3  Další
Strana 1 z 3

 
Přejdi na:  
Nemůžete odesílat nové téma do tohoto fóra.
Nemůžete odpovídat na témata v tomto fóru.
Nemůžete upravovat své příspěvky v tomto fóru.
Nemůžete mazat své příspěvky v tomto fóru.
Nemůžete hlasovat v tomto fóru.
Nemůžete připojovat soubory k příspěvkům
Můžete stahovat a prohlížet přiložené soubory

Powered by phpBB © 2001, 2005 phpBB Group
Forums ©
Nuke - Elektro Bastlirna

Informace na portálu Elektro bastlírny jsou prezentovány za účelem vzdělání čtenářů a rozšíření zájmu o elektroniku. Autoři článků na serveru neberou žádnou zodpovědnost za škody vzniklé těmito zapojeními. Rovněž neberou žádnou odpovědnost za případnou újmu na zdraví vzniklou úrazem elektrickým proudem. Autoři a správci těchto stránek nepřejímají záruku za správnost zveřejněných materiálů. Předkládané informace a zapojení jsou zveřejněny bez ohledu na případné patenty třetích osob. Nároky na odškodnění na základě změn, chyb nebo vynechání jsou zásadně vyloučeny. Všechny registrované nebo jiné obchodní známky zde použité jsou majetkem jejich vlastníků. Uvedením nejsou zpochybněna z toho vyplývající vlastnická práva. Použití konstrukcí v rozporu se zákonem je přísně zakázáno. Vzhledem k tomu, že původ předkládaných materiálů nelze žádným způsobem dohledat, nelze je použít pro komerční účely! Tento nekomerční server nemá z uvedených zapojení či konstrukcí žádný zisk. Nezodpovídáme za pravost předkládaných materiálů třetími osobami a jejich původ. V případě, že zjistíte porušení autorského práva či jiné nesrovnalosti, kontaktujte administrátory na diskuzním fóru EB.


PHP-Nuke Copyright © 2005 by Francisco Burzi. This is free software, and you may redistribute it under the GPL. PHP-Nuke comes with absolutely no warranty, for details, see the license.
Čas potřebný ke zpracování stránky 0.42 sekund