Vítejte na Elektro Bastlírn?
Nuke - Elektro Bastlirna
  Vytvořit účet Hlavní · Fórum · DDump · Profil · Zprávy · Hledat na fóru · Příspěvky na provoz EB

Vlákno na téma KORONAVIRUS - nutná registrace


Nuke - Elektro Bastlirna: Diskuzní fórum

 FAQFAQ   HledatHledat   Uživatelské skupinyUživatelské skupiny   ProfilProfil   Soukromé zprávySoukromé zprávy   PřihlášeníPřihlášení 

Prijem signalu DCF neboli radio na 77,5KHz
Jdi na stránku 1, 2, 3, 4  Další
 
Přidat nové téma   Zaslat odpověď       Obsah fóra Diskuzní fórum Elektro Bastlírny -> Bezdrátová technika a technologie, VF technika
Zobrazit předchozí téma :: Zobrazit následující téma  
Autor Zpráva
BastlDedek



Založen: Mar 30, 2022
Příspěvky: 22
Bydliště: Ústí nad Labem

PříspěvekZaslal: st březen 30 2022, 17:37    Předmět: Prijem signalu DCF neboli radio na 77,5KHz Citovat

Zdravím všechny bastlíře

(k elektronice se vracím v důchodovém věku, mnoho teorie tedy znám)

Nyní k dotazu, jde mi o to postavit si přijímač pro signál DCF (tedy pokud na frekvenci 77.5KHz vysílá).

Hledal jsem na webu, gmelektronics a dalších, jestli je k dostání VF lanko a feritový valeček. a Tady začíná můj problém nikde jsem tento materiál nesehnal.

Teorii o výpočtu rezonance (počtu závitů) bych ještě asi dal ale na to musím znát parametry toho feritu a případně i toho lanka.

Takže moje prosba je... kde toto koupit stačí link, případně jestli by někdo neměl tyto relíkvie někde v šuplíku a mohl to nabídnout k prodeji.

A samozřejmě uvítám i jakýkoliv odborný poznatek z titulu dnešní součástkové základny pro konstrukci takovéhoto anténního modulu.
Počítám s prvním zesilovacím stupněm v provedeni FET tranzistoru dle historického KF521 (snad si teď nepletu název - lamu to z hlavy)

Díky Vláďa
Návrat nahoru
Zobrazit informace o autorovi Odeslat soukromou zprávu Odeslat e-mail
Cowley



Založen: Feb 04, 2005
Příspěvky: 3562

PříspěvekZaslal: st březen 30 2022, 17:45    Předmět: Citovat

Doporučuji koupit hotovou anténu/modul s TTL výstupem.

Naposledy upravil Cowley dne st březen 30 2022, 17:46, celkově upraveno 1 krát.
Návrat nahoru
Zobrazit informace o autorovi Odeslat soukromou zprávu
Ivan_01



Založen: Sep 15, 2018
Příspěvky: 1356
Bydliště: BB SK

PříspěvekZaslal: st březen 30 2022, 17:46    Předmět: Citovat

Keď aj zoženieš vf lanko, s obtiažami budeš zhánať 77k kryštál. Vypitvaj hocijakú meteostanicu alebo najlacnejší budík s DCF, býva tam kompletný modul so spracovaným výstupom sekundových značiek.
Návrat nahoru
Zobrazit informace o autorovi Odeslat soukromou zprávu
mi-ro



Založen: Feb 08, 2005
Příspěvky: 8562
Bydliště: rovina u Kolína

PříspěvekZaslal: st březen 30 2022, 18:11    Předmět: Citovat

Ano, koupit se dá cokoli a na DCF naladěná feritka je ve kde jaké meteostanici. Ale pokud si chceš udělat radost a přijímač vyrobit, feritku bych hledal ve starých rádiích s AM rozsahy. Myslím, že nebude problém najít. VF lanko je sice lepší jak plný drát, (skinefekt Very Happy ) ale na kmitočtu 77,5kHz, kde DCF skutečně vysílá, to bude asi jedno. Na vstup bude dobrý nějaký FET tranzistor protože tím nebudeš zatěžovat LC obvod a získáš vyšší Q. Jak vyřešíš další obvody přijímače a hlavně AVC je na tobě. Rozhodně dej vědět, jak to chodí. Já začínal když ještě jela OMA z Poděbrad (nebo z Liblic?). Ta byla na 50kHz. To byla jiná palba.
_________________
..to bude jen ňákej odpůrek
Návrat nahoru
Zobrazit informace o autorovi Odeslat soukromou zprávu Odeslat e-mail
Celeron



Založen: Apr 02, 2011
Příspěvky: 19955
Bydliště: Nový Bydžov

PříspěvekZaslal: st březen 30 2022, 18:15    Předmět: Citovat

Vf lanko si můžeš udělat sám. Vemeš trubku na vodu a namotáš na ní smalťákem 0,08 vedle sebe tolik sekcí, kolik chceš aby lanko mělo žil. Pak z každý sekce vemeš konec a převineš a máš lanko. Tímhle se v práci za bolševika zabýval spolupracovník, velkej pípálista celý dny. Very Happy
Smalťák měl z plochejch telefoních relátek z ústředny, tenkrát se toho všude válelo když se přecházelo na elektronický.

_________________
Jirka

Proč mi nemůže všechno chodit hned ?!!
Návrat nahoru
Zobrazit informace o autorovi Odeslat soukromou zprávu
Ivan_01



Založen: Sep 15, 2018
Příspěvky: 1356
Bydliště: BB SK

PříspěvekZaslal: st březen 30 2022, 18:21    Předmět: Citovat

na 77,5 kHz nepotrebuješ lanko, tam sa skin efekt neuplatní. Tu máš návod na diskrétny prijímač aj s navíjacím predpisom cievok

https://www.shotech.de/en/dcf77-receiver-kit-with-signal-level-meter.html
Návrat nahoru
Zobrazit informace o autorovi Odeslat soukromou zprávu
sis2



Založen: Oct 07, 2012
Příspěvky: 1442
Bydliště: JN89GF

PříspěvekZaslal: st březen 30 2022, 18:55    Předmět: Citovat

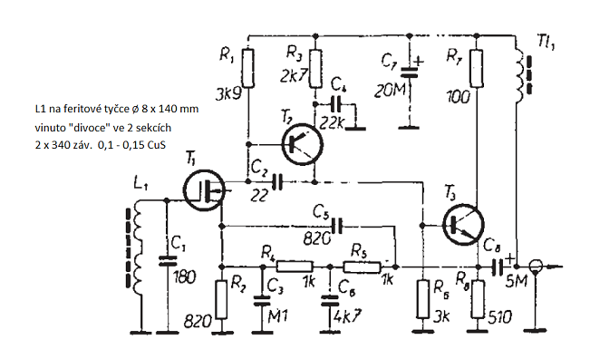
Vf lanko nemusíš shánět ani vyrábět, stačí drát CuS Ø 0,1 - 0,15 ... viz obrázek. Tato ant. jednotka z AR 10/1976 je dobrá. Jen namísto KF521 je lepší použít J310, BF245 apod. Fet. A dál (pokud chceš bastlit se staršími součástkami) jde použít přijímací část podle AR 10/1977 - má MF 500 Hz, dobrou selektivitu i citlivost, a nepotřebuje krystal.


Vstup DCF.png
 Komentář:
 Velikost:  75.31 kB
 Zobrazeno:  250 krát

Vstup DCF.png


Návrat nahoru
Zobrazit informace o autorovi Odeslat soukromou zprávu
JirkaZ



Založen: Feb 26, 2021
Příspěvky: 3637

PříspěvekZaslal: st březen 30 2022, 19:02    Předmět: Citovat

https://ferity.cz/ferity/tycinky-a-antenni-tycky/id-802/kod-h7-drazkovana-8x615/ean-0000000020565 (a na stejném serveru další materiály a rozměry).

Katalog Fonox http://www.c-a-v.com/download.php?view.221 Edit: teď koukám, že v tom katalogu chybí H7... K určení Al stačí namotat konkrétní počet závitů, změřit indukčnost a dosadit do vzorce.

Obecně k problematice DCF77 doporučuji https://www.vaelektronik.cz/dcf_uvod.html (a ev. mail majiteli stránek, poradí i nekomerčně).


Naposledy upravil JirkaZ dne st březen 30 2022, 19:07, celkově upraveno 1 krát.
Návrat nahoru
Zobrazit informace o autorovi Odeslat soukromou zprávu
monterjirka



Založen: Jun 14, 2003
Příspěvky: 2864
Bydliště: Blížejov

PříspěvekZaslal: st březen 30 2022, 19:03    Předmět: Citovat

Válí se mi tu dvoje starší hodinky od Conrada, mají přijímače DCF, ale moc spokojen jsem s nimi nebyl...
Klidně bych je někomu věnoval na pokusy, možná kdyby se dala větší anténa...
Návrat nahoru
Zobrazit informace o autorovi Odeslat soukromou zprávu Odeslat e-mail
Grafiaus



Založen: Sep 30, 2011
Příspěvky: 125

PříspěvekZaslal: st březen 30 2022, 19:11    Předmět: Citovat

treba si pozriet troska historiu , je tam vela odpovedi
http://www.ebastlirna.cz/modules.php?name=Forums&file=viewtopic&t=57453&highlight=
http://www.ebastlirna.cz/modules.php?name=Forums&file=viewtopic&t=53827&highlight=
v dochodkovom veku cas na hranie , parada Smile
Návrat nahoru
Zobrazit informace o autorovi Odeslat soukromou zprávu
sis2



Založen: Oct 07, 2012
Příspěvky: 1442
Bydliště: JN89GF

PříspěvekZaslal: st březen 30 2022, 19:39    Předmět: Citovat

Ještě dodatek k předchozímu obrázku: Našel jsem v poznámkách, že s feritkou o Ø 10/150 mm, ladila na 77,5 kHz cívka s 300 závity 0,15 Cus nadivoko a s paralelní kombinací 680 pF a 100 pF. Takto je vinutí jednodušší.
Asi to byla feritka z nějakého lampového přijímače, co jsem v mládí rozebíral... A vítej mezi dědky Very Happy
Návrat nahoru
Zobrazit informace o autorovi Odeslat soukromou zprávu
Hill
Administrátor


Založen: Sep 10, 2004
Příspěvky: 20777
Bydliště: Jičín, Český ráj

PříspěvekZaslal: st březen 30 2022, 21:04    Předmět: Citovat

Rušení nesynchronním signálem účinně potlačí synchronní detektor, současně o nějaký ten decibel vylepší poměr signál/šum, a se strmější dolní propustí (10 - 20 Hz) na výstupu se dá dosáhnout vhodné selektivity.
Osvědčilo se zapojení s MAA661, jen laděný obvod na vstupu musí být na 77,5 kHz a neškodí si pohrát s hodnotami C5, C6 (alespoň trojnásobné kapacity) a P1. A bločky dát místo M1 radši M33.
Nevýhoda zapojení je v tom, že samotný šváb si bere přes 10 mA, takže je lepší přijímač napájet ze síťového zdroje a jen jím synchronizovat hodiny, které mají vlastní autonomní oscilátor, který je drží v chodu, když nemají signál DCF, nebo chybí napájení ze sítě.
Návrat nahoru
Zobrazit informace o autorovi Odeslat soukromou zprávu
Crifodo



Založen: Oct 11, 2005
Příspěvky: 15004

PříspěvekZaslal: čt březen 31 2022, 6:34    Předmět: Citovat

V tomto pásmu (velmi dlouhé vlny) je zrovna rušení 3 (_._) od většiny asijských spínaných pazdrojů. "Naštěstí" s poměrně malým dosahem, takže laborováním s umístěním se dá najít míň zarušený kout.
Návrat nahoru
Zobrazit informace o autorovi Odeslat soukromou zprávu Odeslat e-mail
serviceman



Založen: Jul 09, 2013
Příspěvky: 4095

PříspěvekZaslal: čt březen 31 2022, 7:18    Předmět: Citovat

Temic dělá spec. přijímač pro příjem DCF U4221B, který se obejde bez krystalu.
_________________
Nebojte se skloňovat (i cizí slova).
Návrat nahoru
Zobrazit informace o autorovi Odeslat soukromou zprávu
BastlDedek



Založen: Mar 30, 2022
Příspěvky: 22
Bydliště: Ústí nad Labem

PříspěvekZaslal: čt březen 31 2022, 9:44    Předmět: Citovat

Díky všem za plnohodnotné příspěvky a navíc uvítaní mezi Dědky Laughing
Někde na webu jsem nasel online návrh na desky plošných spojů ale já, hlava děravá, si už si nepamatuji kde nebo co to bylo jen vím že to bylo OnLine zkuste mi pls něco připomenout.

Diky
Návrat nahoru
Zobrazit informace o autorovi Odeslat soukromou zprávu Odeslat e-mail
Zobrazit příspěvky z předchozích:   
Přidat nové téma   Zaslat odpověď       Obsah fóra Diskuzní fórum Elektro Bastlírny -> Bezdrátová technika a technologie, VF technika Časy uváděny v GMT + 1 hodina
Jdi na stránku 1, 2, 3, 4  Další
Strana 1 z 4

 
Přejdi na:  
Nemůžete odesílat nové téma do tohoto fóra.
Nemůžete odpovídat na témata v tomto fóru.
Nemůžete upravovat své příspěvky v tomto fóru.
Nemůžete mazat své příspěvky v tomto fóru.
Nemůžete hlasovat v tomto fóru.
Nemůžete připojovat soubory k příspěvkům
Můžete stahovat a prohlížet přiložené soubory

Powered by phpBB © 2001, 2005 phpBB Group
Forums ©
Nuke - Elektro Bastlirna

Informace na portálu Elektro bastlírny jsou prezentovány za účelem vzdělání čtenářů a rozšíření zájmu o elektroniku. Autoři článků na serveru neberou žádnou zodpovědnost za škody vzniklé těmito zapojeními. Rovněž neberou žádnou odpovědnost za případnou újmu na zdraví vzniklou úrazem elektrickým proudem. Autoři a správci těchto stránek nepřejímají záruku za správnost zveřejněných materiálů. Předkládané informace a zapojení jsou zveřejněny bez ohledu na případné patenty třetích osob. Nároky na odškodnění na základě změn, chyb nebo vynechání jsou zásadně vyloučeny. Všechny registrované nebo jiné obchodní známky zde použité jsou majetkem jejich vlastníků. Uvedením nejsou zpochybněna z toho vyplývající vlastnická práva. Použití konstrukcí v rozporu se zákonem je přísně zakázáno. Vzhledem k tomu, že původ předkládaných materiálů nelze žádným způsobem dohledat, nelze je použít pro komerční účely! Tento nekomerční server nemá z uvedených zapojení či konstrukcí žádný zisk. Nezodpovídáme za pravost předkládaných materiálů třetími osobami a jejich původ. V případě, že zjistíte porušení autorského práva či jiné nesrovnalosti, kontaktujte administrátory na diskuzním fóru EB.


PHP-Nuke Copyright © 2005 by Francisco Burzi. This is free software, and you may redistribute it under the GPL. PHP-Nuke comes with absolutely no warranty, for details, see the license.
Čas potřebný ke zpracování stránky 0.19 sekund