Vítejte na Elektro Bastlírn?
Nuke - Elektro Bastlirna
  Vytvořit účet Hlavní · Fórum · DDump · Profil · Zprávy · Hledat na fóru · Příspěvky na provoz EB

Vlákno na téma KORONAVIRUS - nutná registrace


Nuke - Elektro Bastlirna: Diskuzní fórum

 FAQFAQ   HledatHledat   Uživatelské skupinyUživatelské skupiny   ProfilProfil   Soukromé zprávySoukromé zprávy   PřihlášeníPřihlášení 

Oprava rádia Blaupunkt rd4 n2
Jdi na stránku 1, 2  Další
 
Přidat nové téma   Zaslat odpověď       Obsah fóra Diskuzní fórum Elektro Bastlírny -> Autorádia
Zobrazit předchozí téma :: Zobrazit následující téma  
Autor Zpráva
PitrR



Založen: Jan 05, 2012
Příspěvky: 61
Bydliště: Praha Jihlava

PříspěvekZaslal: po prosinec 27 2021, 19:29    Předmět: Oprava rádia Blaupunkt rd4 n2 Citovat

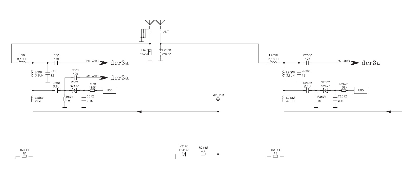
Zdravím přítomné. Mám dotaz ohledně opravy autorádia rd4 z mého auta (peu807) . Nedávno mi z ničeho nic přestalo fungovat rádio. Vše ostatní ( cd MP3 a CD měnič fungují bez závad. Rozebral sem autorádio a po vizuální kontrole sem objevil rozpadlou SMD tlumivku hned za vstupem jedné z antén. Tuto tlumivku sem vypájel a změřením bylo zjištěno že zbytek tlumivky je přerušený poté sem se pokusil vypájet tlumivku u druhé antény abych ji mohl změřit ale tlumivka vypájení nepřežila. Našel sem na netu schéma anténního obvodu tohoto rádia ale nepodařilo se mi přečíst hodnotu těchto tlumivek ani při zvětšení a s lupou. Dotaz zní jakou alespoň přibližnou hodnotu by měly mít obě tlumivky u vstupu antény. Vím že zde jsou odborníci na slovo vzatí, tak snad někdo poradí. Díky všem. P.R.
Návrat nahoru
Zobrazit informace o autorovi Odeslat soukromou zprávu
Ivan_01



Založen: Sep 15, 2018
Příspěvky: 1406
Bydliště: BB SK

PříspěvekZaslal: po prosinec 27 2021, 19:47    Předmět: Citovat

L50 a L2650 majú hodnotu 0.18 uH. Schémy máš tu https://elektrotanya.com/blaupunkt_psa-rd4_level2_7643141392.pdf/download.html#dl
Návrat nahoru
Zobrazit informace o autorovi Odeslat soukromou zprávu
PitrR



Založen: Jan 05, 2012
Příspěvky: 61
Bydliště: Praha Jihlava

PříspěvekZaslal: po prosinec 27 2021, 20:07    Předmět: Citovat

Jejda to byla rychlost. Moc děkuji. Zítra koupím a dám vědět jak oprava dopadla. P.
Návrat nahoru
Zobrazit informace o autorovi Odeslat soukromou zprávu
PitrR



Založen: Jan 05, 2012
Příspěvky: 61
Bydliště: Praha Jihlava

PříspěvekZaslal: st prosinec 29 2021, 13:14    Předmět: Citovat

Ještě jednou zdravím. V nabídce jsou tlumivky s feritovým jádrem a vinuté bez jádra a hodnota 0,18uF není. Nejbližší je 0,22uH Což asi není na závadu. Otázka zní: Který typ použít? S jádrem nebo bez? Moc děkuji. P.R.
Návrat nahoru
Zobrazit informace o autorovi Odeslat soukromou zprávu
Ivan_01



Založen: Sep 15, 2018
Příspěvky: 1406
Bydliště: BB SK

PříspěvekZaslal: st prosinec 29 2021, 19:17    Předmět: Citovat

použi ideálne taký typ, ako tam bol. Hodnota indukčnosti nieje kritická, samozrejme nie o rád
Návrat nahoru
Zobrazit informace o autorovi Odeslat soukromou zprávu
PitrR



Založen: Jan 05, 2012
Příspěvky: 61
Bydliště: Praha Jihlava

PříspěvekZaslal: st prosinec 29 2021, 19:38    Předmět: Citovat

Díky. Poslal sem SZ. Trošku jsem to popletl tak si nechci dělat ostudu.😉
Návrat nahoru
Zobrazit informace o autorovi Odeslat soukromou zprávu
Ivan_01



Založen: Sep 15, 2018
Příspěvky: 1406
Bydliště: BB SK

PříspěvekZaslal: st prosinec 29 2021, 19:43    Předmět: Citovat

výrez


Bez názvu3.jpg
 Komentář:
 Velikost:  75.79 kB
 Zobrazeno:  324 krát

Bez názvu3.jpg


Návrat nahoru
Zobrazit informace o autorovi Odeslat soukromou zprávu
PitrR



Založen: Jan 05, 2012
Příspěvky: 61
Bydliště: Praha Jihlava

PříspěvekZaslal: st prosinec 29 2021, 19:49    Předmět: Citovat

Toto schéma mám. Ale bohužel při zvětšení nelze přečíst ani na PC ani na mobilu. Jde mi o tlumivky hned za prvníma tlumivkama od ant. Vstupu. Tj. ty svislé. P.
Návrat nahoru
Zobrazit informace o autorovi Odeslat soukromou zprávu
Ivan_01



Založen: Sep 15, 2018
Příspěvky: 1406
Bydliště: BB SK

PříspěvekZaslal: st prosinec 29 2021, 19:54    Předmět: Citovat

L600 L2600 L2180 3.9 uH
L2080 20mH
Návrat nahoru
Zobrazit informace o autorovi Odeslat soukromou zprávu
PitrR



Založen: Jan 05, 2012
Příspěvky: 61
Bydliště: Praha Jihlava

PříspěvekZaslal: st prosinec 29 2021, 20:15    Předmět: Citovat

Teď nevim která cívka je která. V tom schéma to nepřečtu. Chtěl sem poslat fotku s označením těch cívek ale zpráva s přílohou mi nejde odeslat. P.
Návrat nahoru
Zobrazit informace o autorovi Odeslat soukromou zprávu
Ivan_01



Založen: Sep 15, 2018
Příspěvky: 1406
Bydliště: BB SK

PříspěvekZaslal: st prosinec 29 2021, 20:17    Předmět: Citovat

keď klikneš na ten obrázok (výrez schémy) čo som dal hore, otvorí sa v plnom rozlíšení v novom okne, či ?
Návrat nahoru
Zobrazit informace o autorovi Odeslat soukromou zprávu
PitrR



Založen: Jan 05, 2012
Příspěvky: 61
Bydliště: Praha Jihlava

PříspěvekZaslal: st prosinec 29 2021, 20:21    Předmět: Citovat

Jo už to krásně vidím. Jste trpělivý člověk. Moc děkuji. Smile 😉
Návrat nahoru
Zobrazit informace o autorovi Odeslat soukromou zprávu
PitrR



Založen: Jan 05, 2012
Příspěvky: 61
Bydliště: Praha Jihlava

PříspěvekZaslal: st prosinec 29 2021, 20:23    Předmět: Citovat

A ještě jednou....
S jádrem nebo bez?
Návrat nahoru
Zobrazit informace o autorovi Odeslat soukromou zprávu
Ivan_01



Založen: Sep 15, 2018
Příspěvky: 1406
Bydliště: BB SK

PříspěvekZaslal: st prosinec 29 2021, 20:27    Předmět: Citovat

a ešte raz, aké tam boli predtým ?
Návrat nahoru
Zobrazit informace o autorovi Odeslat soukromou zprávu
PitrR



Založen: Jan 05, 2012
Příspěvky: 61
Bydliště: Praha Jihlava

PříspěvekZaslal: st prosinec 29 2021, 20:30    Předmět: Citovat

To nevím. Byly to kostičky 3x3m bez popisu.
Návrat nahoru
Zobrazit informace o autorovi Odeslat soukromou zprávu
Zobrazit příspěvky z předchozích:   
Přidat nové téma   Zaslat odpověď       Obsah fóra Diskuzní fórum Elektro Bastlírny -> Autorádia Časy uváděny v GMT + 1 hodina
Jdi na stránku 1, 2  Další
Strana 1 z 2

 
Přejdi na:  
Nemůžete odesílat nové téma do tohoto fóra.
Nemůžete odpovídat na témata v tomto fóru.
Nemůžete upravovat své příspěvky v tomto fóru.
Nemůžete mazat své příspěvky v tomto fóru.
Nemůžete hlasovat v tomto fóru.
Nemůžete připojovat soubory k příspěvkům
Můžete stahovat a prohlížet přiložené soubory

Powered by phpBB © 2001, 2005 phpBB Group
Forums ©
Nuke - Elektro Bastlirna

Informace na portálu Elektro bastlírny jsou prezentovány za účelem vzdělání čtenářů a rozšíření zájmu o elektroniku. Autoři článků na serveru neberou žádnou zodpovědnost za škody vzniklé těmito zapojeními. Rovněž neberou žádnou odpovědnost za případnou újmu na zdraví vzniklou úrazem elektrickým proudem. Autoři a správci těchto stránek nepřejímají záruku za správnost zveřejněných materiálů. Předkládané informace a zapojení jsou zveřejněny bez ohledu na případné patenty třetích osob. Nároky na odškodnění na základě změn, chyb nebo vynechání jsou zásadně vyloučeny. Všechny registrované nebo jiné obchodní známky zde použité jsou majetkem jejich vlastníků. Uvedením nejsou zpochybněna z toho vyplývající vlastnická práva. Použití konstrukcí v rozporu se zákonem je přísně zakázáno. Vzhledem k tomu, že původ předkládaných materiálů nelze žádným způsobem dohledat, nelze je použít pro komerční účely! Tento nekomerční server nemá z uvedených zapojení či konstrukcí žádný zisk. Nezodpovídáme za pravost předkládaných materiálů třetími osobami a jejich původ. V případě, že zjistíte porušení autorského práva či jiné nesrovnalosti, kontaktujte administrátory na diskuzním fóru EB.


PHP-Nuke Copyright © 2005 by Francisco Burzi. This is free software, and you may redistribute it under the GPL. PHP-Nuke comes with absolutely no warranty, for details, see the license.
Čas potřebný ke zpracování stránky 0.21 sekund