Vítejte na Elektro Bastlírn?
Nuke - Elektro Bastlirna
  Vytvořit účet
Hlavní · Fórum · DDump · Profil · Zprávy · Hledat na fóru


Nuke - Elektro Bastlirna: Diskuzní fórum

 FAQFAQ   HledatHledat   Uživatelské skupinyUživatelské skupiny   ProfilProfil   Soukromé zprávySoukromé zprávy   PřihlášeníPřihlášení 

Barevná hudba s GC521
Jdi na stránku 1, 2, 3  Další
 
Přidat nové téma   Zaslat odpověď       Obsah fóra Diskuzní fórum Elektro Bastlírny -> Audiotechnika
Zobrazit předchozí téma :: Zobrazit následující téma  
Autor Zpráva
radar_1967



Založen: Aug 28, 2014
Příspěvky: 11

PříspěvekZaslal: so březen 20 2021, 6:51    Předmět: Barevná hudba s GC521 Citovat

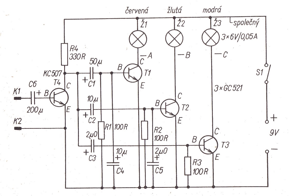
Dobrý den, chtěl bych poprosit o radu. Doma jsem vyhrabal starou knížku Od krystalky po modely s tranzistory a podle ní bych chtěl postavit barevnou hudbu viz. obr. Moje představa je, že místo 6V žaroviček, které jsou ve schématu, bych použil 12V LED pásky, ale nevím jaké použít tranzistory, protože GC521 jsou už hodně velká historie a KC507 už taky dávno v zásobách nemám. Předem díky moc!


IMG.jpg
 Komentář:
 Velikost:  135.13 kB
 Zobrazeno:  292 krát

IMG.jpg


Návrat nahoru
Zobrazit informace o autorovi Odeslat soukromou zprávu
Kremik



Založen: Mar 30, 2012
Příspěvky: 3732
Bydliště: Havířov

PříspěvekZaslal: so březen 20 2021, 7:15    Předmět: Citovat

Toto je jedno z nejhorších zapojení barevné hudby jaké jsem viděl. T1 bez předpětí nebude fungovat a jeho kolektor je natvrdo proti zemi zatlučen C1+C4 a C2+C5.
Navíc takto koncipovaná zapojení blikají spíš otravně než hezky.
Toto konkrétně bude fungovat tak, že všechny žárovky budou blikat stejně, rozdíl bude jen v tom, že Ž1 bude mít jas nejvyšši, Ž2 střední a Ž3 slabý. A to jen pokud T1 přiotevřeš proudem do báze.
Návrat nahoru
Zobrazit informace o autorovi Odeslat soukromou zprávu Odeslat e-mail
workhard



Založen: Jul 07, 2006
Příspěvky: 5523
Bydliště: Plzeň

PříspěvekZaslal: so březen 20 2021, 7:54    Předmět: Citovat

Taky jsem to zkoušel, pak jsem udělal systém mikrofon-tvarovač-posuvný registr s osmi žárovkama a to bylo mnohem lepší.
_________________
Věci,které fungují,se ZÁSADNĚ neopravují...
Návrat nahoru
Zobrazit informace o autorovi Odeslat soukromou zprávu
ZVUK2000



Založen: Apr 22, 2012
Příspěvky: 4478
Bydliště: Karvinsko

PříspěvekZaslal: so březen 20 2021, 8:38    Předmět: Citovat

Ty 100ohmové mají podle mne docela malou hodnotu.
Návrat nahoru
Zobrazit informace o autorovi Odeslat soukromou zprávu Odeslat e-mail
jardafiala



Založen: Jun 20, 2010
Příspěvky: 2609
Bydliště: Česká Lípa

PříspěvekZaslal: so březen 20 2021, 8:50    Předmět: Citovat

Ano, bude to hnusný, ale nikdo neodpověděl, jak nahradit tranzistory. Takže třeba od HADEXu ksy62b, nebo 2N222 za pár korun. Nebo jakýkoli jinýmalý levný NPN tranzistor. Kdyby se někdo podivoval proč HADEX - levná doprava.
Návrat nahoru
Zobrazit informace o autorovi Odeslat soukromou zprávu Odeslat e-mail
ZVUK2000



Založen: Apr 22, 2012
Příspěvky: 4478
Bydliště: Karvinsko

PříspěvekZaslal: so březen 20 2021, 9:12    Předmět: Citovat

Píšeš že chceš použít LED pásky. Nenapsal jak dlouhé a kolik mA bere jeden článek toho pásku. Pak můžeme navrhnout náhradu tranzistorů.
Návrat nahoru
Zobrazit informace o autorovi Odeslat soukromou zprávu Odeslat e-mail
sinclair



Založen: Feb 02, 2005
Příspěvky: 9923
Bydliště: Luhačovice

PříspěvekZaslal: so březen 20 2021, 9:50    Předmět: Citovat

KC507 až KC509 lze přece stále koupit.
GC521 je jednoampérový NPN bambus. Z toho Hadexu třeba KCY38. Taky do 1A, s vějířkem.
Proč ho doprdele nenecháte, ať si to vyzkouší sám, jestli a jak to funguje?


Naposledy upravil sinclair dne so březen 20 2021, 9:56, celkově upraveno 1 krát.
Návrat nahoru
Zobrazit informace o autorovi Odeslat soukromou zprávu Odeslat e-mail
mi-ro



Založen: Feb 08, 2005
Příspěvky: 8755
Bydliště: rovina u Kolína

PříspěvekZaslal: so březen 20 2021, 9:55    Předmět: Citovat

No a taky napájení už nepůjde z 9V baterie. Ale bezpečných 12V adaptérů je všude hafo. Ano, v podstatě půjde použít jakýkoliv Ge i Si NPN tranzistor. Jen je potřeba vyhledat jeho datasheet, napětí asi nebude problém. Neznám trandy který by neuměly 12V ale podstatný bude proud. Ten musí umět větší než bude proud LED páskama. Beta-zesílení snad taky nebude problém.
_________________
..to bude jen ňákej odpůrek
Návrat nahoru
Zobrazit informace o autorovi Odeslat soukromou zprávu Odeslat e-mail
termit256



Založen: Dec 06, 2007
Příspěvky: 10335

PříspěvekZaslal: so březen 20 2021, 10:28    Předmět: Citovat

Kup si klidne i ten original http://www.avelektronik.cz/gc521
Na faktu, ze to bude fungovat blbe nebo vubec nic nezmenis at uz pouzijes jakykoliv tranzistor, takze je vlastne jedno co tam das.
Návrat nahoru
Zobrazit informace o autorovi Odeslat soukromou zprávu
radar_1967



Založen: Aug 28, 2014
Příspěvky: 11

PříspěvekZaslal: so březen 20 2021, 11:14    Předmět: Citovat

Díky za všechny odpovědi. Že už to nepůjde na 9V baterii je mi jasný a ani jsem napájení z 9V baterie neměl v plánu Wink . Pásky mám tyhle: https://www.aliexpress.com/item/4000909370164.html?spm=a2g0o.productlist.0.0.2a6b539c9ZvVBG&algo_pvid=795df009-e438-4c16-8339-ddd9452022ca&algo_expid=795df009-e438-4c16-8339-ddd9452022ca-42&btsid=2100bb4916162343623784569ee429&ws_ab_test=searchweb0_0,searchweb201602_,searchweb201603_. Pokud je ale uvedené zapojení tester pro epileptiky Laughing , nemá cenu se tím zabývat a jít dál. Barevku s mikrofnem jak uvádí workhard jsem kdysi měl, ale tam mi nevyhovovalo, že to bralo i zvuky z okolí. Nemáte tedy někdo lepší a vyzkoušené zapojení bez mikrofonu a na LED pásky? Předem díky!
Návrat nahoru
Zobrazit informace o autorovi Odeslat soukromou zprávu
monterjirka



Založen: Jun 14, 2003
Příspěvky: 2867
Bydliště: Blížejov

PříspěvekZaslal: so březen 20 2021, 11:29    Předmět: Citovat

Kremik napsal(a):
... T1 bez předpětí nebude fungovat... A to jen pokud T1 přiotevřeš proudem do báze.


Není to ojedinělý případ, kdy někomu něco nějak fungovalo s ne úplně kvalitním elektrolitickým kondenzátorem a Ge tranzistorem, on to to překreslil, dal tam moderní součástky a aniž by to zkusil, předhodil to mladým zájemcům, a ti si na to udělali krok k tomu, aby s tím sekli a věnovali se jiné zábavě!
Škoda!

A za "nejhorší" barevnou bych spíše by bral jednu konstrukci z AR
Návrat nahoru
Zobrazit informace o autorovi Odeslat soukromou zprávu Odeslat e-mail
ZdenekHQ
Administrátor


Založen: Jul 21, 2006
Příspěvky: 25741
Bydliště: skoro Brno

PříspěvekZaslal: so březen 20 2021, 12:35    Předmět: Citovat

sinclair napsal(a):
Proč ho doprdele nenecháte, ať si to vyzkouší sám, jestli a jak to funguje?

No protože třeba já zkoušel podle té knížky postavit kde co, a můj otec mně neřekl, ať tu knížku zahodím, že je to brak. Raději mě pomlouval, že tolik zničených polovodičů v životě neviděl. Dokážeš si představit, jak se pak takový dítě cítí?

Takže rada zní - nestav to. Je to pitomost.

_________________
Pro moje oslovení klidně použijte jméno Zdeněk
Správně navržené zapojení je jako recept na dobré jídlo.
Můžete vynechat půlku ingrediencí, nebo přidat jiné,
ale jste si jistí, že vám to bude chutnat[?
]
Návrat nahoru
Zobrazit informace o autorovi Odeslat soukromou zprávu Zobrazit autorovy WWW stránky
radar_1967



Založen: Aug 28, 2014
Příspěvky: 11

PříspěvekZaslal: so březen 20 2021, 13:08    Předmět: Citovat

OK, stavět nebudu. Našel jsem následující schémata. Schéma 1 je z nějakýho ruskýho webu a jsou tam tranzistory KT508 - jaký by byl vhodný ekvivalent? Schéma č.2 je možná méně problematické. Arrow


hudba.jpg
 Komentář:
 Velikost:  78.77 kB
 Zobrazeno:  158 krát

hudba.jpg



hudba 2.png
 Komentář:
 Velikost:  288.53 kB
 Zobrazeno:  170 krát

hudba 2.png


Návrat nahoru
Zobrazit informace o autorovi Odeslat soukromou zprávu
Kremik



Založen: Mar 30, 2012
Příspěvky: 3732
Bydliště: Havířov

PříspěvekZaslal: so březen 20 2021, 13:51    Předmět: Citovat

sinclair napsal(a):
Proč ho doprdele nenecháte, ať si to vyzkouší sám, jestli a jak to funguje?

Protože publikovat takové zapojení je přinejmenším nezodpovědnost. A nebo ze stejného důvodu, proč Ty se snažíš, ať si někdo nedojebe zesilovač. Třeba.

Jinak jo, ty další zapojení jsou už lepší. Ovšem celý tento princip barevky, rozsvěcovat žárovky jen prostým rozložením hudebního spektra je takový nanicovatý. Člověk vnímá hudbu jinak. Kdysi jsem si postavil barevku na tomto principu dle svého návrhu, s komparátory a OZ, dalo se tam ledacos nastavit, ale prostě to pořád nebylo ono. Napadaly mě další a další úpravy a vylepšení, až jsem se nakonec rozhodl, že takový orloj kvůli třem žárovkám stavět nebudu. Destička s OZ mi tu pořád někde leží.

Bicí by měly rozsvěcovat jednu žárovku, bez slabšího bliknutí středů, dlouhý hluboký tón jinou žárovku, a tak různě postupně až do výšek. Pak by to bylo hezké.
Ty jednoduché jsou k ničemu. Oko není ucho. To už je mnohem hezčí chodící membrána při infrazvucích Very Happy
Návrat nahoru
Zobrazit informace o autorovi Odeslat soukromou zprávu Odeslat e-mail
xsc



Založen: Sep 25, 2014
Příspěvky: 8630

PříspěvekZaslal: so březen 20 2021, 13:56    Předmět: Citovat

To schéma 1 je v podstatě ekvivalent toho s tím germaniem. To nestav. Ono i to sice dokáže trochu fungovat, ale je potřeba na vstup přivést signál s větším rozkmitem.
Schéma 2 má aspoň vyřešené základní nastavení pracovního bodu, takže se bude chovat rozumněji.
Návrat nahoru
Zobrazit informace o autorovi Odeslat soukromou zprávu
Zobrazit příspěvky z předchozích:   
Přidat nové téma   Zaslat odpověď       Obsah fóra Diskuzní fórum Elektro Bastlírny -> Audiotechnika Časy uváděny v GMT + 1 hodina
Jdi na stránku 1, 2, 3  Další
Strana 1 z 3

 
Přejdi na:  
Nemůžete odesílat nové téma do tohoto fóra.
Nemůžete odpovídat na témata v tomto fóru.
Nemůžete upravovat své příspěvky v tomto fóru.
Nemůžete mazat své příspěvky v tomto fóru.
Nemůžete hlasovat v tomto fóru.
Nemůžete připojovat soubory k příspěvkům
Můžete stahovat a prohlížet přiložené soubory

Powered by phpBB © 2001, 2005 phpBB Group
Forums ©
Nuke - Elektro Bastlirna

Informace na portálu Elektro bastlírny jsou prezentovány za účelem vzdělání čtenářů a rozšíření zájmu o elektroniku. Autoři článků na serveru neberou žádnou zodpovědnost za škody vzniklé těmito zapojeními. Rovněž neberou žádnou odpovědnost za případnou újmu na zdraví vzniklou úrazem elektrickým proudem. Autoři a správci těchto stránek nepřejímají záruku za správnost zveřejněných materiálů. Předkládané informace a zapojení jsou zveřejněny bez ohledu na případné patenty třetích osob. Nároky na odškodnění na základě změn, chyb nebo vynechání jsou zásadně vyloučeny. Všechny registrované nebo jiné obchodní známky zde použité jsou majetkem jejich vlastníků. Uvedením nejsou zpochybněna z toho vyplývající vlastnická práva. Použití konstrukcí v rozporu se zákonem je přísně zakázáno. Vzhledem k tomu, že původ předkládaných materiálů nelze žádným způsobem dohledat, nelze je použít pro komerční účely! Tento nekomerční server nemá z uvedených zapojení či konstrukcí žádný zisk. Nezodpovídáme za pravost předkládaných materiálů třetími osobami a jejich původ. V případě, že zjistíte porušení autorského práva či jiné nesrovnalosti, kontaktujte administrátory na diskuzním fóru EB.


PHP-Nuke Copyright © 2005 by Francisco Burzi. This is free software, and you may redistribute it under the GPL. PHP-Nuke comes with absolutely no warranty, for details, see the license.
Čas potřebný ke zpracování stránky 0.17 sekund