Vítejte na Elektro Bastlírn?
Nuke - Elektro Bastlirna
  Vytvořit účet
Hlavní · Fórum · DDump · Profil · Zprávy · Hledat na fóru


Nuke - Elektro Bastlirna: Diskuzní fórum

 FAQFAQ   HledatHledat   Uživatelské skupinyUživatelské skupiny   ProfilProfil   Soukromé zprávySoukromé zprávy   PřihlášeníPřihlášení 

Laboratorní zdroj a nabíječka

 
Přidat nové téma   Zaslat odpověď       Obsah fóra Diskuzní fórum Elektro Bastlírny -> Svářečky, UPS, nabíječe, měniče, zdroje, trafa a další
Zobrazit předchozí téma :: Zobrazit následující téma  
Autor Zpráva
petrfilipi



Založen: Sep 13, 2005
Příspěvky: 2911

PříspěvekZaslal: ne prosinec 20 2020, 21:49    Předmět: Laboratorní zdroj a nabíječka Citovat

Nazdar všem.

Obrátil se na mě kolega s dotazem, zdali bychom mu společnými silami postavili nějaký rozumný laboratorní zdroj. Představa je tak 0-30V/5A max. Jde mu hlavně o nějakou rozumnou jednoduchost nastavování U/I, protože ty zdroje s barevným displejem (DPS3005) z EBaye jsou, myslím, "not user freindly".
Hledal jsem, hledal a nalezl asi toto:
• Konstrukční příloha Am. rádia 1983 -zdroj 0-30V/5A s předregulací - jak tady už někdo psal, je to regulováno na síťové frekvenci, takže se těžko odfitrovává 50 (100) Hz. Ale jinak to má hlavu a patu, výkon se neprotápí na tranzistoru.
Zdroj s LM350
Zdroj s LM723
Zdroj s 2X LM723 - Tohle bych viděl asi jako nejzdařilejší.
• Nebo použít nějaký průmyslový zdroj 230/24V/5A a step-down měnič?

Navíc by chtěl využít vestavěné trafo i jako nabíječku, ale tam mám celkem jasno - Nabíječ s charakteristikou I z AR 10/81 je jasná volba, běhá mi tak asi 20 let k plné spokojenosti. Vyzkoušel jsem namísto ručkového měřáku i kombinovaný digitál U a I a vypadá to, že v tom nebude problém.

Co vy na to? Nemáte někdo zkušenosti se stavbou lineárního zdroje s přepínáním sekundárních odboček? Já mám Diametral P230R51D doma i v práci a běhá dobře, takže bych mu rád doporučil něco podobného. Ten můj domácí stál 2.500 Kč, tak to nebylo o čem přemýšlet.

Díky za rady.

PF
Návrat nahoru
Zobrazit informace o autorovi Odeslat soukromou zprávu Odeslat e-mail
jezevec
Hlavní moderátor


Založen: Jun 13, 2004
Příspěvky: 6145
Bydliště: Břeclavsko

PříspěvekZaslal: ne prosinec 20 2020, 22:31    Předmět: Citovat

Tohle má jednoduchý nastavování a za tu cenu ho nepostavíš.
Návrat nahoru
Zobrazit informace o autorovi Odeslat soukromou zprávu Zobrazit autorovy WWW stránky
jardafiala



Založen: Jun 20, 2010
Příspěvky: 2569
Bydliště: Česká Lípa

PříspěvekZaslal: ne prosinec 20 2020, 23:36    Předmět: Citovat

A co tohle https://aukro.cz/zpa-aul-210-laboratorni-zdroj-6979792840. Nebo zadej na aukru laboratorní zdroj.
Návrat nahoru
Zobrazit informace o autorovi Odeslat soukromou zprávu Odeslat e-mail
petrfilipi



Založen: Sep 13, 2005
Příspěvky: 2911

PříspěvekZaslal: po prosinec 21 2020, 8:04    Předmět: Citovat

Díky za odkazy, chlapi. Já i kolega jsme mysleli si spíše postavit něco vlastního.
PF
Návrat nahoru
Zobrazit informace o autorovi Odeslat soukromou zprávu Odeslat e-mail
BOBOBO
Doporučuje se dohled statného moderátora


Založen: Feb 25, 2008
Příspěvky: 21078
Bydliště: Rychnovsko

PříspěvekZaslal: po prosinec 21 2020, 9:41    Předmět: Citovat

S tou 723kou jse stavěl dle amára , pak bylo přestavěno na obyčoperák=odcházel trand omezení proudu . jede těch přes 40 let , stejnětak ta nabíječka , ještě k ní byla dodělána regulace , snížení proudu při určitém napětí na aku .
Návrat nahoru
Zobrazit informace o autorovi Odeslat soukromou zprávu
jezevec
Hlavní moderátor


Založen: Jun 13, 2004
Příspěvky: 6145
Bydliště: Břeclavsko

PříspěvekZaslal: po prosinec 21 2020, 10:12    Předmět: Citovat

Pak tedy uveď, jaké máš k dispozici trafo.
Nedávno jsem jeden podobných parametrů dělal.
Návrat nahoru
Zobrazit informace o autorovi Odeslat soukromou zprávu Zobrazit autorovy WWW stránky
bdn



Založen: Jan 16, 2020
Příspěvky: 571

PříspěvekZaslal: po prosinec 21 2020, 10:21    Předmět: Citovat

Zajímavý regulovatelný zdroj s třemi transistory, čtynásobným opamp. LM324 a TL431A
https://www.homemade-circuits.com/universal-variable-power-supply-circuit/
Jinak bych doporučil sledovat aukro, zda se něco neobjeví hotové tam.
Návrat nahoru
Zobrazit informace o autorovi Odeslat soukromou zprávu
Kvicala_r



Založen: Jan 19, 2005
Příspěvky: 3550
Bydliště: Haná / N.J.

PříspěvekZaslal: po prosinec 21 2020, 10:28    Předmět: Citovat

Já 723 stavěl jako první zdroj (na DPS i s 2x ICL a na druhém panelu Displaye). Díky absenci zkušensotí z toho byl nakoneč šmelc. po letech sem se k tomu vrátil a zjistil že ta 723 mě tak jako tak zklamala svojí stabilitou (hlavně nastavení proudové smyčky).
Na nenáročné věci dlouho používám LM317 doplněnou navíc o hlídání teploty koncového trandu.
vlákno k tomu zde.
Je to jednoduchy a poměrně nezáludny.

Jinak najdeš hodně doporučovanou G400
Návrat nahoru
Zobrazit informace o autorovi Odeslat soukromou zprávu
petrfilipi



Založen: Sep 13, 2005
Příspěvky: 2911

PříspěvekZaslal: po prosinec 21 2020, 12:05    Předmět: Citovat

Jezevec, ze stavby zdroje máš 1*.
Jo, něco takového jsem hledal.

PF
Návrat nahoru
Zobrazit informace o autorovi Odeslat soukromou zprávu Odeslat e-mail
Milan_F



Založen: Oct 03, 2005
Příspěvky: 1793
Bydliště: nedaleko Humpolce

PříspěvekZaslal: po prosinec 21 2020, 12:32    Předmět: Citovat

jezevec napsal(a):
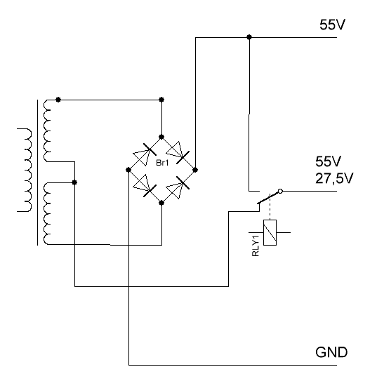
[img]https://svetelektro.com/Forum/download/file.php?id=122538&sid=371d518ba0c5038057e6022c8a980a5c&mode=view[/img]

Proč zbytečně protápíš výkon na dvou Graetzech, když to jde udělat jen s jedním.
Ještě by to chtělo doplnit ochranou diodu přes výkonový trandy.
Nevím, jestli je dobrej nápad cpát trimr do zpětný vazby (P9).



USM.GIF
 Komentář:
 Velikost:  4.96 kB
 Zobrazeno:  107 krát

USM.GIF


Návrat nahoru
Zobrazit informace o autorovi Odeslat soukromou zprávu
jezevec
Hlavní moderátor


Založen: Jun 13, 2004
Příspěvky: 6145
Bydliště: Břeclavsko

PříspěvekZaslal: po prosinec 21 2020, 18:04    Předmět: Citovat

Milan_F napsal(a):

Proč zbytečně protápíš výkon na dvou Graetzech, když to jde udělat jen s jedním...

Abych pravdu řekl, tohle řešení mě nenapadlo.
Návrat nahoru
Zobrazit informace o autorovi Odeslat soukromou zprávu Zobrazit autorovy WWW stránky
Zobrazit příspěvky z předchozích:   
Přidat nové téma   Zaslat odpověď       Obsah fóra Diskuzní fórum Elektro Bastlírny -> Svářečky, UPS, nabíječe, měniče, zdroje, trafa a další Časy uváděny v GMT + 1 hodina
Strana 1 z 1

 
Přejdi na:  
Nemůžete odesílat nové téma do tohoto fóra.
Nemůžete odpovídat na témata v tomto fóru.
Nemůžete upravovat své příspěvky v tomto fóru.
Nemůžete mazat své příspěvky v tomto fóru.
Nemůžete hlasovat v tomto fóru.
Nemůžete připojovat soubory k příspěvkům
Můžete stahovat a prohlížet přiložené soubory

Powered by phpBB © 2001, 2005 phpBB Group
Forums ©
Nuke - Elektro Bastlirna

Informace na portálu Elektro bastlírny jsou prezentovány za účelem vzdělání čtenářů a rozšíření zájmu o elektroniku. Autoři článků na serveru neberou žádnou zodpovědnost za škody vzniklé těmito zapojeními. Rovněž neberou žádnou odpovědnost za případnou újmu na zdraví vzniklou úrazem elektrickým proudem. Autoři a správci těchto stránek nepřejímají záruku za správnost zveřejněných materiálů. Předkládané informace a zapojení jsou zveřejněny bez ohledu na případné patenty třetích osob. Nároky na odškodnění na základě změn, chyb nebo vynechání jsou zásadně vyloučeny. Všechny registrované nebo jiné obchodní známky zde použité jsou majetkem jejich vlastníků. Uvedením nejsou zpochybněna z toho vyplývající vlastnická práva. Použití konstrukcí v rozporu se zákonem je přísně zakázáno. Vzhledem k tomu, že původ předkládaných materiálů nelze žádným způsobem dohledat, nelze je použít pro komerční účely! Tento nekomerční server nemá z uvedených zapojení či konstrukcí žádný zisk. Nezodpovídáme za pravost předkládaných materiálů třetími osobami a jejich původ. V případě, že zjistíte porušení autorského práva či jiné nesrovnalosti, kontaktujte administrátory na diskuzním fóru EB.


PHP-Nuke Copyright © 2005 by Francisco Burzi. This is free software, and you may redistribute it under the GPL. PHP-Nuke comes with absolutely no warranty, for details, see the license.
Čas potřebný ke zpracování stránky 0.14 sekund