Vítejte na Elektro Bastlírn?
Nuke - Elektro Bastlirna
  Vytvořit účet Hlavní · Fórum · DDump · Profil · Zprávy · Hledat na fóru · Příspěvky na provoz EB

Vlákno na téma KORONAVIRUS - nutná registrace


Nuke - Elektro Bastlirna: Diskuzní fórum

 FAQFAQ   HledatHledat   Uživatelské skupinyUživatelské skupiny   ProfilProfil   Soukromé zprávySoukromé zprávy   PřihlášeníPřihlášení 

tester autorelé

 
Přidat nové téma   Zaslat odpověď       Obsah fóra Diskuzní fórum Elektro Bastlírny -> Poradna
Zobrazit předchozí téma :: Zobrazit následující téma  
Autor Zpráva
radkz



Založen: Oct 22, 2007
Příspěvky: 27

PříspěvekZaslal: čt květen 21 2020, 14:40    Předmět: tester autorelé Citovat

Dobrý deň,

máte niekto skúsenosť s používaním testeru autorelé?
Napr. Voltcraft RT-100

ďakujem za odpovede
Návrat nahoru
Zobrazit informace o autorovi Odeslat soukromou zprávu
forbidden



Založen: Feb 14, 2005
Příspěvky: 9422
Bydliště: Brno (JN89GF)

PříspěvekZaslal: čt květen 21 2020, 15:10    Předmět: Citovat

Nemám, ale momentálně dodělávám návrh univerzálního testeru relé. Protože relé občas testovat potřebuju. Mám tam dva nastavitelný proudy kontaktama, možnost testovat NO i NC kontakty a nastavení max. času, kdy má sepnout/rozepnout a samozřejmě volbu počtu testovacích cyklů.
Zbývá mi domyslet měnič na napájení, abych mohl testovat relé s cívkou 5-48 V a nemusel řešit extra napájení elektroniky. Až budu objednávat DPSky, určitě zase zbudou. Akorát to bude ještě trvat.



Tester relé.png
 Komentář:
tester relé
 Velikost:  58.12 kB
 Zobrazeno:  318 krát

Tester relé.png


Návrat nahoru
Zobrazit informace o autorovi Odeslat soukromou zprávu Zobrazit autorovy WWW stránky
GeorgeB



Založen: Nov 21, 2005
Příspěvky: 1247
Bydliště: Pardubice

PříspěvekZaslal: so květen 23 2020, 18:57    Předmět: Citovat

Já teď toho Volcrafta RT-100 objednal, tak uvidím jak funguje. Dle popisu by měl testovat 10x a pokaždé měřit odpor kontaktů a v případě, že je v některém testu větší než 200mOhm, tak vyhodnotit chybu. Jakým proudem testuje nevím. Podle mě to chce testovat malým i velkým proudem. Některá relé mají problém spíš s malým proudem.

Návrh s mikrokontrolérem PIC od forbidden se mi líbí. Navíc jde programově nastavit mnohem více testů a například i měřit dobu sepnutí a odpadnutí kontaktů.
Pokud by byla pak konstrukce k prodeji,tak bych měl zájem. Bude to jako finální výrobek?
Návrat nahoru
Zobrazit informace o autorovi Odeslat soukromou zprávu Zobrazit autorovy WWW stránky
forbidden



Založen: Feb 14, 2005
Příspěvky: 9422
Bydliště: Brno (JN89GF)

PříspěvekZaslal: so květen 23 2020, 20:01    Předmět: Citovat

Já mám momentálně možnost volby proudu mezi cca 10 mA a 100 mA, ale změnit to je jen záležitost dvou odporů (4 celkem). Nad možností měřit čas jsem uvažoval, nicméně momentálně je to opačně, v menu nastavím maximální dovolený čas a testuju, jestli relé sepne/rozepne. Ona ta antiparalelní dioda čas odpadnutí taky lehce prodlouží. Napadlo mě ještě přidat detekci zkratu cívky, respektive příliš velkýho proudu cívkou. Testovací cykly můžu momentálně nastavit 10-1000, po deseti. Taky jsem uvažoval o měření odporu kontaktů, jenže nebudu mít v DPS sokly, ale spíš měřící šňůry a krokodýlky, tak se přechodový odpory už dost projeví. Zkoušel jsem to, a nastavit to na 200 mΩ je docela problematický, takový měřící háčky zaháknutý na trochu zoxidovanej vývod mají už problém. Navíc pro menší proudy bych asi už musel dát před ADC zesilovač, aby to mělo trochu rozumný rozlišení. Mám to zatím jen na bastdesce, tak můžu testovat a zkoušet, ale primárně mě zajímá hlavně jestli spolehlivě spíná, než extra přesný měření parametrů. Zatím nejčastější záludnost u relé jsem potkal, že spíná jen v určité poloze, otočím relé vzhůru nohama a spínat přestane. Už mě to jednou vytrestalo. Very Happy
Jako hotovou věc to prodávat asi neplánuju, nevím, jestli by byl zrovna o toto zájem. Ale určitě budu mít DPSky navíc, jako vždy.
Pokud zbude v paměti místo, asi tam přidám to měření času přítahu a odpadu, uvidím.
Návrat nahoru
Zobrazit informace o autorovi Odeslat soukromou zprávu Zobrazit autorovy WWW stránky
milan78



Založen: Nov 02, 2016
Příspěvky: 8

PříspěvekZaslal: út červen 02 2020, 20:33    Předmět: Citovat

Zásadní problém je právě ten odpor kontaktů v zatížení. Relé takhle kontroluji, ale při 2 až 10A, a samozřejmě naletované kontakty. Spínání s otevřeným kolektorem (nebo FET) řeší nezávislost na napětí cívky i laborování s napětím při kterém sepne a kdy ještě drží.... Napálené kontakty se tak projeví. Třeba v arduinu , a výsledky posílat přes UART by bylo jednoduché. Většinou ale stačí pár krát změřit odpor při velkém proudu.
Návrat nahoru
Zobrazit informace o autorovi Odeslat soukromou zprávu
termit256



Založen: Dec 06, 2007
Příspěvky: 10335

PříspěvekZaslal: út červen 02 2020, 20:53    Předmět: Citovat

Taky jsem to mel pred casem v planu vyrabet, z nedostatku smysluplnejsi cinnosti. Mela to byt kombinace tohoto https://www.ebay.com/itm/12V-Car-Relay-Tester-Electronic-Test-Tools-Automotive-Diagnostic-Battery-Checker/362976727027?hash=item5483194ff3:g:768AAOSwO8xen98l
+ nastavovani proudu a chtel jsem tam zamontovat i zobrazeni prubehu sepnuti na necem takovem https://www.ebay.de/itm/Clear-Acrylic-Case-Housing-Cover-for-DSO138-2-4-TFT-Digital-Oscilloscope-/263551048339

Ale je to zatim v hodne nedodelane fazi a netusim kdy se k tomu zas dostanu.
Návrat nahoru
Zobrazit informace o autorovi Odeslat soukromou zprávu
forbidden



Založen: Feb 14, 2005
Příspěvky: 9422
Bydliště: Brno (JN89GF)

PříspěvekZaslal: út únor 01 2022, 20:19    Předmět: Citovat

Tak já se k tomu zase konečně dostal, po skoro dvou letech. Confused Program je ve verzi 0.4, ale plně funkční. Spíš si jen nechávám prostor pro nějaký nápady, ale jak se tak znám, tak to tak asi zůstane... Hlavněže to funguje a můžu to používat, poslední dobou ty malý relé potřebuju testovat docela často. Napájení je 7-60 V, to jde přímo na cívku. Ostatní jak jsem psal výše.


tester1.jpg
 Komentář:
tester relé
 Velikost:  151.38 kB
 Zobrazeno:  125 krát

tester1.jpg



tester2.jpg
 Komentář:
tester relé
 Velikost:  189.79 kB
 Zobrazeno:  126 krát

tester2.jpg


Návrat nahoru
Zobrazit informace o autorovi Odeslat soukromou zprávu Zobrazit autorovy WWW stránky
GeorgeB



Založen: Nov 21, 2005
Příspěvky: 1247
Bydliště: Pardubice

PříspěvekZaslal: út únor 01 2022, 20:43    Předmět: Citovat

Pěkná práce Smile Měl bych zájem. Byl by k prodeji plošný spoj a naprogramovaný uP?
Návrat nahoru
Zobrazit informace o autorovi Odeslat soukromou zprávu Zobrazit autorovy WWW stránky
forbidden



Založen: Feb 14, 2005
Příspěvky: 9422
Bydliště: Brno (JN89GF)

PříspěvekZaslal: út únor 01 2022, 21:14    Předmět: Citovat

Desky mám (80,-/kus), mcu mám ale jedinej a koukám na TME, není skladem, jen THT verze. Musel bys počkat.
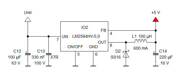
Jinak toto je aktuální schéma.



Tester relé.png
 Komentář:
schéma
 Velikost:  58.84 kB
 Zobrazeno:  154 krát

Tester relé.png



zdroj.png
 Komentář:
zdroj
 Velikost:  6.22 kB
 Zobrazeno:  128 krát

zdroj.png



DPS1.jpg
 Komentář:
DPS
 Velikost:  173.02 kB
 Zobrazeno:  123 krát

DPS1.jpg


Návrat nahoru
Zobrazit informace o autorovi Odeslat soukromou zprávu Zobrazit autorovy WWW stránky
GeorgeB



Založen: Nov 21, 2005
Příspěvky: 1247
Bydliště: Pardubice

PříspěvekZaslal: út únor 01 2022, 23:20    Předmět: Citovat

Děkuji, počkám. Nespěchám na. Mám toho Volcrafta a taky funguje pěkně.
Kdyžtak se časem připomenu. S čipama je to teď problém Mad
Návrat nahoru
Zobrazit informace o autorovi Odeslat soukromou zprávu Zobrazit autorovy WWW stránky
forbidden



Založen: Feb 14, 2005
Příspěvky: 9422
Bydliště: Brno (JN89GF)

PříspěvekZaslal: st únor 02 2022, 9:37    Předmět: Citovat

Jo, s čipama je problém, naštěstí mě to zas tak moc neovlivňuje, ale třeba ženě odsouvají termíny dodání na nějaký Cisca neustále. Momentálně jsou skoro roční dodací lhůty. Evil or Very Mad
Návrat nahoru
Zobrazit informace o autorovi Odeslat soukromou zprávu Zobrazit autorovy WWW stránky
Pretorian



Založen: Apr 18, 2005
Příspěvky: 91

PříspěvekZaslal: út únor 15 2022, 13:21    Předmět: Citovat

Zdravím,
připojuji se do pořadníku, měl bych taky zájem o desku a procesor.
Ať se daří.
Návrat nahoru
Zobrazit informace o autorovi Odeslat soukromou zprávu Odeslat e-mail
forbidden



Založen: Feb 14, 2005
Příspěvky: 9422
Bydliště: Brno (JN89GF)

PříspěvekZaslal: ne květen 22 2022, 18:13    Předmět: Citovat

Tak se mi konečně podařilo sehnat PIC18F1320 v SMD verzi, nakonec z Digi-Key. Akorát mě vyšel na 129,50.
Takže DPS+naprogramovaný mcu za 210,- + doprava. Dejte kdyžtak vědět do zprávy. Kromě osobního převzetí můžu poslat PPL, nebo Zásilkovnou. Ceny zjistím, už jsem dlouho nic neposílal a ztratil jsem přehled.
No tak PPL chce za malou obálku 130,-, malá bublinkovka je za 10,-
Celková cena DPS+mcu+doprava PPL 350,-
Návrat nahoru
Zobrazit informace o autorovi Odeslat soukromou zprávu Zobrazit autorovy WWW stránky
Zobrazit příspěvky z předchozích:   
Přidat nové téma   Zaslat odpověď       Obsah fóra Diskuzní fórum Elektro Bastlírny -> Poradna Časy uváděny v GMT + 1 hodina
Strana 1 z 1

 
Přejdi na:  
Nemůžete odesílat nové téma do tohoto fóra.
Nemůžete odpovídat na témata v tomto fóru.
Nemůžete upravovat své příspěvky v tomto fóru.
Nemůžete mazat své příspěvky v tomto fóru.
Nemůžete hlasovat v tomto fóru.
Nemůžete připojovat soubory k příspěvkům
Můžete stahovat a prohlížet přiložené soubory

Powered by phpBB © 2001, 2005 phpBB Group
Forums ©
Nuke - Elektro Bastlirna

Informace na portálu Elektro bastlírny jsou prezentovány za účelem vzdělání čtenářů a rozšíření zájmu o elektroniku. Autoři článků na serveru neberou žádnou zodpovědnost za škody vzniklé těmito zapojeními. Rovněž neberou žádnou odpovědnost za případnou újmu na zdraví vzniklou úrazem elektrickým proudem. Autoři a správci těchto stránek nepřejímají záruku za správnost zveřejněných materiálů. Předkládané informace a zapojení jsou zveřejněny bez ohledu na případné patenty třetích osob. Nároky na odškodnění na základě změn, chyb nebo vynechání jsou zásadně vyloučeny. Všechny registrované nebo jiné obchodní známky zde použité jsou majetkem jejich vlastníků. Uvedením nejsou zpochybněna z toho vyplývající vlastnická práva. Použití konstrukcí v rozporu se zákonem je přísně zakázáno. Vzhledem k tomu, že původ předkládaných materiálů nelze žádným způsobem dohledat, nelze je použít pro komerční účely! Tento nekomerční server nemá z uvedených zapojení či konstrukcí žádný zisk. Nezodpovídáme za pravost předkládaných materiálů třetími osobami a jejich původ. V případě, že zjistíte porušení autorského práva či jiné nesrovnalosti, kontaktujte administrátory na diskuzním fóru EB.


PHP-Nuke Copyright © 2005 by Francisco Burzi. This is free software, and you may redistribute it under the GPL. PHP-Nuke comes with absolutely no warranty, for details, see the license.
Čas potřebný ke zpracování stránky 0.20 sekund