Vítejte na Elektro Bastlírn?
Nuke - Elektro Bastlirna
  Vytvořit účet Hlavní · Fórum · DDump · Profil · Zprávy · Hledat na fóru · Příspěvky na provoz EB

Vlákno na téma KORONAVIRUS - nutná registrace


Nuke - Elektro Bastlirna: Diskuzní fórum

 FAQFAQ   HledatHledat   Uživatelské skupinyUživatelské skupiny   ProfilProfil   Soukromé zprávySoukromé zprávy   PřihlášeníPřihlášení 

vánoční světlo kapající rampouch

 
Přidat nové téma   Zaslat odpověď       Obsah fóra Diskuzní fórum Elektro Bastlírny -> Zapojení ze šuplíku
Zobrazit předchozí téma :: Zobrazit následující téma  
Autor Zpráva
pepper



Založen: Nov 21, 2006
Příspěvky: 618
Bydliště: Sokolov

PříspěvekZaslal: pá listopad 30 2018, 22:02    Předmět: vánoční světlo kapající rampouch Citovat

Adventní světlo kapající rampouch
Jeden astabilní multivibrátor a několik jednoduchých monostabilních obvodů.
Hodnoty R a C lze upravit dle stavu šuplíku, rozhodující je součin RC.
Multivibrátor může být i symetrický, součet časových konstant určuje pauzu.

Vybíjecí proud kondenzátorů se uzavírá přes ochranné diody vstupů.
Měřil jsem špičky 4mA při 6V napájení. Na netu jsou podobná zapojení,
kde se to neřeší. Zkoušel jsem vzorek několik hodin na 12V, vydržel.

Zítra přidám ještě jednu verzi se sedmi tranzistory.
Plošný spoj bude mnohem jednodušší, vhodnější pro ruční kreslení.
Čas ukázal, že je i spolehlivější. Méně náchylná na správnou variantu hrdel,
asi i lépe snáší případnou vlhkost.

pepper

Pozor na některé varianty hradel. s CD4011CN to nefunguje. Podrobnosti níže.

Destička je přizpůsobena průhledným pouzdrům od N.D.
Mám je v zásobě, mohu zaslat za poštovné.
Nabídka zde na fóru



Rampouch 4011 schema.png
 Komentář:
 Velikost:  18.75 kB
 Zobrazeno:  264 krát

Rampouch 4011 schema.png



rampouch 4011 ps1.png
 Komentář:
 Velikost:  6.8 kB
 Zobrazeno:  179 krát

rampouch 4011 ps1.png



rampouch 4011 osaz.png
 Komentář:
 Velikost:  10.22 kB
 Zobrazeno:  190 krát

rampouch 4011 osaz.png




Naposledy upravil pepper dne út prosinec 05 2023, 16:08, celkově upraveno 4 krát.
Návrat nahoru
Zobrazit informace o autorovi Odeslat soukromou zprávu Odeslat e-mail
weed_smoker



Založen: Dec 02, 2011
Příspěvky: 2676
Bydliště: Jaroměř

PříspěvekZaslal: so prosinec 01 2018, 9:48    Předmět: Citovat

Měl jsem podobně dělanou šipku a používal se v tom 4049,někdy se jich dávalo i víc.Ta 4049 umí dát vyšší proud než 4011,je to 6x invertující buffer(rozdíl podobně jako 7400 vs.7437).
Návrat nahoru
Zobrazit informace o autorovi Odeslat soukromou zprávu
pepper



Založen: Nov 21, 2006
Příspěvky: 618
Bydliště: Sokolov

PříspěvekZaslal: so prosinec 01 2018, 23:12    Předmět: Citovat

Ta šipka je třeba tady: paja-trb.czl

A slíbená verze rampouchu:www.hamik.cz/
zde zvolit "hamikuvkoutek88.pdf (933643)"

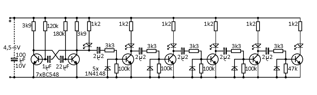
Základem je astabilní multivibrátor, každý další tranzistor krátce sepne při zhasnutí předchozí LED.
Tranzistory mohou být snad libovolné NPN nízkofrekvenční, s pořadím vývodů ebc.
Např. BC548 BC238, já použil staré KC148, lze i KC508, to vše i s koncovými číslicemi 7 nebo 9.
Diody lze použít i Tesla KA261 a podobné. LED jsem použil studené bílé, průměr 5mm.
K napájení stačí tři nebo čtyři tužkové baterie, odběr je v jednotkách miliampér.
Pokud by při slabých bateriích, nebo delších přívodech některé LED blikaly vícenásobně,
pomůže kondenzátor 100uF/10V na pájecích bodech přívodu napájení.

Na ruční kreslení používám postup, který byl kdysi snad v Amatérském radiu.
Proužek vystřihnu trochu delší, přiložím na destičku, konce ohnu,
a přilepím páskou. Pak důlčíkem naznačím dirky.
Podle značek kreslím nálevkovým perem a barvou (stará sada Centrograf).
Po vyleptání umyji, navrtám, vyhladím a natřu kalafunou v lihu.

Mám průhledná pouzdra od náhradních dílů. Destičku jsem navrhl podle nich.
Mohu zaslat za poštovné.
Nabídka zde na fóru

obrázky ve vyšším rozlišení

pepper



Kapající rampouch ps 15x205mm.png
 Komentář:
 Velikost:  7.19 kB
 Zobrazeno:  173 krát

Kapající rampouch ps 15x205mm.png



Rampouch sch.png
 Komentář:
 Velikost:  7.1 kB
 Zobrazeno:  152 krát

Rampouch sch.png



rampouch.jpg
 Komentář:
 Velikost:  214.86 kB
 Zobrazeno:  147 krát

rampouch.jpg



rampouch osaz.png
 Komentář:
 Velikost:  9.85 kB
 Zobrazeno:  160 krát

rampouch osaz.png




Naposledy upravil pepper dne út prosinec 05 2023, 16:09, celkově upraveno 8 krát.
Návrat nahoru
Zobrazit informace o autorovi Odeslat soukromou zprávu Odeslat e-mail
jura80



Založen: Nov 05, 2011
Příspěvky: 908
Bydliště: Boskovice

PříspěvekZaslal: čt prosinec 06 2018, 18:19    Předmět: Citovat

Podle mě by bylo docela cool, kdyby se zapojily aspoň tři šestice hradel a ke každé LED by se vrznul paralelně elektrolyt, aby pomalu pohasínaly...Wink
_________________
Nejsu žádným fóristem, ale když něco negómu, tož, přindu se zeptat. A když se nesnesitelně nudím, nebo když jsu na plech, někdy se může stát, že se i pokusím poradit. Zdraví Jura!
Návrat nahoru
Zobrazit informace o autorovi Odeslat soukromou zprávu Odeslat e-mail Zobrazit autorovy WWW stránky
Rellik



Založen: Feb 17, 2017
Příspěvky: 646
Bydliště: Staré Město (UH)

PříspěvekZaslal: pá prosinec 14 2018, 20:42    Předmět: Citovat

Já mám něco podobného udělané s 8Bit posuvného registru MH74164 a 7404 jako zdroj přepínacího impuslu...

EDIT: impulsy by nejspíš šly řešit i 2 tranzistory...
Návrat nahoru
Zobrazit informace o autorovi Odeslat soukromou zprávu
pepper



Založen: Nov 21, 2006
Příspěvky: 618
Bydliště: Sokolov

PříspěvekZaslal: so prosinec 07 2019, 19:37    Předmět: Citovat

Pozor na varianty 4011.
Loni jsem stavěl jeden vzorek s HEF4011BP (Philips) a fungoval.
Letos jsem zkusil další s CD4011CN (National Semiconductor), ale ten nefungoval.
Po výměně za MC14011BCP (Motorola) vše OK.

Oba IO se chovaly stejně.
Astabilní multivibrátor OK, ale z M.K.O. fungoval jen ten první.
Ty funkční mají za vazebním C 1uF téměř stejný rozkmit, jako před.
Ten ...CN měl asi poloviční rozkmit, přestože MOS vstupy jsou velmi vysokoohmové.
Možná ty funkční umí lepší obdélník na výstupech.
...CN asi příliš kopíruje pilový průběh ze vstupů, pulzy nejsou dost strmé.
Snad to někdy příště ověřím, teď už jsou zase v šuplíku.
Výrobce s takovým využitím nepočítal, lepší by byly schmittovy K.O. na vstupech.

pepper
Návrat nahoru
Zobrazit informace o autorovi Odeslat soukromou zprávu Odeslat e-mail
lesana87



Založen: Sep 20, 2014
Příspěvky: 4115

PříspěvekZaslal: so prosinec 07 2019, 20:07    Předmět: Citovat

Když CMOS 4000 nemá za číslem B, tak není bufferovaný. Oproti bufferovanému má několikát menší výstupní proud a výstup není symetrický.
Návrat nahoru
Zobrazit informace o autorovi Odeslat soukromou zprávu
pepper



Založen: Nov 21, 2006
Příspěvky: 618
Bydliště: Sokolov

PříspěvekZaslal: st listopad 17 2021, 15:58    Předmět: Citovat

Jeden 4011 mi po čase odešel. Přetížení?
Ty tranzistorové, pokud nevnikla voda do pouzder, fungují.
Zátky vypadají těsné, ale podtlak při chladnutí asi něco protlačil.
Bude lepší dolní zátky navrtat podle zásady "Nejlepší těsnění je díra."

Nějaká pouzdra mám navíc, nabízím zde na fóru

pepper
Návrat nahoru
Zobrazit informace o autorovi Odeslat soukromou zprávu Odeslat e-mail
pepper



Založen: Nov 21, 2006
Příspěvky: 618
Bydliště: Sokolov

PříspěvekZaslal: st listopad 17 2021, 16:18    Předmět: Citovat

Nedávno jsem na blešáku přišel k hotovému.
Koupil jsem sadu Voltronic 480 LED Meteor-Shower
Jeden pásek byl zlomený, po propojení drátky 1 skupina stále nesvítila.
IO HR1786 hřál. Měřil jsem zkrat mezi pinem 3 a společnou anodou LED.
Po odpájení zkrat nebyl ani na nožce, ani na spoji. Po zapájení vše OK.
Asi byl zateklý cín pod pouzdrem.
Pro snazší orientaci jsem si nakreslil schéma, dávám do placu.
Odběr 0,5A psaný na schématu platí pro všech 10 pásků.
pepper

I tady Číňani udělali malé dirky na dně trubiček.



rampouchy.gif
 Komentář:
 Velikost:  109.94 kB
 Zobrazeno:  141 krát

rampouchy.gif


Návrat nahoru
Zobrazit informace o autorovi Odeslat soukromou zprávu Odeslat e-mail
Zobrazit příspěvky z předchozích:   
Přidat nové téma   Zaslat odpověď       Obsah fóra Diskuzní fórum Elektro Bastlírny -> Zapojení ze šuplíku Časy uváděny v GMT + 1 hodina
Strana 1 z 1

 
Přejdi na:  
Nemůžete odesílat nové téma do tohoto fóra.
Nemůžete odpovídat na témata v tomto fóru.
Nemůžete upravovat své příspěvky v tomto fóru.
Nemůžete mazat své příspěvky v tomto fóru.
Nemůžete hlasovat v tomto fóru.
Nemůžete připojovat soubory k příspěvkům
Můžete stahovat a prohlížet přiložené soubory

Powered by phpBB © 2001, 2005 phpBB Group
Forums ©
Nuke - Elektro Bastlirna

Informace na portálu Elektro bastlírny jsou prezentovány za účelem vzdělání čtenářů a rozšíření zájmu o elektroniku. Autoři článků na serveru neberou žádnou zodpovědnost za škody vzniklé těmito zapojeními. Rovněž neberou žádnou odpovědnost za případnou újmu na zdraví vzniklou úrazem elektrickým proudem. Autoři a správci těchto stránek nepřejímají záruku za správnost zveřejněných materiálů. Předkládané informace a zapojení jsou zveřejněny bez ohledu na případné patenty třetích osob. Nároky na odškodnění na základě změn, chyb nebo vynechání jsou zásadně vyloučeny. Všechny registrované nebo jiné obchodní známky zde použité jsou majetkem jejich vlastníků. Uvedením nejsou zpochybněna z toho vyplývající vlastnická práva. Použití konstrukcí v rozporu se zákonem je přísně zakázáno. Vzhledem k tomu, že původ předkládaných materiálů nelze žádným způsobem dohledat, nelze je použít pro komerční účely! Tento nekomerční server nemá z uvedených zapojení či konstrukcí žádný zisk. Nezodpovídáme za pravost předkládaných materiálů třetími osobami a jejich původ. V případě, že zjistíte porušení autorského práva či jiné nesrovnalosti, kontaktujte administrátory na diskuzním fóru EB.


PHP-Nuke Copyright © 2005 by Francisco Burzi. This is free software, and you may redistribute it under the GPL. PHP-Nuke comes with absolutely no warranty, for details, see the license.
Čas potřebný ke zpracování stránky 0.14 sekund