Vítejte na Elektro Bastlírn?
Nuke - Elektro Bastlirna
  Vytvořit účet Hlavní · Fórum · DDump · Profil · Zprávy · Hledat na fóru · Příspěvky na provoz EB

Vlákno na téma KORONAVIRUS - nutná registrace


Nuke - Elektro Bastlirna: Diskuzní fórum

 FAQFAQ   HledatHledat   Uživatelské skupinyUživatelské skupiny   ProfilProfil   Soukromé zprávySoukromé zprávy   PřihlášeníPřihlášení 

Náhrada doutnavky stroboskopu gramofonu
Jdi na stránku 1, 2, 3, 4  Další
 
Přidat nové téma   Zaslat odpověď       Obsah fóra Diskuzní fórum Elektro Bastlírny -> Audiotechnika
Zobrazit předchozí téma :: Zobrazit následující téma  
Autor Zpráva
Jenyk



Založen: Jan 25, 2015
Příspěvky: 115

PříspěvekZaslal: út prosinec 03 2019, 19:23    Předmět: Náhrada doutnavky stroboskopu gramofonu Citovat

Potřebuji nahradit nefunkční a nesehnatelnou doutnavku stroboskopu gramofonu. Nezkoušel jste někdo nahradit ji LED na 220 V, například touto?

https://velkoobchod.conrad.cz/indikacni-led-apem-qs83xxho220-230-v-ac-oranzova.k1408600
Návrat nahoru
Zobrazit informace o autorovi Odeslat soukromou zprávu
Osmdesat



Založen: Jan 19, 2016
Příspěvky: 1536
Bydliště: Liberecko

PříspěvekZaslal: út prosinec 03 2019, 19:34    Předmět: Citovat

Proud tekoucí do leddiody by musel být dvoucestně usměrněný, nefiltrovaný, aby kmitala na 100 Hz. U výrobku chybí vnitřní zapojení, takže nelze k tomu nic říct. Kdyby tam byla jen jedna usměrňovací dioda a předřadný odpor, nefungovalo by to.
Návrat nahoru
Zobrazit informace o autorovi Odeslat soukromou zprávu
mi-ro



Založen: Feb 08, 2005
Příspěvky: 8565
Bydliště: rovina u Kolína

PříspěvekZaslal: út prosinec 03 2019, 20:25    Předmět: Citovat

Jenže to nevyřeší ani můstek s předřadným odporem. Bude sice kmitat 100Hz ale ledka svítí prakticky od nulového napětí. Zatímco doutnavka od 100V. Tudíž blikání doutnavky bude mít více obdélníkový průběh zatímco LED prakticky sinusový. Fungovat by to mohlo ale strobo efekt na "zastavených" čárách nebude tak výrazný.
_________________
..to bude jen ňákej odpůrek
Návrat nahoru
Zobrazit informace o autorovi Odeslat soukromou zprávu Odeslat e-mail
Hill
Administrátor


Založen: Sep 10, 2004
Příspěvky: 20780
Bydliště: Jičín, Český ráj

PříspěvekZaslal: út prosinec 03 2019, 20:25    Předmět: Citovat

Záblesky doutnavky jsou kratší, protože zapaluje při okamžité hodnotě napětí asi 140 V a zhasne, až napětí klesne na nějakých 70 V.
LEDka napájená přes můstkový usměrňovač a odpor asi tak 10 k/10 W naproti tomu zhasne, když okamžitá hodnota napětí klesne pod asi 3 V, značky tedy budou rozmazané.
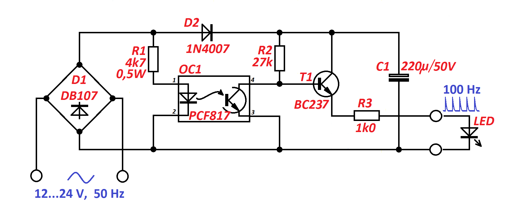
Dobrý stroboskop máš v příloze - záblesky LEDky jsou opravdu krátké a značky perfektně čitelné. Jistou nevýhodou je potřeba signálkového trafíčka 20 V / 2 VA a vybití akumulační kapacity při vypnutí, to si LEDka zasvítí víc, ale máme to vyzkoušené s bílými LEDkami ve třech exemplářích a všechny chodí dobře.



stroboskop_237.png
 Komentář:
 Velikost:  47.04 kB
 Zobrazeno:  262 krát

stroboskop_237.png



stroboskop_238_osaz.png
 Komentář:
 Velikost:  39.38 kB
 Zobrazeno:  192 krát

stroboskop_238_osaz.png



stroboskop_238_plsp.png
 Komentář:
 Velikost:  18.25 kB
 Zobrazeno:  207 krát

stroboskop_238_plsp.png


Návrat nahoru
Zobrazit informace o autorovi Odeslat soukromou zprávu
mi-ro



Založen: Feb 08, 2005
Příspěvky: 8565
Bydliště: rovina u Kolína

PříspěvekZaslal: út prosinec 03 2019, 20:47    Předmět: Citovat

Jj, odstřelili jsme to Jardo stereo. Důležitý že se stejnou myšlenkou.
_________________
..to bude jen ňákej odpůrek
Návrat nahoru
Zobrazit informace o autorovi Odeslat soukromou zprávu Odeslat e-mail
Sendyx



Založen: Jun 05, 2005
Příspěvky: 12487
Bydliště: Ostrava

PříspěvekZaslal: út prosinec 03 2019, 20:49    Předmět: Citovat

Dovolil bych si trochu nesouhlasit. Mám tu polské doutnavky do gramofonů, tam je zápalné napětí cca 230V (u některých kusů až 270) a zhasínají tuším kolem 190.

Jednu dobu jsem používal jako náhradu orig. doutnavek 2ks v sérii 90V z NDR s čočkou.

_________________
Curvetraceristé všech zemí spojte se!
Návrat nahoru
Zobrazit informace o autorovi Odeslat soukromou zprávu
EKKAR



Založen: Mar 16, 2005
Příspěvky: 34656
Bydliště: Česká Třebová, JN89FW21

PříspěvekZaslal: út prosinec 03 2019, 21:02    Předmět: Citovat

Když už teda LEDku, tak v nejjednodušším případě jí na napětí (například) 10V předřadit spolu se sériovým odporem ještě zenerku nebo zenerku a několik dalších diod v sérii tak, aby do LEDky tekl proud opravdu jen kolem vrcholku sinusovky. Jardovo zapojení se nemusí všude vejít, kdežto pár diod a miniaturních zenerek schovanejch v bužírce se dá zamaskovat jako přívod k tý osvětlovací LEDce ...
_________________
Nasliněný prst na svorkovnici domovního rozvaděče: Jó, paninko, máte tam ty Voltíky všecky...
A kutilmile - nelituju tě Mr. Green Mr. Green !!!
Návrat nahoru
Zobrazit informace o autorovi Odeslat soukromou zprávu Odeslat e-mail
masar



Založen: Dec 03, 2005
Příspěvky: 13731

PříspěvekZaslal: út prosinec 03 2019, 21:21    Předmět: Citovat

EKKAR napsal(a):
...Jardovo zapojení se nemusí všude vejít, kdežto pár diod a miniaturních zenerek schovanejch v bužírce se dá zamaskovat jako přívod k tý osvětlovací LEDce ...
Není třeba, aby se vlezlo všude. Do gramce se vleze i bez maskování. Ani to pomocné trafo nebude většinou třeba.
Wink
Návrat nahoru
Zobrazit informace o autorovi Odeslat soukromou zprávu Odeslat e-mail
Hill
Administrátor


Založen: Sep 10, 2004
Příspěvky: 20780
Bydliště: Jičín, Český ráj

PříspěvekZaslal: út prosinec 03 2019, 21:23    Předmět: Citovat

Jenomže v tom tranzistorovém stroboskopu svítí doutnavka v okamžiku průchodu napětí nulou, přesněji v čase odpovídajícím rozsahu napětí z trafa ±2,7 V. Navíc se ten akumulační kondenzátor vybíjí do LEDky o něco rychleji, takže značky jsou krásně čitelné.
Návrat nahoru
Zobrazit informace o autorovi Odeslat soukromou zprávu
masar



Založen: Dec 03, 2005
Příspěvky: 13731

PříspěvekZaslal: út prosinec 03 2019, 21:37    Předmět: Citovat

Přesně tak. Navíc je zapojení téměř nezávislé na kolísání napětí v síti, které u EKKARova zapojení může mít za následek i "západ Slunce za obzor".
Wink
Návrat nahoru
Zobrazit informace o autorovi Odeslat soukromou zprávu Odeslat e-mail
ZdenekHQ
Administrátor


Založen: Jul 21, 2006
Příspěvky: 25741
Bydliště: skoro Brno

PříspěvekZaslal: út prosinec 03 2019, 22:01    Předmět: Citovat

U té ledky na 230V by se dalo zaexperimentovat i se seriovým transilem na poměrně vysoký napětí, ovšem efektnější by byl rovnou laser. Very Happy
_________________
Pro moje oslovení klidně použijte jméno Zdeněk
Správně navržené zapojení je jako recept na dobré jídlo.
Můžete vynechat půlku ingrediencí, nebo přidat jiné,
ale jste si jistí, že vám to bude chutnat[?
]
Návrat nahoru
Zobrazit informace o autorovi Odeslat soukromou zprávu Zobrazit autorovy WWW stránky
Jenyk



Založen: Jan 25, 2015
Příspěvky: 115

PříspěvekZaslal: st prosinec 04 2019, 1:17    Předmět: Citovat

Polské doutnavky do gramofonu? Kde se dají sehnat? Já jsem padl jen na nějaké malé mrchy, ty asi moc svítit nebudou.
Návrat nahoru
Zobrazit informace o autorovi Odeslat soukromou zprávu
EKKAR



Založen: Mar 16, 2005
Příspěvky: 34656
Bydliště: Česká Třebová, JN89FW21

PříspěvekZaslal: st prosinec 04 2019, 6:48    Předmět: Citovat

masar napsal(a):
Přesně tak. Navíc je zapojení téměř nezávislé na kolísání napětí v síti, které u EKKARova zapojení může mít za následek i "západ Slunce za obzor".
Wink
No já teda nevím jak ty, ale u nás už jsem kolísání síťovýho napětí pod nominál s výjimkou momentu, kdy to vzápětí (nejpozději do 5 vteřin) úplně spadlo za posledních 30 let asi nezažil. Daleko spíš je tady trvalý přepětí, v současnosti tak 3-5V nad nominál, dřív to bejvalo daleko víc. Jo, když je někdo na konci dlouhý přípojný větve a má žravý sousedy, tomu možná může napětí krátkodobě kolísat víc. Ale ve městech by k takovým excesům už vůbec docházet nemělo a na vesnicích jen zřídka - tam, kde si někdo postavil na dědině malou fabriku a nenechal si zřídit vlastní trafačku.
_________________
Nasliněný prst na svorkovnici domovního rozvaděče: Jó, paninko, máte tam ty Voltíky všecky...
A kutilmile - nelituju tě Mr. Green Mr. Green !!!
Návrat nahoru
Zobrazit informace o autorovi Odeslat soukromou zprávu Odeslat e-mail
teufel



Založen: Feb 09, 2017
Příspěvky: 483
Bydliště: Na dohled od Spolany

PříspěvekZaslal: st prosinec 04 2019, 7:50    Předmět: Citovat

Co takhle krystal 3,2768 MHz a dělič. Napájeno z 5 V. Nezávislé na napětí v síti a stabilita by jistě uspokojila i pravověrné hifisty
Návrat nahoru
Zobrazit informace o autorovi Odeslat soukromou zprávu
masar



Založen: Dec 03, 2005
Příspěvky: 13731

PříspěvekZaslal: st prosinec 04 2019, 9:16    Předmět: Citovat

EKKAR napsal(a):
No já teda nevím jak ty, ale u nás už jsem kolísání síťovýho napětí pod nominál s výjimkou momentu, kdy to vzápětí (nejpozději do 5 vteřin) úplně spadlo za posledních 30 let asi nezažil...
Asi jsi to špatně pochopil. Nepsal jsem o podpětí. Psal jsem o kolísání síťového napětí. Zapojení podle tvého návrhu se dá nazvat "světelným detektorem" tohoto kolísání a to tím citlivějším, čím blíže k "vrcholkům sinusovky" ho těmi zenerkami "vysadíš". Bude se měnit jas podle střídy i podle amplitudy.
A pokud ho "vysadíš" nízko, nebude zase střída dostatečně "zřetelná" pro stroboskopický efekt.
Ale jinak každý nápad dobrý...
Wink
Návrat nahoru
Zobrazit informace o autorovi Odeslat soukromou zprávu Odeslat e-mail
Zobrazit příspěvky z předchozích:   
Přidat nové téma   Zaslat odpověď       Obsah fóra Diskuzní fórum Elektro Bastlírny -> Audiotechnika Časy uváděny v GMT + 1 hodina
Jdi na stránku 1, 2, 3, 4  Další
Strana 1 z 4

 
Přejdi na:  
Nemůžete odesílat nové téma do tohoto fóra.
Nemůžete odpovídat na témata v tomto fóru.
Nemůžete upravovat své příspěvky v tomto fóru.
Nemůžete mazat své příspěvky v tomto fóru.
Nemůžete hlasovat v tomto fóru.
Nemůžete připojovat soubory k příspěvkům
Můžete stahovat a prohlížet přiložené soubory

Powered by phpBB © 2001, 2005 phpBB Group
Forums ©
Nuke - Elektro Bastlirna

Informace na portálu Elektro bastlírny jsou prezentovány za účelem vzdělání čtenářů a rozšíření zájmu o elektroniku. Autoři článků na serveru neberou žádnou zodpovědnost za škody vzniklé těmito zapojeními. Rovněž neberou žádnou odpovědnost za případnou újmu na zdraví vzniklou úrazem elektrickým proudem. Autoři a správci těchto stránek nepřejímají záruku za správnost zveřejněných materiálů. Předkládané informace a zapojení jsou zveřejněny bez ohledu na případné patenty třetích osob. Nároky na odškodnění na základě změn, chyb nebo vynechání jsou zásadně vyloučeny. Všechny registrované nebo jiné obchodní známky zde použité jsou majetkem jejich vlastníků. Uvedením nejsou zpochybněna z toho vyplývající vlastnická práva. Použití konstrukcí v rozporu se zákonem je přísně zakázáno. Vzhledem k tomu, že původ předkládaných materiálů nelze žádným způsobem dohledat, nelze je použít pro komerční účely! Tento nekomerční server nemá z uvedených zapojení či konstrukcí žádný zisk. Nezodpovídáme za pravost předkládaných materiálů třetími osobami a jejich původ. V případě, že zjistíte porušení autorského práva či jiné nesrovnalosti, kontaktujte administrátory na diskuzním fóru EB.


PHP-Nuke Copyright © 2005 by Francisco Burzi. This is free software, and you may redistribute it under the GPL. PHP-Nuke comes with absolutely no warranty, for details, see the license.
Čas potřebný ke zpracování stránky 0.61 sekund