Vítejte na Elektro Bastlírn?
Nuke - Elektro Bastlirna
  Vytvořit účet Hlavní · Fórum · DDump · Profil · Zprávy · Hledat na fóru · Příspěvky na provoz EB

Vlákno na téma KORONAVIRUS - nutná registrace


Nuke - Elektro Bastlirna: Diskuzní fórum

 FAQFAQ   HledatHledat   Uživatelské skupinyUživatelské skupiny   ProfilProfil   Soukromé zprávySoukromé zprávy   PřihlášeníPřihlášení 

Stavba transiwattu - prosím o radu. 2
Jdi na stránku Předchozí  1, 2, 3 ... 22, 23, 24 ... 34, 35, 36  Další
 
Přidat nové téma   Toto téma je zamknuto, nemůžete zde přidávat odpovědi ani upravovat své příspěvky!       Obsah fóra Diskuzní fórum Elektro Bastlírny -> Audiotechnika
Zobrazit předchozí téma :: Zobrazit následující téma  
Autor Zpráva
microlan



Založen: May 09, 2017
Příspěvky: 1647
Bydliště: Kósek vod Brna

PříspěvekZaslal: po listopad 04 2019, 14:54    Předmět: Citovat

Jo, ale až zítra.
Návrat nahoru
Zobrazit informace o autorovi Odeslat soukromou zprávu
microlan



Založen: May 09, 2017
Příspěvky: 1647
Bydliště: Kósek vod Brna

PříspěvekZaslal: út listopad 05 2019, 7:08    Předmět: Citovat

Tak jsem odměřil vliv zázračného R313. Zde jen při 100 mW, zbytek je v zipu

http://elektrotest.cz/files/tw-R313.zip

//soubor TWR-100mWc je měřený s CCITT filtrem, pro porovnání se včerejším měřením, kdy TW bez R313 dosáhul krásných 0,025385% THD



TW-100mW.png
 Komentář:
 Velikost:  101.31 kB
 Zobrazeno:  158 krát

TW-100mW.png



TWR-100mW.png
 Komentář:
 Velikost:  103.72 kB
 Zobrazeno:  156 krát

TWR-100mW.png


Návrat nahoru
Zobrazit informace o autorovi Odeslat soukromou zprávu
danhard



Založen: Mar 05, 2007
Příspěvky: 6473
Bydliště: Jesenice u Prahy

PříspěvekZaslal: út listopad 05 2019, 8:16    Předmět: Citovat

Měříš to s reálným síťovým zdrojem ? Odstup 100Hz je celkem dostatečný.

Přechodové zkreslení s R313 je u TW40 asi 5x horší a o 30mA se zhorší vybuzení NPN tranzistoru.
To je pro ty pochybovače, co ho tam ještě mají, protože jim to tak lépe hraje Laughing
Návrat nahoru
Zobrazit informace o autorovi Odeslat soukromou zprávu Odeslat e-mail
microlan



Založen: May 09, 2017
Příspěvky: 1647
Bydliště: Kósek vod Brna

PříspěvekZaslal: út listopad 05 2019, 8:35    Předmět: Citovat

Jo, toroid, schottky SMD a 5 x 500uF/50V


zdroj.JPG
 Komentář:
 Velikost:  40.23 kB
 Zobrazeno:  143 krát

zdroj.JPG


Návrat nahoru
Zobrazit informace o autorovi Odeslat soukromou zprávu
danhard



Založen: Mar 05, 2007
Příspěvky: 6473
Bydliště: Jesenice u Prahy

PříspěvekZaslal: út listopad 05 2019, 23:52    Předmět: Citovat

Teď jde o to, jak to sluchometricky posoudit ?
Někomu se to může líbit, stačí se podívat, kolik si tam vymyslí TW40R detailů Very Happy

Celá tato studie byla jen o snížení přechodového zkreslení na mez těžko měřitelnou a to v podstatě se stejnou topologií koncového stupně jako TW40, tedy emitorový sledovač NPN/PNP v B, buzený asymetrickým A budičem.

Zkreslení při plném vybuzení zůstává v konci stejné, trochu tomu pomůže změna ve frontendu a výběr koncových tranzistorů.

Udělal jsem ale desítky studií jiných zapojení koncového stupně, které odstraňovaly jiné nedostatky, třeba problémy s dobrým vybuzenín NPN konce, nebo obecně použít jinou konfiguraci koncového stupně, kterou umožňovala tehdejší součástková základna, třeba kvazikomplementár v B-čku Smile

ps. ten se chová po všech směrech nejlépe.
Návrat nahoru
Zobrazit informace o autorovi Odeslat soukromou zprávu Odeslat e-mail
microlan



Založen: May 09, 2017
Příspěvky: 1647
Bydliště: Kósek vod Brna

PříspěvekZaslal: st listopad 06 2019, 7:12    Předmět: Citovat

Poslední 3 obrázky. Danwatt při 100mW a 30W + THD v číselné formě bez filtrů, na šířku pásma 90 kHz


DWND100mW.png
 Komentář:
 Velikost:  71.1 kB
 Zobrazeno:  164 krát

DWND100mW.png



DW30W.png
 Komentář:
 Velikost:  75.48 kB
 Zobrazeno:  158 krát

DW30W.png



THD-DW30W.png
 Komentář:
 Velikost:  10.6 kB
 Zobrazeno:  135 krát

THD-DW30W.png


Návrat nahoru
Zobrazit informace o autorovi Odeslat soukromou zprávu
danhard



Založen: Mar 05, 2007
Příspěvky: 6473
Bydliště: Jesenice u Prahy

PříspěvekZaslal: st listopad 06 2019, 10:40    Předmět: Citovat

Při větších výkonech je zkreslení závislé na průběhu zesílení koncáků s proudem. Takže i když tam jsou tranzistory se stejným zesílením při malém proudu, tak se to při větším proudu rozjede, PNP bývá horší.
Návrat nahoru
Zobrazit informace o autorovi Odeslat soukromou zprávu Odeslat e-mail
JMD



Založen: Feb 02, 2005
Příspěvky: 120

PříspěvekZaslal: st listopad 06 2019, 10:45    Předmět: Citovat

Danhard prepáč, ako som sem vložil príspevok, tak som si uvedomil, že som tu OT, tak som ho presunul k téme bližšiemu vláknu. Ale pozerám, že tvoj príspevok je k pôvodnej téme TW resp. DW.

http://www.ebastlirna.cz/modules.php?name=Forums&file=viewtopic&p=1053938#1053938
Návrat nahoru
Zobrazit informace o autorovi Odeslat soukromou zprávu
microlan



Založen: May 09, 2017
Příspěvky: 1647
Bydliště: Kósek vod Brna

PříspěvekZaslal: st listopad 06 2019, 11:19    Předmět: Citovat

citace:
PNP bývá horší.


Proto ten kvazikomplementár? Tam je zase problém SK - SE
Návrat nahoru
Zobrazit informace o autorovi Odeslat soukromou zprávu
JMD



Založen: Feb 02, 2005
Příspěvky: 120

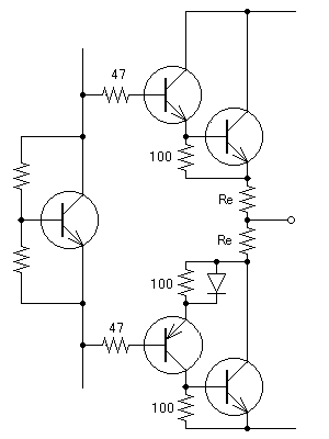
PříspěvekZaslal: čt listopad 07 2019, 7:15    Předmět: Citovat

danhard napsal(a):
Quasi komplement je poplatný době, kdy neexistovali komplementární páry a šlo o to, zdegenerovat dc vlastnosti CFP větve na chování 2EF strany.
Dynamické chování ale není stejné, resp. je špatné odbuzování v obou větvích.
jmd, chápu že máš ty starý Vráble, ty ďáble Smile tam by se nějaká kultivace hodila.
Těžko ale to napodobení chování v CFP větvi degradací diodou nazvat jako chybová korekce, je to jen "ohnutí" tak, aby se to chovalo podobně, jako ta 2EF větev.


[url] http://hifi.slovanet.sk/bb/viewtopic.php?p=69710#69710[/url]



B9F76F24-9CEB-4F92-92B6-6880112A79F4.png
 Komentář:
 Velikost:  8.55 kB
 Zobrazeno:  124 krát

B9F76F24-9CEB-4F92-92B6-6880112A79F4.png


Návrat nahoru
Zobrazit informace o autorovi Odeslat soukromou zprávu
danhard



Založen: Mar 05, 2007
Příspěvky: 6473
Bydliště: Jesenice u Prahy

PříspěvekZaslal: čt listopad 07 2019, 11:24    Předmět: Citovat

On to není ani čistý kvazikomplementár, ale asymetrický konec s 2x NPN koncem.
Líbí se mi bezproblémové vybuzení pod 1V k napájení i s NPN koncem s betou kolem 40 při 5A, 200mA musí dodat budič.
Všechny konce, které mají napěťové buzení koncáků (tady je třeba NPN větev darlington) jsou ale víc citlivé na čistě kapacitní zátěž.
S reálným repro to nevadí, ani s reaálným kabelem, ale na různé testy stability přímo na výstupní svorky by to chtělo RL oddělení Smile

Nakolik dělá zkreslení 2. harmonickou při 30W proudová nelinearita koncáků, nebo rozkmit a buzení, se zjistí porovnáním výstupu se 4R zátěží a bez zátěže.


Naposledy upravil danhard dne čt listopad 07 2019, 11:57, celkově upraveno 1 krát.
Návrat nahoru
Zobrazit informace o autorovi Odeslat soukromou zprávu Odeslat e-mail
microlan



Založen: May 09, 2017
Příspěvky: 1647
Bydliště: Kósek vod Brna

PříspěvekZaslal: čt listopad 07 2019, 11:54    Předmět: Citovat

Asi správná úvaha, ale vybalovat APčko už nebudu

Navíc to zatím nikdo nezpochybnil Laughing
Návrat nahoru
Zobrazit informace o autorovi Odeslat soukromou zprávu
rvx73



Založen: Sep 09, 2013
Příspěvky: 249

PříspěvekZaslal: pá listopad 08 2019, 18:48    Předmět: Citovat

tak on i jeden z prvních Jandových zesilovačů nesoucích jméno "Transiwatt" - konkrétně TW 3 - měl kvazikomplementární konec osazený germaniovými 0C26 - viz RK 2/1965 nebo AR 5/1966, AR 8/1966
Návrat nahoru
Zobrazit informace o autorovi Odeslat soukromou zprávu
danhard



Založen: Mar 05, 2007
Příspěvky: 6473
Bydliště: Jesenice u Prahy

PříspěvekZaslal: pá listopad 08 2019, 19:13    Předmět: Citovat

Tak to je zase o něčem jiném Smile
Návrat nahoru
Zobrazit informace o autorovi Odeslat soukromou zprávu Odeslat e-mail
vlastoTN



Založen: Oct 06, 2017
Příspěvky: 153

PříspěvekZaslal: pá listopad 29 2019, 17:26    Předmět: Citovat

Keďže mám len jeden prototypy tak postupne ako sa vyvíjajú zlepšenia tak dopĺňam..pridaný kondenzátor k diódám do prúd. zdroja aj delič zo zenerkou. Takže momentálne BunDanWat funguje ale na mojom analógovom starom osciloskope Philips moc toho nezmerám..


DSC_0990~2~2.jpg
 Komentář:
 Velikost:  177.46 kB
 Zobrazeno:  132 krát

DSC_0990~2~2.jpg


Návrat nahoru
Zobrazit informace o autorovi Odeslat soukromou zprávu
Zobrazit příspěvky z předchozích:   
Přidat nové téma   Toto téma je zamknuto, nemůžete zde přidávat odpovědi ani upravovat své příspěvky!       Obsah fóra Diskuzní fórum Elektro Bastlírny -> Audiotechnika Časy uváděny v GMT + 1 hodina
Jdi na stránku Předchozí  1, 2, 3 ... 22, 23, 24 ... 34, 35, 36  Další
Strana 23 z 36

 
Přejdi na:  
Nemůžete odesílat nové téma do tohoto fóra.
Nemůžete odpovídat na témata v tomto fóru.
Nemůžete upravovat své příspěvky v tomto fóru.
Nemůžete mazat své příspěvky v tomto fóru.
Nemůžete hlasovat v tomto fóru.
Nemůžete připojovat soubory k příspěvkům
Můžete stahovat a prohlížet přiložené soubory

Powered by phpBB © 2001, 2005 phpBB Group
Forums ©
Nuke - Elektro Bastlirna

Informace na portálu Elektro bastlírny jsou prezentovány za účelem vzdělání čtenářů a rozšíření zájmu o elektroniku. Autoři článků na serveru neberou žádnou zodpovědnost za škody vzniklé těmito zapojeními. Rovněž neberou žádnou odpovědnost za případnou újmu na zdraví vzniklou úrazem elektrickým proudem. Autoři a správci těchto stránek nepřejímají záruku za správnost zveřejněných materiálů. Předkládané informace a zapojení jsou zveřejněny bez ohledu na případné patenty třetích osob. Nároky na odškodnění na základě změn, chyb nebo vynechání jsou zásadně vyloučeny. Všechny registrované nebo jiné obchodní známky zde použité jsou majetkem jejich vlastníků. Uvedením nejsou zpochybněna z toho vyplývající vlastnická práva. Použití konstrukcí v rozporu se zákonem je přísně zakázáno. Vzhledem k tomu, že původ předkládaných materiálů nelze žádným způsobem dohledat, nelze je použít pro komerční účely! Tento nekomerční server nemá z uvedených zapojení či konstrukcí žádný zisk. Nezodpovídáme za pravost předkládaných materiálů třetími osobami a jejich původ. V případě, že zjistíte porušení autorského práva či jiné nesrovnalosti, kontaktujte administrátory na diskuzním fóru EB.


PHP-Nuke Copyright © 2005 by Francisco Burzi. This is free software, and you may redistribute it under the GPL. PHP-Nuke comes with absolutely no warranty, for details, see the license.
Čas potřebný ke zpracování stránky 0.15 sekund