Vítejte na Elektro Bastlírn?
Nuke - Elektro Bastlirna
  Vytvořit účet Hlavní · Fórum · DDump · Profil · Zprávy · Hledat na fóru · Příspěvky na provoz EB

Vlákno na téma KORONAVIRUS - nutná registrace


Nuke - Elektro Bastlirna: Diskuzní fórum

 FAQFAQ   HledatHledat   Uživatelské skupinyUživatelské skupiny   ProfilProfil   Soukromé zprávySoukromé zprávy   PřihlášeníPřihlášení 

Nefunguje časova zakladna osciloskopu.

 
Přidat nové téma   Zaslat odpověď       Obsah fóra Diskuzní fórum Elektro Bastlírny -> Řešení problémů s různými konstrukcemi
Zobrazit předchozí téma :: Zobrazit následující téma  
Autor Zpráva
ICL



Založen: Dec 23, 2018
Příspěvky: 50

PříspěvekZaslal: po listopad 11 2019, 20:37    Předmět: Nefunguje časova zakladna osciloskopu. Citovat

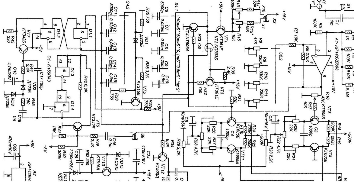
Dobry večer..kamoš ma požiadal aby som mu poskladal osciloskop..sučiastky ake zohnal take doniesol..mne to dal preto lebo on nema mikropajku a nepracoval ešte s fet tranzistormi..
horizontal aj vertikal zosilovače mi funguju..dokažem posuvat bod hore dole aj na boky...aj vstupny zosik s OZ je ok..ale č.z nejde vobec..nemam čiaru..kde može byt chyba už fakt neviem..
rusky ttl som nahradil našim MH8400 predtym som ho vyskušal s log.sondou..
fet som nahradil našim BF245C..tiež som ho vyskusal...
ruske diody našimi KA20..take sklenene strieborny pasik..
tranzistory už bude problem...doiesol mi BC172..KC147..BC178 v scheme je dost vela roznych npn.. tak neviem či tu je chyba.. ?
všetky som ich vyskušal pred zapajkovanim aj potom v obvode..
napatia mam ok..kondiky v som dal iba po jeden 33nF tam kde je prepinač ..aby to bolo prehladnejsie.a prepinač som ani nedaval..kontrolujem všetko možne ale nič ma nenapada nevidim chybu vo svojom zapojeni..
pozrite vy ,..je ta schema vobec ok ?
odpory 750 som poskladal z 470+270 ohm...seria..
...
ked s tym nehnem tak mu to cele vratim..ja tomu tiež nerozumiem velmi..lepit sučiastky podla schemy ešte ok..skuste vy pozriet možno vas niečo napadne..dakujem..ja už fakt neviem Neutral



p0013 - Kopie.jpg
 Komentář:
 Velikost:  279.07 kB
 Zobrazeno:  259 krát

p0013 - Kopie.jpg


Návrat nahoru
Zobrazit informace o autorovi Odeslat soukromou zprávu
kovar



Založen: Oct 03, 2010
Příspěvky: 1703
Bydliště: Letohrad (Východní Čechy)

PříspěvekZaslal: po listopad 11 2019, 20:54    Předmět: Citovat

To děláš podle nějakého stavebního návodu a nebo to montuješ jen tak?
_________________
Lepší vrabec v hrsti nežli blechy v srsti.
Návrat nahoru
Zobrazit informace o autorovi Odeslat soukromou zprávu Odeslat e-mail
ZdenekHQ
Administrátor


Založen: Jul 21, 2006
Příspěvky: 25741
Bydliště: skoro Brno

PříspěvekZaslal: po listopad 11 2019, 22:08    Předmět: Citovat

To bude ta ruská krabička, co jako osciloskop jen vypadala. No na naučení stačila.
_________________
Pro moje oslovení klidně použijte jméno Zdeněk
Správně navržené zapojení je jako recept na dobré jídlo.
Můžete vynechat půlku ingrediencí, nebo přidat jiné,
ale jste si jistí, že vám to bude chutnat[?
]
Návrat nahoru
Zobrazit informace o autorovi Odeslat soukromou zprávu Zobrazit autorovy WWW stránky
Crifodo



Založen: Oct 11, 2005
Příspěvky: 15004

PříspěvekZaslal: út listopad 12 2019, 8:00    Předmět: Citovat

když dáš do generátoru ten jeden kond ne 47n, ale těch 0,5µF, indikuje ti logická sonda že kmitá? jaké je napětí na vstupu 4 D1.2 při rozpojeném S6?
Návrat nahoru
Zobrazit informace o autorovi Odeslat soukromou zprávu Odeslat e-mail
ICL



Založen: Dec 23, 2018
Příspěvky: 50

PříspěvekZaslal: út listopad 12 2019, 12:41    Předmět: Citovat

spravil som si inu č.z..kde bol ujt kt117 nabehla ciara okamzite ide uz ok...na tuto srackovu schemu kaslem zvysoka..nervy neskutocne a strata casu Evil or Very Mad
mozno to tomu rusovi aj islo..najma ked si spomeniem ako sa tu rozoberali kt315..a ich sialene rozdiely v parametroch zosilneni a tak..tiez som ich doma skusil pomerat a bola to pravda..
Návrat nahoru
Zobrazit informace o autorovi Odeslat soukromou zprávu
jezevec
Hlavní moderátor


Založen: Jun 13, 2004
Příspěvky: 6092
Bydliště: Břeclavsko

PříspěvekZaslal: st listopad 13 2019, 16:56    Předmět: Citovat

Jen pro zajímavost, můžeš sem napsat očekávané parametry toho skopu, jakous použil obrazovku, popř. nějaké foto? Díky.
Návrat nahoru
Zobrazit informace o autorovi Odeslat soukromou zprávu Zobrazit autorovy WWW stránky
Zobrazit příspěvky z předchozích:   
Přidat nové téma   Zaslat odpověď       Obsah fóra Diskuzní fórum Elektro Bastlírny -> Řešení problémů s různými konstrukcemi Časy uváděny v GMT + 1 hodina
Strana 1 z 1

 
Přejdi na:  
Nemůžete odesílat nové téma do tohoto fóra.
Nemůžete odpovídat na témata v tomto fóru.
Nemůžete upravovat své příspěvky v tomto fóru.
Nemůžete mazat své příspěvky v tomto fóru.
Nemůžete hlasovat v tomto fóru.
Nemůžete připojovat soubory k příspěvkům
Můžete stahovat a prohlížet přiložené soubory

Powered by phpBB © 2001, 2005 phpBB Group
Forums ©
Nuke - Elektro Bastlirna

Informace na portálu Elektro bastlírny jsou prezentovány za účelem vzdělání čtenářů a rozšíření zájmu o elektroniku. Autoři článků na serveru neberou žádnou zodpovědnost za škody vzniklé těmito zapojeními. Rovněž neberou žádnou odpovědnost za případnou újmu na zdraví vzniklou úrazem elektrickým proudem. Autoři a správci těchto stránek nepřejímají záruku za správnost zveřejněných materiálů. Předkládané informace a zapojení jsou zveřejněny bez ohledu na případné patenty třetích osob. Nároky na odškodnění na základě změn, chyb nebo vynechání jsou zásadně vyloučeny. Všechny registrované nebo jiné obchodní známky zde použité jsou majetkem jejich vlastníků. Uvedením nejsou zpochybněna z toho vyplývající vlastnická práva. Použití konstrukcí v rozporu se zákonem je přísně zakázáno. Vzhledem k tomu, že původ předkládaných materiálů nelze žádným způsobem dohledat, nelze je použít pro komerční účely! Tento nekomerční server nemá z uvedených zapojení či konstrukcí žádný zisk. Nezodpovídáme za pravost předkládaných materiálů třetími osobami a jejich původ. V případě, že zjistíte porušení autorského práva či jiné nesrovnalosti, kontaktujte administrátory na diskuzním fóru EB.


PHP-Nuke Copyright © 2005 by Francisco Burzi. This is free software, and you may redistribute it under the GPL. PHP-Nuke comes with absolutely no warranty, for details, see the license.
Čas potřebný ke zpracování stránky 0.14 sekund