Vítejte na Elektro Bastlírn?
Nuke - Elektro Bastlirna
  Vytvořit účet Hlavní · Fórum · DDump · Profil · Zprávy · Hledat na fóru · Příspěvky na provoz EB

Vlákno na téma KORONAVIRUS - nutná registrace


Nuke - Elektro Bastlirna: Diskuzní fórum

 FAQFAQ   HledatHledat   Uživatelské skupinyUživatelské skupiny   ProfilProfil   Soukromé zprávySoukromé zprávy   PřihlášeníPřihlášení 

Přímosměšující oscilátor nekmitá

 
Přidat nové téma   Zaslat odpověď       Obsah fóra Diskuzní fórum Elektro Bastlírny -> Opravy a restaurování starých elektropřístrojů
Zobrazit předchozí téma :: Zobrazit následující téma  
Autor Zpráva
kulikus



Založen: Dec 10, 2009
Příspěvky: 3114

PříspěvekZaslal: čt srpen 22 2019, 16:12    Předmět: Přímosměšující oscilátor nekmitá Citovat

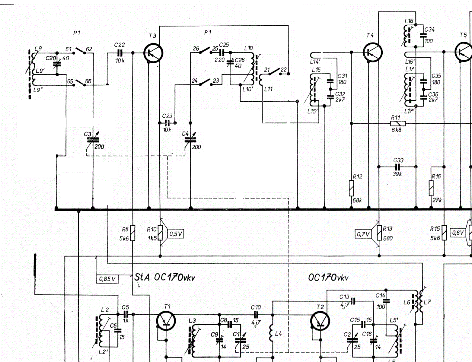
V přijímači DOLLY 2816B-5 (schema zde) mi nekmitá oscilátor kolem T3. Přikládám zjednodušené zapojení jen pro rozsah SV. Ladění na feritce, MF, detekce a NF je OK.
Vinutí L11, L12, L15 vf transformátorů jsou OK (DC měření vůči GND). Úbytek na R10 je 0,95V místo 0,5V ale to bude tím nekmitáním.

Ještě zbývá prověřit svody na kondech.
Je na další diagnostiku toho směšovače nějaká pěkná finta?
Vede to všechno na mnohapaketový přepínač rozsahů, rozpojovat to nechci.
Díky.



DOLLY-smesovac.gif
 Komentář:
DOLLY - primosmesujici oscilator
 Velikost:  248.19 kB
 Zobrazeno:  229 krát

DOLLY-smesovac.gif



_________________
pro mládež - Hamíkův koutek
Návrat nahoru
Zobrazit informace o autorovi Odeslat soukromou zprávu Zobrazit autorovy WWW stránky
monterjirka



Založen: Jun 14, 2003
Příspěvky: 2866
Bydliště: Blížejov

PříspěvekZaslal: čt srpen 22 2019, 16:34    Předmět: Citovat

Mám tu pár kousků, kterých mi bylo líto aby skončily ve šrotu...
A teď je mi líto, že nehrají, např.:
Orbita II, nekmitá směšovač
Avanti - nekmitá oscilátor VKV

Moc času jsem tomu zatím nevěnoval, ale nějaká "finta" by se také hodila Razz
Návrat nahoru
Zobrazit informace o autorovi Odeslat soukromou zprávu Odeslat e-mail
kulikus



Založen: Dec 10, 2009
Příspěvky: 3114

PříspěvekZaslal: čt srpen 22 2019, 18:09    Předmět: Citovat

Zkusil jsem zavést 510 mV 550 kHz do kolektoru odpojeného T3 a proladit do rezonance. Na jeho emitoru to dalo 5,2 mV - převod mezi vinutím v kolektoru a emitoru je 100:1. Není to málo? Ladí na stejnou frekvenci jako vstup - čekal bych rezonanci o 455 kHz vedle.

Náhrazení OC170 typem BC557C do jehož báze jsem přidal paralelní kombinaci 100nF a poťák M25 k dostavení úbytku 0,5V na R10 v emitoru (povedlo se jen 0,3V). Nepřineslo to změnu, nekmitá.

_________________
pro mládež - Hamíkův koutek
Návrat nahoru
Zobrazit informace o autorovi Odeslat soukromou zprávu Zobrazit autorovy WWW stránky
masar



Založen: Dec 03, 2005
Příspěvky: 13969

PříspěvekZaslal: čt srpen 22 2019, 18:51    Předmět: Citovat

kulikus napsal(a):
Zkusil jsem zavést 510 mV 550 kHz do kolektoru odpojeného T3 a proladit do rezonance. Na jeho emitoru to dalo 5,2 mV - převod mezi vinutím v kolektoru a emitoru je 100:1. Není to málo? Ladí na stejnou frekvenci jako vstup - čekal bych rezonanci o 455 kHz vedle...
Vazba do emitoru platí pro oscilátorový kmitočet, který se pro SV pohybuje od 525+455=980kHz do 1605+455=2060kHz. V tomto rozsahu hledej rezonanci.
Jako oscilátor pracuje tranzistor v zapojení SB, zkontroluj vazební C23 a blokovací C22.
Wink
Návrat nahoru
Zobrazit informace o autorovi Odeslat soukromou zprávu Odeslat e-mail
kulikus



Založen: Dec 10, 2009
Příspěvky: 3114

PříspěvekZaslal: po srpen 26 2019, 9:17    Předmět: Citovat

Opraven, sladěn. Díky.
_________________
pro mládež - Hamíkův koutek
Návrat nahoru
Zobrazit informace o autorovi Odeslat soukromou zprávu Zobrazit autorovy WWW stránky
Zobrazit příspěvky z předchozích:   
Přidat nové téma   Zaslat odpověď       Obsah fóra Diskuzní fórum Elektro Bastlírny -> Opravy a restaurování starých elektropřístrojů Časy uváděny v GMT + 1 hodina
Strana 1 z 1

 
Přejdi na:  
Nemůžete odesílat nové téma do tohoto fóra.
Nemůžete odpovídat na témata v tomto fóru.
Nemůžete upravovat své příspěvky v tomto fóru.
Nemůžete mazat své příspěvky v tomto fóru.
Nemůžete hlasovat v tomto fóru.
Nemůžete připojovat soubory k příspěvkům
Můžete stahovat a prohlížet přiložené soubory

Powered by phpBB © 2001, 2005 phpBB Group
Forums ©
Nuke - Elektro Bastlirna

Informace na portálu Elektro bastlírny jsou prezentovány za účelem vzdělání čtenářů a rozšíření zájmu o elektroniku. Autoři článků na serveru neberou žádnou zodpovědnost za škody vzniklé těmito zapojeními. Rovněž neberou žádnou odpovědnost za případnou újmu na zdraví vzniklou úrazem elektrickým proudem. Autoři a správci těchto stránek nepřejímají záruku za správnost zveřejněných materiálů. Předkládané informace a zapojení jsou zveřejněny bez ohledu na případné patenty třetích osob. Nároky na odškodnění na základě změn, chyb nebo vynechání jsou zásadně vyloučeny. Všechny registrované nebo jiné obchodní známky zde použité jsou majetkem jejich vlastníků. Uvedením nejsou zpochybněna z toho vyplývající vlastnická práva. Použití konstrukcí v rozporu se zákonem je přísně zakázáno. Vzhledem k tomu, že původ předkládaných materiálů nelze žádným způsobem dohledat, nelze je použít pro komerční účely! Tento nekomerční server nemá z uvedených zapojení či konstrukcí žádný zisk. Nezodpovídáme za pravost předkládaných materiálů třetími osobami a jejich původ. V případě, že zjistíte porušení autorského práva či jiné nesrovnalosti, kontaktujte administrátory na diskuzním fóru EB.


PHP-Nuke Copyright © 2005 by Francisco Burzi. This is free software, and you may redistribute it under the GPL. PHP-Nuke comes with absolutely no warranty, for details, see the license.
Čas potřebný ke zpracování stránky 0.18 sekund