Vítejte na Elektro Bastlírn?
Nuke - Elektro Bastlirna
  Vytvořit účet Hlavní · Fórum · DDump · Profil · Zprávy · Hledat na fóru · Příspěvky na provoz EB

Vlákno na téma KORONAVIRUS - nutná registrace


Nuke - Elektro Bastlirna: Diskuzní fórum

 FAQFAQ   HledatHledat   Uživatelské skupinyUživatelské skupiny   ProfilProfil   Soukromé zprávySoukromé zprávy   PřihlášeníPřihlášení 

rada ohledně vyvedení signálu před koncovým stupněm.

 
Přidat nové téma   Zaslat odpověď       Obsah fóra Diskuzní fórum Elektro Bastlírny -> Autorádia
Zobrazit předchozí téma :: Zobrazit následující téma  
Autor Zpráva
dury2



Založen: Nov 22, 2009
Příspěvky: 127

PříspěvekZaslal: so červen 15 2019, 11:14    Předmět: rada ohledně vyvedení signálu před koncovým stupněm. Citovat

Ahoj, prosím o radu. Potřebuji vyvést z autorádia výstup, tak abych na něj mohl připojit externí zesilovač. V rádiu je koncový stupeň TDA 7563B, dle pinoutu jsem si našel vstup do koncového stupně, na který připojím cinche, které pak povedu do externího zesilovače. Potřeboval bych ale poradit, jak ochránit předzesilovač proti případnému zkratu/propojení tohoto vyvedení. (například nechtěné ukostření během zapojování cinčů do externího zesilovače. Děkuji za pomoc.
Návrat nahoru
Zobrazit informace o autorovi Odeslat soukromou zprávu
Neniu



Založen: May 01, 2015
Příspěvky: 1174
Bydliště: Doupě kdesi v severních horách :-)

PříspěvekZaslal: so červen 15 2019, 12:04    Předmět: Citovat

A co je to za autorádio? Nemá náhodou vstupy pro externí zařízení (AUX)? Nebo jsou už obsazené?

Jinak obecně, nejjednodušší je signál sčítat na odporech. Mezi výstupem předzesilovače a vstupem koncového stupně možná nějaký je, pak vezmeš stejný a připojíš ho mezi CINCH a vstup koncového stupně. Pokud tam není, dá se doplnit. Když řekneš, co je to za autorádio, dá se přemýšlet dále.

_________________
Jsem na cestě k šípku.
Návrat nahoru
Zobrazit informace o autorovi Odeslat soukromou zprávu
Hill
Administrátor


Založen: Sep 10, 2004
Příspěvky: 20926
Bydliště: Jičín, Český ráj

PříspěvekZaslal: so červen 15 2019, 12:21    Předmět: Citovat

Nemyslím si, že je dobrý nápad, brát signál už na vstupech. Jestli koncový stupeň dostne po sběrnici I²C povel MUTE, na výstupní signál to nebude mít vliv a připojený zesilovač nezmlkne. Jestli se po sběrnici ovládá i fader a balance, přijdeš na těchto výstupech i o tyto funkce.
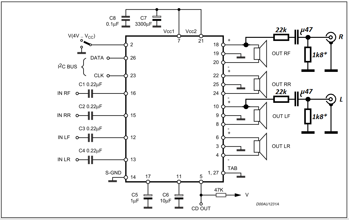
Lepší je vzít signál z výstupů na přední reproduktory. Odpory jsem volil tak velké, aby nebylo potřeba použít elektrolyt jako vazební kondenzátor, a poměr odporů tak, aby na výstupu při zátěži vstupem 10 k a víc byla přibližně linková úroveň.
Tak velké odpory koncové stupně ani náhodou nepocítí.



vyvod_line_autoradio.png
 Komentář:
 Velikost:  65.79 kB
 Zobrazeno:  290 krát

vyvod_line_autoradio.png


Návrat nahoru
Zobrazit informace o autorovi Odeslat soukromou zprávu
Neniu



Založen: May 01, 2015
Příspěvky: 1174
Bydliště: Doupě kdesi v severních horách :-)

PříspěvekZaslal: so červen 15 2019, 12:58    Předmět: Citovat

Omlouvám se, je asi moc horko a já neumím číst. Ty chceš udělat výstup a ne vstup.

Můžeš to udělat jak píše Hill, nebo se podívat, jestli autorádio nemá svůj výstup (což asi nemá). Další možností je místo reproduktoru zapojit převodní trafo. Pak by byly obvody zcela oddělené.

Pokud budeš trvat na výstupu přímo z předzesilovače, tak vývod ven vyveď přes odpor několika set ohmů, nebo jednotek kiloohmů. Záleží na tom, co je použité jako předzesilovač a co jako externí zesilovač. Možná to ani nebude potřeba, může se stát, že předzesilovač už ochranu má zabudovanou.

A pokud se ti nechce bastlit, můžeš použít tento převodník https://www.dexon.cz/katalog/profesionalni-technika/podpurne-pristroje/ns-60-konvertor-urovne.html Zapojuje se místo reproduktoru a je to vlastně postavené to, co píše Hill.

_________________
Jsem na cestě k šípku.
Návrat nahoru
Zobrazit informace o autorovi Odeslat soukromou zprávu
sinclair



Založen: Feb 02, 2005
Příspěvky: 9923
Bydliště: Luhačovice

PříspěvekZaslal: so červen 15 2019, 13:31    Předmět: Citovat

Každopádně je ale signálové napětí na vstupech IO hodně malé na to, aby jím šel plně vybudit externí zesilovač.
Pokud to rádio opravdu nemá klasický line out, tak tímto způsobem /odbočení signálu ze vstupů IO/ to rozhodně nepůjde. Ne bez dalšího nutného zesílení.
Návrat nahoru
Zobrazit informace o autorovi Odeslat soukromou zprávu Odeslat e-mail
ZdenekHQ
Administrátor


Založen: Jul 21, 2006
Příspěvky: 25741
Bydliště: skoro Brno

PříspěvekZaslal: so červen 15 2019, 16:24    Předmět: Citovat

To nesymetrický vyvedení signálu z můstku je mimochodem docela zoufalý řešení, navíc se přičte šum koncáku, kterej bývá poměrně velkej.
_________________
Pro moje oslovení klidně použijte jméno Zdeněk
Správně navržené zapojení je jako recept na dobré jídlo.
Můžete vynechat půlku ingrediencí, nebo přidat jiné,
ale jste si jistí, že vám to bude chutnat[?
]
Návrat nahoru
Zobrazit informace o autorovi Odeslat soukromou zprávu Zobrazit autorovy WWW stránky
Hill
Administrátor


Založen: Sep 10, 2004
Příspěvky: 20926
Bydliště: Jičín, Český ráj

PříspěvekZaslal: so červen 15 2019, 16:58    Předmět: Citovat

Jenomže tento koncák má nejen I²C diagnostiku, ale také umlčování a std-by režim po jednotlivých kanálech a kdo ví, co ještě, ani jsem to nedočetl co konce.
Jestli tedy má signál přidaného zesilovače podléhat stejnému ovládání (na poslech), jakému podléhá zesilovač vestavěný, není jiné místo, kde ten signál vzít, než na výstupech k reproduktorům.
A vzít ho z jedné větvě můstku není nijak zoufalé řešení, a to ani šumově - ten zesík má softwarově přepínaný zisk 16 dB a 30 dB, ani to není tak moc, aby v autě vadil šum, nota bene, jestli pak následuje dolní propust nějaké basové pimpy.
Jak to vidí výstup pro reproduktor? Nevidí nic. Zátěž je 4 Ω nebo 2 Ω, tato impedance, protože je v můstku, se vůči každému výstupu projevuje jako poloviční, protože na reproduktoru je dvojnásobné nf napětí. Střídavě navázaný odpor v řádu jednotek až desítek kiloohmů nepocítí. Nepocítí hoani ochrany proti nesymetrii, ty nereagují na nesymetrii proudů odpovídající stejnosměrné zátěži jednoho z výstupů odporem nad 400 Ω, čili toto zapojení také neodhalí.
Samozřejmě, že kvůli riziku vazby zemní smyčkou mezi dvěma odděleně kostřenými zesilovači by byly lepší dva signálové transformátorky připojené primáry paralelně k reproduktorům, ale ne vždy je to nutné.
Návrat nahoru
Zobrazit informace o autorovi Odeslat soukromou zprávu
sinclair



Založen: Feb 02, 2005
Příspěvky: 9923
Bydliště: Luhačovice

PříspěvekZaslal: so červen 15 2019, 17:15    Předmět: Citovat

Jardo, někdy a s některými rádii/zesilovači nebylo jiného řešení, než ony transformátorky. Kvůli průnikům rušení z měniče zesilovače "po zemi" bylo galvanické oddělení jediné řešení. Ani kapacitní oddělení symetrického děliče nezabíralo.
Starší autozesilovače mívaly takto vyřešené "vysokoúrovňové" vstupy, tedy kapacitně odděleným, symetrickým děličem na vstupu. Jenže ty starší zesilovače měly i lépe vypracované a nerušící měniče, s dokonale oddělenými zeměmi měniče a zesilovačů.
Je to každopádně z hlediska výsledného odstupu horší, než klasický, tovární lineout 1V-4V a na nízké impedanci, který každé lepší rádio má.
Otázka je, zdali to bude s ohledem na zbytek reprodukčního řetězce subjektivně rušit, či nikoliv.
Přítomnost výkonného měniče zesilovače v palubní síti může situaci dost zhoršit.
Návrat nahoru
Zobrazit informace o autorovi Odeslat soukromou zprávu Odeslat e-mail
Hill
Administrátor


Založen: Sep 10, 2004
Příspěvky: 20926
Bydliště: Jičín, Český ráj

PříspěvekZaslal: so červen 15 2019, 17:51    Předmět: Citovat

S tím souhlasím, proto jsem ty trafáčky uvedl jako jedno z řešení.
Jen trvám na tom, že z důvodu existence ovládání funkcí zesilovače procesorem nemá smysl vzít ten signál na vstupech. Muselo by se zjistit, zda je rádio všechny využívá, nebo ne, protože řízení úrovní a korekcí obstarává samostatný audioprocesor.
Návrat nahoru
Zobrazit informace o autorovi Odeslat soukromou zprávu
ZdenekHQ
Administrátor


Založen: Jul 21, 2006
Příspěvky: 25741
Bydliště: skoro Brno

PříspěvekZaslal: so červen 15 2019, 18:07    Předmět: Citovat

Samozřejmě. Jen to "odebrání" signálu musí být symetrické, protože ty můstkový koncáky všemožně plavou a vůči zemi mají často nedefinovaný potenciál. A na to stačí i OZ, nemusí tam být zrovna trafo.
_________________
Pro moje oslovení klidně použijte jméno Zdeněk
Správně navržené zapojení je jako recept na dobré jídlo.
Můžete vynechat půlku ingrediencí, nebo přidat jiné,
ale jste si jistí, že vám to bude chutnat[?
]
Návrat nahoru
Zobrazit informace o autorovi Odeslat soukromou zprávu Zobrazit autorovy WWW stránky
dury2



Založen: Nov 22, 2009
Příspěvky: 127

PříspěvekZaslal: ne červen 16 2019, 10:55    Předmět: Citovat

Moc děkuji za pomoc a za vysvětlení problematiky, zkusím jak bude v mém případě fungovat to zapojení dle schema. Ještě jednou moc díky.
Návrat nahoru
Zobrazit informace o autorovi Odeslat soukromou zprávu
dury2



Založen: Nov 22, 2009
Příspěvky: 127

PříspěvekZaslal: út červen 25 2019, 20:40    Předmět: Citovat

odzkoušeno, maká. Super. Moc děkuji.
Návrat nahoru
Zobrazit informace o autorovi Odeslat soukromou zprávu
Zobrazit příspěvky z předchozích:   
Přidat nové téma   Zaslat odpověď       Obsah fóra Diskuzní fórum Elektro Bastlírny -> Autorádia Časy uváděny v GMT + 1 hodina
Strana 1 z 1

 
Přejdi na:  
Nemůžete odesílat nové téma do tohoto fóra.
Nemůžete odpovídat na témata v tomto fóru.
Nemůžete upravovat své příspěvky v tomto fóru.
Nemůžete mazat své příspěvky v tomto fóru.
Nemůžete hlasovat v tomto fóru.
Nemůžete připojovat soubory k příspěvkům
Můžete stahovat a prohlížet přiložené soubory

Powered by phpBB © 2001, 2005 phpBB Group
Forums ©
Nuke - Elektro Bastlirna

Informace na portálu Elektro bastlírny jsou prezentovány za účelem vzdělání čtenářů a rozšíření zájmu o elektroniku. Autoři článků na serveru neberou žádnou zodpovědnost za škody vzniklé těmito zapojeními. Rovněž neberou žádnou odpovědnost za případnou újmu na zdraví vzniklou úrazem elektrickým proudem. Autoři a správci těchto stránek nepřejímají záruku za správnost zveřejněných materiálů. Předkládané informace a zapojení jsou zveřejněny bez ohledu na případné patenty třetích osob. Nároky na odškodnění na základě změn, chyb nebo vynechání jsou zásadně vyloučeny. Všechny registrované nebo jiné obchodní známky zde použité jsou majetkem jejich vlastníků. Uvedením nejsou zpochybněna z toho vyplývající vlastnická práva. Použití konstrukcí v rozporu se zákonem je přísně zakázáno. Vzhledem k tomu, že původ předkládaných materiálů nelze žádným způsobem dohledat, nelze je použít pro komerční účely! Tento nekomerční server nemá z uvedených zapojení či konstrukcí žádný zisk. Nezodpovídáme za pravost předkládaných materiálů třetími osobami a jejich původ. V případě, že zjistíte porušení autorského práva či jiné nesrovnalosti, kontaktujte administrátory na diskuzním fóru EB.


PHP-Nuke Copyright © 2005 by Francisco Burzi. This is free software, and you may redistribute it under the GPL. PHP-Nuke comes with absolutely no warranty, for details, see the license.
Čas potřebný ke zpracování stránky 0.67 sekund