Vítejte na Elektro Bastlírn?
Nuke - Elektro Bastlirna
  Vytvořit účet Hlavní · Fórum · DDump · Profil · Zprávy · Hledat na fóru · Příspěvky na provoz EB

Vlákno na téma KORONAVIRUS - nutná registrace


Nuke - Elektro Bastlirna: Diskuzní fórum

 FAQFAQ   HledatHledat   Uživatelské skupinyUživatelské skupiny   ProfilProfil   Soukromé zprávySoukromé zprávy   PřihlášeníPřihlášení 

Soft start pro H7
Jdi na stránku 1, 2  Další
 
Přidat nové téma   Zaslat odpověď       Obsah fóra Diskuzní fórum Elektro Bastlírny -> Auto - Moto technika
Zobrazit předchozí téma :: Zobrazit následující téma  
Autor Zpráva
Celeron



Založen: Apr 02, 2011
Příspěvky: 20179
Bydliště: Nový Bydžov

PříspěvekZaslal: st červen 12 2019, 10:14    Předmět: Soft start pro H7 Citovat

Jeden zdejší člen mi slíbil poslat schema Soft startu pro žárovky H7. A nějak nestíhá.
Má to být s Fetem a RC členem, při zapnutí světel se velký odpor Soft startu za pár jednotek/desítek? milisekund sníží z vysokýho odporu na nulu a tím v podstatě zabrání klasickýmu rozprsknutí či přeražení vlákna H7.
Neviděl jste prosím někdo, někde tohle zapojení? Asi by to nebyl problém odbastlit ale je moc teplo. Embarassed
Díky

_________________
Jirka

Proč mi nemůže všechno chodit hned ?!!
Návrat nahoru
Zobrazit informace o autorovi Odeslat soukromou zprávu
sis2



Založen: Oct 07, 2012
Příspěvky: 1466
Bydliště: JN89GF

PříspěvekZaslal: st červen 12 2019, 10:32    Předmět: Citovat

Třeba tohle? Dělal jsem to s malýma fetama FDD6688, vytěženýma z motherboardů - výhoda - mají jen 5 miliohm v sepnutém stavu (tzn. úbytek 25 mV a ztráta jen 0,12W), takže není potřeba extra chladit, stačí jen přiletování na destičku cca 15x20 mm - viz obrázek


softstart.png
 Komentář:
 Velikost:  101.56 kB
 Zobrazeno:  231 krát

softstart.png



H7 s FD6688.JPG
 Komentář:
 Velikost:  44.96 kB
 Zobrazeno:  251 krát

H7 s FD6688.JPG


Návrat nahoru
Zobrazit informace o autorovi Odeslat soukromou zprávu
breta1



Založen: Sep 09, 2005
Příspěvky: 3500

PříspěvekZaslal: st červen 12 2019, 10:45    Předmět: Citovat

Jestli je to v autě, tak tam je žárovka ukostřená - pak je nutné spínat tranzistorem P FET na plus
Návrat nahoru
Zobrazit informace o autorovi Odeslat soukromou zprávu
sis2



Založen: Oct 07, 2012
Příspěvky: 1466
Bydliště: JN89GF

PříspěvekZaslal: st červen 12 2019, 10:47    Předmět: Citovat

Mezikus může být takto, vejde se pod klobouk, kryjící patici


H7 soft start.JPG
 Komentář:
 Velikost:  131.66 kB
 Zobrazeno:  265 krát

H7 soft start.JPG


Návrat nahoru
Zobrazit informace o autorovi Odeslat soukromou zprávu
EKKAR



Založen: Mar 16, 2005
Příspěvky: 34894
Bydliště: Česká Třebová, JN89FW21

PříspěvekZaslal: st červen 12 2019, 15:59    Předmět: Citovat

breta1 napsal(a):
Jestli je to v autě, tak tam je žárovka ukostřená - pak je nutné spínat tranzistorem P FET na plus
Bejvávalo. Dneska běžně jsou H7 ukostřovaný drátem mimo reflektor - nemají žádnej konec vlákna spojenej s paticí a ani by v moderním světle ukostřit pomocí patice nešly, protože drtivá většina upevňovacích dílů pro žárovku v moderních světlech je plastová. Ukostřuje se až venku mimo světlomet to, co je zrovna pro konstruktéra výhodnější.
_________________
Nasliněný prst na svorkovnici domovního rozvaděče: Jó, paninko, máte tam ty Voltíky všecky...
A kutilmile - nelituju tě Mr. Green Mr. Green !!!
Návrat nahoru
Zobrazit informace o autorovi Odeslat soukromou zprávu Odeslat e-mail
Celeron



Založen: Apr 02, 2011
Příspěvky: 20179
Bydliště: Nový Bydžov

PříspěvekZaslal: st červen 12 2019, 16:26    Předmět: Citovat

Sis2 díky! Zkoušel jsi měřit jaký to má "zpoždění" do plnýho rozsvícení? Drží ten elyt, za parabolou pod krycím deklíkem je docela teplo. Ale vystavovat to až za deklíkem by mohlo na technický při seřizování světel (kupodivy to u nás ještě dělaj) dělat technikovi problém.
A hlavně, pocítils nějak výrazně úsporu žárovek? Já do Citróna C4 před asi 5 lety dobastlil odpory zkroucený z konstantanu, pár desetin ohmů. Životnost to natáhlo asi o 100% a na technický intenzita zatím OK.

_________________
Jirka

Proč mi nemůže všechno chodit hned ?!!
Návrat nahoru
Zobrazit informace o autorovi Odeslat soukromou zprávu
TomasX



Založen: Aug 12, 2005
Příspěvky: 644
Bydliště: Hradec Kralove

PříspěvekZaslal: st červen 12 2019, 20:12    Předmět: Citovat

Nebylo by jednodušší použít předřadný "drát" ze Škodivek". Majitelé koncernových aut používají přímo k tomu určený vývojový doplněk - kus drátu určitého malého odporu s koncovkami. Jinak mě pomohlo namontovat značkové žárovky bez doplňujících označení "SUPER LIGHT, +50%, WHITE LINE apod."

P.S. mě několikrát praskla H7 při přejezdu prahu garáže s rozsvícenými světly.

_________________
Machr jsme každý, ovšem vždy v oboru někoho druhého ...
Návrat nahoru
Zobrazit informace o autorovi Odeslat soukromou zprávu
Celeron



Založen: Apr 02, 2011
Příspěvky: 20179
Bydliště: Nový Bydžov

PříspěvekZaslal: st červen 12 2019, 20:28    Předmět: Citovat

A co si myslíš, že tam mám? Origo "drát" ze Škůdek nebyl montážně kompatibilní a tak jsem ho oměřil Digiohm 20 (měřák přechodových odporů do 20 ohnů) a udělal konstantanovej ekvivalent. Je to lepší ale problém malýho odporu u studený žárovky tam je furt. S Fetem to naběhne pozvolna a navíc neubírá intenzitu světla úbytkem na sériovým odporu. Navíc u škůdky to bylo odporový i z důvodu občasnýho přepětí od serva řízení. To není z mý hlavy ale od autoelektrikáře.
_________________
Jirka

Proč mi nemůže všechno chodit hned ?!!
Návrat nahoru
Zobrazit informace o autorovi Odeslat soukromou zprávu
sis2



Založen: Oct 07, 2012
Příspěvky: 1466
Bydliště: JN89GF

PříspěvekZaslal: čt červen 13 2019, 8:55    Předmět: Citovat

Zpoždění jsem neměřil - stačilo, že v praxi vyhovuje, tzn. není znatelné. Bude to (konstanta RC a otevření fetu cca při 4V) cca půlsekunda. Elektrolyt je samozřejmě na 105°C. Měl jsem to na starým Passatu s H7 jako mezikus mezi originální paticí a žárovkou - schovaný v gumovým krycím klobouku. Za 5 let najel 180kkm, byl 2x na STK - nepamatuju, že bych měnil járofku. Předtím odcházely dost často, právě to mě donutilo sofstart ubastlit. U pašíka zpoždění při rozsvícení vůbec nevadilo - tlumená světla s H7 svítila furt a dálkový svítily/nesvítily nezávisle...
Výše dané fotky pochází z r. 2013, kdy jsem vyráběl další sofstarty pro známé.
Návrat nahoru
Zobrazit informace o autorovi Odeslat soukromou zprávu
Celeron



Založen: Apr 02, 2011
Příspěvky: 20179
Bydliště: Nový Bydžov

PříspěvekZaslal: čt červen 13 2019, 18:34    Předmět: Citovat

Tak jsem hrabal v šupleti s TO263, co jsem vykuchal před časem z PC boardů.
Mám tady kupu D346A, bohužel jsem nedohledal co to je. Navíc jich je asi čtvrtina bouchlejch D-S, takže asi nějakej šmejd.
Dál asi 10 ks D3055LS ale ty mají nepoužitelný Rds(on) kolem 0,1.
Našel jsem pár SUB70N03 ty mají Rds(on) 9m, což je dvojnásobek co máš Ty.
Ještě tu mám dva kusy IPU07N03L, ty mají Rds(on) 5,5m. Nojo, ale mám jen akorát dva. Tak je prubnu.
Díky!

_________________
Jirka

Proč mi nemůže všechno chodit hned ?!!
Návrat nahoru
Zobrazit informace o autorovi Odeslat soukromou zprávu
Osmdesat



Založen: Jan 19, 2016
Příspěvky: 1536
Bydliště: Liberecko

PříspěvekZaslal: pá červen 14 2019, 20:12    Předmět: Citovat

Tenhle měkozap si do auta asi taky namontuji. V našem oplu tak jednou dvakrát do roka jedna H7 taky odejde.
Návrat nahoru
Zobrazit informace o autorovi Odeslat soukromou zprávu
sis2



Založen: Oct 07, 2012
Příspěvky: 1466
Bydliště: JN89GF

PříspěvekZaslal: út červenec 02 2019, 9:58    Předmět: Citovat

Při letním uklízení v PC jsem našel ještě druhou verzi soft-startu s Fety v pouzdru TO220. Byla na vložení do smršťovačky, destička dělaná jen proškrábnutím 3 čar podle svěráku...

Typ Fetu už si nepamatuju. Podstatný je jen co nejmenší odpor v sepnutém stavu (max. cca 10 mΩ, ale raději poloviční hodnota). Na spínače se velmi dobře hodí Fety ze snižovacích měničů na motherboardech starých PC - jsou vždy v bezprostřední blízkosti procesoru a bývá jich tam několik - v blízkosti jsou feritové toroidy - viz obrázky.



soft start pro H7 podruhé.jpg
 Komentář:
 Velikost:  165.82 kB
 Zobrazeno:  216 krát

soft start pro H7 podruhé.jpg



mb1.jpg
 Komentář:
 Velikost:  118.92 kB
 Zobrazeno:  221 krát

mb1.jpg



mb2.jpg
 Komentář:
 Velikost:  155.61 kB
 Zobrazeno:  197 krát

mb2.jpg


Návrat nahoru
Zobrazit informace o autorovi Odeslat soukromou zprávu
Nep



Založen: Mar 02, 2022
Příspěvky: 2

PříspěvekZaslal: st březen 02 2022, 13:41    Předmět: Citovat

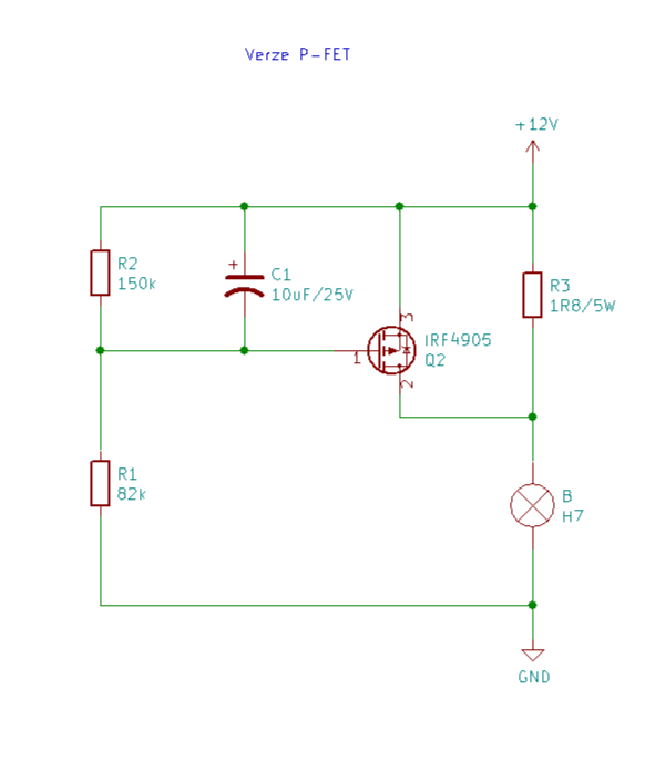
Já mám odladěné tohle zapojení s IRF4905. Vybíjecí dioda chybí záměrně. Při krátkém vypnutí a opětovném zapnutí světel se kondenzátor vybije i bez diody za podobnou dobu, za kterou žárovka vychladne. Sériový odpor je výkonově poddimenzovaný, ale díky krátkému času to vydrží a snad uvnitř nebliká. Zpoždění do plného svitu je do 0,5 s.


IMG_20220302_133926.png
 Komentář:
 Velikost:  12.22 kB
 Zobrazeno:  134 krát

IMG_20220302_133926.png


Návrat nahoru
Zobrazit informace o autorovi Odeslat soukromou zprávu
sis2



Založen: Oct 07, 2012
Příspěvky: 1466
Bydliště: JN89GF

PříspěvekZaslal: st březen 02 2022, 18:37    Předmět: Citovat

IRF4905 má v sepnutém stavu 20 miliohm, tzn. při 5A na něm bude ztráta 0,5W a to už se musí chladit...
Návrat nahoru
Zobrazit informace o autorovi Odeslat soukromou zprávu
EKKAR



Založen: Mar 16, 2005
Příspěvky: 34894
Bydliště: Česká Třebová, JN89FW21

PříspěvekZaslal: st březen 02 2022, 19:51    Předmět: Citovat

Můžeš tam vrazit dva nebo ještě víc kusů paralelně, výkonová ztráta se rozdělí na víc futrálů ...
_________________
Nasliněný prst na svorkovnici domovního rozvaděče: Jó, paninko, máte tam ty Voltíky všecky...
A kutilmile - nelituju tě Mr. Green Mr. Green !!!
Návrat nahoru
Zobrazit informace o autorovi Odeslat soukromou zprávu Odeslat e-mail
Zobrazit příspěvky z předchozích:   
Přidat nové téma   Zaslat odpověď       Obsah fóra Diskuzní fórum Elektro Bastlírny -> Auto - Moto technika Časy uváděny v GMT + 1 hodina
Jdi na stránku 1, 2  Další
Strana 1 z 2

 
Přejdi na:  
Nemůžete odesílat nové téma do tohoto fóra.
Nemůžete odpovídat na témata v tomto fóru.
Nemůžete upravovat své příspěvky v tomto fóru.
Nemůžete mazat své příspěvky v tomto fóru.
Nemůžete hlasovat v tomto fóru.
Nemůžete připojovat soubory k příspěvkům
Můžete stahovat a prohlížet přiložené soubory

Powered by phpBB © 2001, 2005 phpBB Group
Forums ©
Nuke - Elektro Bastlirna

Informace na portálu Elektro bastlírny jsou prezentovány za účelem vzdělání čtenářů a rozšíření zájmu o elektroniku. Autoři článků na serveru neberou žádnou zodpovědnost za škody vzniklé těmito zapojeními. Rovněž neberou žádnou odpovědnost za případnou újmu na zdraví vzniklou úrazem elektrickým proudem. Autoři a správci těchto stránek nepřejímají záruku za správnost zveřejněných materiálů. Předkládané informace a zapojení jsou zveřejněny bez ohledu na případné patenty třetích osob. Nároky na odškodnění na základě změn, chyb nebo vynechání jsou zásadně vyloučeny. Všechny registrované nebo jiné obchodní známky zde použité jsou majetkem jejich vlastníků. Uvedením nejsou zpochybněna z toho vyplývající vlastnická práva. Použití konstrukcí v rozporu se zákonem je přísně zakázáno. Vzhledem k tomu, že původ předkládaných materiálů nelze žádným způsobem dohledat, nelze je použít pro komerční účely! Tento nekomerční server nemá z uvedených zapojení či konstrukcí žádný zisk. Nezodpovídáme za pravost předkládaných materiálů třetími osobami a jejich původ. V případě, že zjistíte porušení autorského práva či jiné nesrovnalosti, kontaktujte administrátory na diskuzním fóru EB.


PHP-Nuke Copyright © 2005 by Francisco Burzi. This is free software, and you may redistribute it under the GPL. PHP-Nuke comes with absolutely no warranty, for details, see the license.
Čas potřebný ke zpracování stránky 0.18 sekund