Vítejte na Elektro Bastlírn?
Nuke - Elektro Bastlirna
  Vytvořit účet Hlavní · Fórum · DDump · Profil · Zprávy · Hledat na fóru · Příspěvky na provoz EB

Vlákno na téma KORONAVIRUS - nutná registrace


Nuke - Elektro Bastlirna: Diskuzní fórum

 FAQFAQ   HledatHledat   Uživatelské skupinyUživatelské skupiny   ProfilProfil   Soukromé zprávySoukromé zprávy   PřihlášeníPřihlášení 

Měří to!
Jdi na stránku 1, 2, 3, 4, 5  Další
 
Přidat nové téma   Zaslat odpověď       Obsah fóra Diskuzní fórum Elektro Bastlírny -> Zapojení ze šuplíku
Zobrazit předchozí téma :: Zobrazit následující téma  
Autor Zpráva
lesana87



Založen: Sep 20, 2014
Příspěvky: 4115

PříspěvekZaslal: po červen 10 2019, 20:03    Předmět: Měří to! Citovat

Tak jsem RLC můstku a měřiči elektrolytů zbastlila kamaráda, rafičkový multimetr. Smile S dvojitým JFETem na vstupu, místo elektronek, na ty jsem si ještě netroufla. Embarassed


multiraficka.jpg
 Komentář:
 Velikost:  40.81 kB
 Zobrazeno:  244 krát

multiraficka.jpg



meracky.jpg
 Komentář:
Kamarádi
 Velikost:  71.67 kB
 Zobrazeno:  311 krát

meracky.jpg


Návrat nahoru
Zobrazit informace o autorovi Odeslat soukromou zprávu
Davidus
Zablokován


Založen: Jun 01, 2005
Příspěvky: 2439

PříspěvekZaslal: po červen 10 2019, 20:06    Předmět: Citovat

Konečně někdo bastlí ! a hezky bastlí! supeeer Smile máš to moc krásný, ty krabičky děláš jak?
Návrat nahoru
Zobrazit informace o autorovi Odeslat soukromou zprávu Odeslat e-mail
lesana87



Založen: Sep 20, 2014
Příspěvky: 4115

PříspěvekZaslal: po červen 10 2019, 20:09    Předmět: Citovat

Krabičky pájím z kupráče.


meracek.jpg
 Komentář:
 Velikost:  29.77 kB
 Zobrazeno:  223 krát

meracek.jpg


Návrat nahoru
Zobrazit informace o autorovi Odeslat soukromou zprávu
lesana87



Založen: Sep 20, 2014
Příspěvky: 4115

PříspěvekZaslal: po červen 10 2019, 20:14    Předmět: Citovat

Oni teda mají ještě jednoho kámoše, ale to je jiná liga. Very Happy


multimetr.jpg
 Komentář:
Já k nim nepatřím, já jsem digitální.
 Velikost:  41.54 kB
 Zobrazeno:  215 krát

multimetr.jpg


Návrat nahoru
Zobrazit informace o autorovi Odeslat soukromou zprávu
kovar



Založen: Oct 03, 2010
Příspěvky: 1703
Bydliště: Letohrad (Východní Čechy)

PříspěvekZaslal: po červen 10 2019, 20:19    Předmět: Citovat

Nejsou to staré konstrukce AR?
_________________
Lepší vrabec v hrsti nežli blechy v srsti.
Návrat nahoru
Zobrazit informace o autorovi Odeslat soukromou zprávu Odeslat e-mail
lesana87



Založen: Sep 20, 2014
Příspěvky: 4115

PříspěvekZaslal: po červen 10 2019, 20:58    Předmět: Citovat

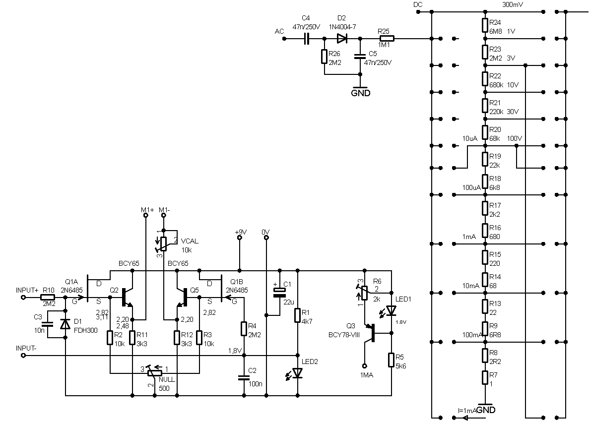
Nejsou. RLC most je trochu upravený LCR Bridge od GW3JGA. Měřič kondíků je trochu víc upravený měřák z Elektoru 1991/07-08. FET rafičkáč je jen stupidní tranzistorovej můstek. A ten digitál je katalogový zapojení C520D + zesilovač a děliče.


RLCmost_Schema.png
 Komentář:
 Velikost:  8.27 kB
 Zobrazeno:  189 krát

RLCmost_Schema.png



elytmer_schema.png
 Komentář:
 Velikost:  8.32 kB
 Zobrazeno:  203 krát

elytmer_schema.png



FETmetr_schema.png
 Komentář:
 Velikost:  8.49 kB
 Zobrazeno:  202 krát

FETmetr_schema.png


Návrat nahoru
Zobrazit informace o autorovi Odeslat soukromou zprávu
kovar



Založen: Oct 03, 2010
Příspěvky: 1703
Bydliště: Letohrad (Východní Čechy)

PříspěvekZaslal: po červen 10 2019, 21:02    Předmět: Citovat

Je to moc hezké.
_________________
Lepší vrabec v hrsti nežli blechy v srsti.
Návrat nahoru
Zobrazit informace o autorovi Odeslat soukromou zprávu Odeslat e-mail
Davidus
Zablokován


Založen: Jun 01, 2005
Příspěvky: 2439

PříspěvekZaslal: po červen 10 2019, 21:17    Předmět: Citovat

lesana87 lajk Very Happy
mě ty mechanický věci hrozně štvou když něco dělám
Zrovna teď dělám uplně stupidní UW filtr a hrozné nervy z toho mam
máš mou úctu že to máš mechanicky tak hezké
co se týče elektroniky uvnitř, ta se mi taky moc líbí, taková krásná klasika Smile tak jak má bastlení být, žádné speciality !



62268387_368644050664154_3657853578183180288_n.jpg
 Komentář:
 Velikost:  37.2 kB
 Zobrazeno:  196 krát

62268387_368644050664154_3657853578183180288_n.jpg


Návrat nahoru
Zobrazit informace o autorovi Odeslat soukromou zprávu Odeslat e-mail
forbidden



Založen: Feb 14, 2005
Příspěvky: 9422
Bydliště: Brno (JN89GF)

PříspěvekZaslal: po červen 10 2019, 21:41    Předmět: Citovat

Je to moc hezký, neřekl bych, že z kuprextitu jdou udělat takový hezký krabičky.
Návrat nahoru
Zobrazit informace o autorovi Odeslat soukromou zprávu Zobrazit autorovy WWW stránky
gepard



Založen: Feb 05, 2007
Příspěvky: 1755
Bydliště: Liberec - tam na severu Čech

PříspěvekZaslal: po červen 10 2019, 22:46    Předmět: Citovat

Ahoj,
parádičky habakuk. Všechny palce dávám nahoru (lesana87 + Davidus)! Taky mě "děsí" mechanická část. Aby to i vypadalo, je zapotřebí věnovat tomu trochu času a pohrát si. Jde o to, aby již při návrhu DPS člověk přemýšlel nad tvarem a rozměry a to vzhl. k tomu, kam to pak instaluje - rozměry + tvar skříňky (krabičky), otvory, popř. výztuhy, přepážky, ...

_________________
-- Gepard --


Naposledy upravil gepard dne po červen 10 2019, 23:54, celkově upraveno 1 krát.
Návrat nahoru
Zobrazit informace o autorovi Odeslat soukromou zprávu
masar



Založen: Dec 03, 2005
Příspěvky: 13949

PříspěvekZaslal: po červen 10 2019, 23:11    Předmět: Citovat

Z těch ručních popisků vyzařuje směs sebevědomí (netřepe se jí ruka), funkcionalismu (jak z vily Tugendhat), trochy rebelie (proti strojové dokonalosti) a radosti z tvoření. Když se na to dívám, vyzařuje ze mně nostalgická závist. Wink
Návrat nahoru
Zobrazit informace o autorovi Odeslat soukromou zprávu Odeslat e-mail
Michal22



Založen: Mar 28, 2012
Příspěvky: 8221
Bydliště: Brno

PříspěvekZaslal: út červen 11 2019, 7:38    Předmět: Citovat

Paráda.
Nikdy by mě nenapadlo, že jdou z cuprexitu vyrobit tak pěkné krabičky.

Nějaký dotaz:
1. ten digitál napájíš z baterek? Když jsem si dělal měřáky s C520D, tak i když jsem snižoval porud displejem na nižší hodnoty, pořád to dost chlastalo. Na bateriové napájení jsem si netroufl, obzvlášť proto, že jsem nikdy nerealizoval funkční APO.
2. čím to lakuješ?
3. plošňáky si taky děláš sama? Můžeš postnout i fotky vnitřku?

_________________
Civilizace založená na oboustranné lepící pásce nemůže dobře skončit...
I kdyby se z tebe jednou stal král, neodsuzuj lidi, kteří ti nebudou provolávat slávu- raději se zeptej sám sebe, proč tomu tak není...
Návrat nahoru
Zobrazit informace o autorovi Odeslat soukromou zprávu Odeslat e-mail
jova1



Založen: Dec 20, 2007
Příspěvky: 1346
Bydliště: Chýnov - to je kousek od Tábora

PříspěvekZaslal: út červen 11 2019, 15:43    Předmět: Citovat

Já jsem si poslední dobou oblíbil popisy panelů tisknou na barevné papíry a zalaminovat je ve folii 2x125 mikronů. Když se v tom papíru vystřihne okýnko, ta folie vytvoří i hezké průhledné překrytí displeje. Ta první fotka je ta dělička s kterou jsi mi radila Very Happy


2.jpg
 Komentář:
 Velikost:  74.58 kB
 Zobrazeno:  223 krát

2.jpg



1.jpg
 Komentář:
 Velikost:  87.56 kB
 Zobrazeno:  213 krát

1.jpg


Návrat nahoru
Zobrazit informace o autorovi Odeslat soukromou zprávu Zobrazit autorovy WWW stránky
pajosek2



Založen: Feb 24, 2007
Příspěvky: 3995
Bydliště: Zlínsko

PříspěvekZaslal: út červen 11 2019, 16:06    Předmět: Citovat

Lesano je to moc pěkná práce.Z cuprextitu jsme si dělávali krabičky na anténí zesilovače. Dobře se s tím dělá a spojit stačí pájením,jen to vychází dost draho. Já jsem na krabičky přístrojů s oblibou používal pertinax na boky a ohýbaný plech nebo děrovaný plech na střed,ale je to už dávno co jsem něco bastlil. Není čas,tak Ti trošku závidím Smile
_________________
To,že někdo dělá věci jinak než by jsi je dělal Ty ještě neznamená,že to dělá špatně.

Nemám zájem o korekci pravopisu.
Návrat nahoru
Zobrazit informace o autorovi Odeslat soukromou zprávu Odeslat e-mail
lesana87



Založen: Sep 20, 2014
Příspěvky: 4115

PříspěvekZaslal: út červen 11 2019, 17:21    Předmět: Citovat

Michal22 napsal(a):
Nějaký dotaz:
1. ten digitál napájíš z baterek? Když jsem si dělal měřáky s C520D, tak i když jsem snižoval porud displejem na nižší hodnoty, pořád to dost chlastalo. Na bateriové napájení jsem si netroufl, obzvlášť proto, že jsem nikdy nerealizoval funkční APO.
2. čím to lakuješ?
3. plošňáky si taky děláš sama? Můžeš postnout i fotky vnitřku?

1. Digitál běží na dvě nabíjecí tužkovky s měničem na 5V. Myslím, že to z nich bere kolem 100mA, APO to nemá. Tím jak to svítí, tak se zapomínáním vypnout není problém.
2. Krabičky lakuju štětečkem č. 1 barvou Industrol na kov a dřevo, odstín slonová kost. Je to jedna vrstva a i když se snažím pořádně ji roztírat, stejně to občas někde trochu steče, ale nějak to neřeším.
3. Digitál je drátařina na kousku univerzálky, jinde jsou plošnáky vyrobené zubařskou frézou. Embarassed



RLC_vnitrek.jpg
 Komentář:
Zelená drátařina je jedna z dodatečných úprav (na schématu už je).
 Velikost:  65.45 kB
 Zobrazeno:  222 krát

RLC_vnitrek.jpg



multiraficka_vnitrek.jpg
 Komentář:
 Velikost:  60.04 kB
 Zobrazeno:  184 krát

multiraficka_vnitrek.jpg



digital_vnitrek.jpg
 Komentář:
Vyndaný z krabičky, mám tam někde vakl, asi to bude chtít udělat pořádný plošňák. :-/ Ta svislá destička je měnič na 5V.
 Velikost:  63.56 kB
 Zobrazeno:  195 krát

digital_vnitrek.jpg


Návrat nahoru
Zobrazit informace o autorovi Odeslat soukromou zprávu
Zobrazit příspěvky z předchozích:   
Přidat nové téma   Zaslat odpověď       Obsah fóra Diskuzní fórum Elektro Bastlírny -> Zapojení ze šuplíku Časy uváděny v GMT + 1 hodina
Jdi na stránku 1, 2, 3, 4, 5  Další
Strana 1 z 5

 
Přejdi na:  
Nemůžete odesílat nové téma do tohoto fóra.
Nemůžete odpovídat na témata v tomto fóru.
Nemůžete upravovat své příspěvky v tomto fóru.
Nemůžete mazat své příspěvky v tomto fóru.
Nemůžete hlasovat v tomto fóru.
Nemůžete připojovat soubory k příspěvkům
Můžete stahovat a prohlížet přiložené soubory

Powered by phpBB © 2001, 2005 phpBB Group
Forums ©
Nuke - Elektro Bastlirna

Informace na portálu Elektro bastlírny jsou prezentovány za účelem vzdělání čtenářů a rozšíření zájmu o elektroniku. Autoři článků na serveru neberou žádnou zodpovědnost za škody vzniklé těmito zapojeními. Rovněž neberou žádnou odpovědnost za případnou újmu na zdraví vzniklou úrazem elektrickým proudem. Autoři a správci těchto stránek nepřejímají záruku za správnost zveřejněných materiálů. Předkládané informace a zapojení jsou zveřejněny bez ohledu na případné patenty třetích osob. Nároky na odškodnění na základě změn, chyb nebo vynechání jsou zásadně vyloučeny. Všechny registrované nebo jiné obchodní známky zde použité jsou majetkem jejich vlastníků. Uvedením nejsou zpochybněna z toho vyplývající vlastnická práva. Použití konstrukcí v rozporu se zákonem je přísně zakázáno. Vzhledem k tomu, že původ předkládaných materiálů nelze žádným způsobem dohledat, nelze je použít pro komerční účely! Tento nekomerční server nemá z uvedených zapojení či konstrukcí žádný zisk. Nezodpovídáme za pravost předkládaných materiálů třetími osobami a jejich původ. V případě, že zjistíte porušení autorského práva či jiné nesrovnalosti, kontaktujte administrátory na diskuzním fóru EB.


PHP-Nuke Copyright © 2005 by Francisco Burzi. This is free software, and you may redistribute it under the GPL. PHP-Nuke comes with absolutely no warranty, for details, see the license.
Čas potřebný ke zpracování stránky 0.31 sekund